Найти в Дзене
PRACTICAL ELECTRONICS

Регулирование уровня жидкости

В публикации представлена схема устройства для регулирования уровня жидкости, которая управляет погружным насосом. Назначение устройства очевидное – поддержание воды в накопительной ёмкости в определённых границах и индикация её аварийного уровня. Схемотехника устройства заимствована из польского журнала для радиолюбителей «Elektronika dla Wszystkich» №12/2000. В сети схемы управления погружным насосом для поддержания уровня воды представлены довольно широко. Радиолюбители, которые сталкивались с работой подобных устройств, прекрасно знают о том, что электроды, служащие для контроля уровня воды, со временем покрываются различными отложения и приходят в негодность. Чистка датчиков-электродов или их полная замена зависит от химического состава воды и материала изготовления самих электродов. Значительно продлить их срок службы и промежутки между обслуживанием можно, если электроды работают не с постоянным током, а с переменным. Выход генератора прямоугольных импульсов соединен с тремя ана
Оглавление

Применение

В публикации представлена схема устройства для регулирования уровня жидкости, которая управляет погружным насосом.

Назначение устройства очевидное – поддержание воды в накопительной ёмкости в определённых границах и индикация её аварийного уровня. Схемотехника устройства заимствована из польского журнала для радиолюбителей «Elektronika dla Wszystkich» №12/2000.

В сети схемы управления погружным насосом для поддержания уровня воды представлены довольно широко. Радиолюбители, которые сталкивались с работой подобных устройств, прекрасно знают о том, что электроды, служащие для контроля уровня воды, со временем покрываются различными отложения и приходят в негодность.

Чистка датчиков-электродов или их полная замена зависит от химического состава воды и материала изготовления самих электродов. Значительно продлить их срок службы и промежутки между обслуживанием можно, если электроды работают не с постоянным током, а с переменным.

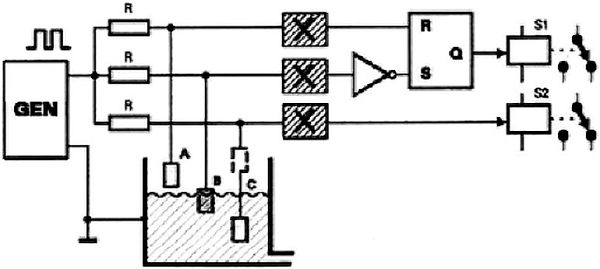
Блок-схема устройства

-2

Выход генератора прямоугольных импульсов соединен с тремя анализирующими блоками (изображены с крестами внутри) через делители напряжения, образуемые резисторами R и сопротивлением электродов А, В и С, расположенных на разной высоте.

Когда электрод находится в воде, то его сопротивление относительно общего провода мало и меандр на вход анализирующего блока не приходит.

Если же электрод полностью находится в воздухе, то его сопротивление относительно общего провода значительно возрастает и меандр беспрепятственно проходит на соответствующий анализирующий блок.

Выходы всех блоков логически скомбинированы через инвертор и RS-триггер таким образом, чтобы включать насос, когда уровень жидкости опустится ниже электрода В, и отключать насос, как только уровень поднимется до электрода А, а также включать индикацию, если уровень упадет ниже электрода С.

Схема электрическая

Схема электрическая принципиальная устройства регулировки уровня жидкости
Схема электрическая принципиальная устройства регулировки уровня жидкости

На элементах DD1.1, DD1.2 CD4001BE (отечественный аналог – К561ЛЕ5) собран задающий генератор частотой около 1 кГц, через мощные триггеры DD2.1…DD2.6 CD40106BE и цепочку C4R3 (устранение постоянной составляющей) питающий резисторы R4, R5, R6, к которому подключены уровневые электроды А, В, С.

Анализирующие каскады выполнены на триггерах DD3.1, DD3.2, DD3.3, которые при «сухих» электродах через диоды VD8, VD9, VD10 мгновенно разряжают до нулевого логического уровня конденсаторы С9, С10, С11, а при «мокрых» – находятся в высоком состоянии выходов и не препятствуют заряду конденсаторов через резисторы R13, R14 и R15 до высокого логического уровня.

Если все электроды «сухие», то RS-триггер управления насосом DD1.3, DD1.4 высоким уровнем на выходе инвертора DD3.4 установлен в состояние с высоким уровнем на выходе DD1.4 и низким на выходе DD1.3. Таким образом через транзисторный ключ на VT2 включается реле К1, которое своими нормально разомкнутыми контактами включает погружной насос (как правило – управление магнитным пускателем). Светодиод VD11 служит для индикации включенного состояния насоса.

При достижении уровнем воды электрода B, выход инвертора DD3.4 становится низким, но триггер DD3.1, DD3.2 сохраняет прежнее состояние до того момента, пока не станет высоким уровень на конденсаторе C9, т.е. до момента подъема уровня до электрода А. При этом триггер DD3.1, DD3.2 опрокинется и обесточит насос.

Расход жидкости из резервуара приведет к понижению уровня ниже электрода А, но триггер будет сохранять состояние обесточенного насоса до уровня электрода В.

Логика работы аварийного индикаторного светодиода VD12 проще – он загорится, когда сухим становится электрод С и потухнет, как только уровень поднимается до этого электрода.

Конструкция

Чертёж печатной платы для схемы показан на рисунке ниже. Два верхних печатных проводника выполняются в виде перемычек монтажным проводом.

Печатная плата для схемы устройства регулировки уровня жидкости
Печатная плата для схемы устройства регулировки уровня жидкости

Налаживание устройства заключается в подборе сопротивления резисторов R4 и R5 в диапазоне от 680 Ом до 100 кОм в зависимости от размера электродов и степени чистоты воды по критерию надежного затормаживания триггеров DD3.1…DD3.5 при окунании электродов в жидкость.