Найти в Дзене
Фархад Ильясов

Переменный ток НЕ меняет своего направления в цепи

В ряде публикаций указывается, что переменный ток, поступающий в жилые дома, – это поток электричества, у которого меняется не только амплитуда, мощность (плотность) потока электричества, но и направление движения электричества. Ниже показывается, что это представление ошибочно. Парадоксально, но нет корректных эмпирических доказательств того, что переменный ток электрогенераторов меняет свое направление. Все приводимые примеры не являются корректным эмпирическим доказательством того, что переменный ток меняет свое направление. Иногда ссылаются на показания осциллографа. Но осциллограф показывает изменение мощности (плотности) потока электроэнергии – от минимума до максимума, но никак не отражает направления потока электричества. Одним из теоретических обоснований является гипотеза о том, что поля северного и южного полюса магнита «имеют разный знак». В то время как полюса магнита имеют качественно одинаковые поля, но при этом магнитное свойство северного полюса сильнее магнитного свой
Оглавление

1. Введение

В ряде публикаций указывается, что переменный ток, поступающий в жилые дома, – это поток электричества, у которого меняется не только амплитуда, мощность (плотность) потока электричества, но и направление движения электричества. Ниже показывается, что это представление ошибочно.

2. Нет корректных доказательств того, что ток меняет свое направление

Парадоксально, но нет корректных эмпирических доказательств того, что переменный ток электрогенераторов меняет свое направление. Все приводимые примеры не являются корректным эмпирическим доказательством того, что переменный ток меняет свое направление.

Иногда ссылаются на показания осциллографа. Но осциллограф показывает изменение мощности (плотности) потока электроэнергии – от минимума до максимума, но никак не отражает направления потока электричества.

Одним из теоретических обоснований является гипотеза о том, что поля северного и южного полюса магнита «имеют разный знак». В то время как полюса магнита имеют качественно одинаковые поля, но при этом магнитное свойство северного полюса сильнее магнитного свойства южного полюса. Это хорошо видно в простом эксперименте с полосовым магнитом – северный полюс притягивает больше гвоздей (скрепок и т.п.), нежели южный, но оба полюса обладают одинаковым магнитным свойством. Поэтому в электрогенераторе северный полюс генерирует поток электрической энергии большей мощности, а южный – меньшей, отчего и возникает амплитуда потока электричества.

Ниже изложены факты, показывающие ошибочность того предположения, что ток меняет свое направление, на основе анализа:

– системы подключения трехфазного электричества в квартирах;

– объяснения работы электрического счетчика;

– простых и доступных экспериментов.

2. Иллюстрация на примере схемы соединения трехфазной цепи типа "звезда" (Y)

На рис. 1 приведена схема соединения трехфазной цепи типа "звезда". Основа рис. взята: [Трехфазная…, 2013: 4].

Рис. 1. Схема соединения трехфазной цепи типа «звезда»*

 схема соединения трехфазной цепи типа "звезда"
схема соединения трехфазной цепи типа "звезда"

Обозначения:

A, B, C – обмотки трехфазного электрогенератора.
La, Lb, Lc – линейные (фазные) провода, по которым электричество идет к нагрузкам.
Pa, Pb, Pc – потребители электроэнергии (нагрузки).
N – нейтральный (нулевой) провод.

Подобная схема, в различных модификациях, приведена во многих публикациях и ее можно полагать общепризнанной, канонической, см. например: [Трехфазная…, 2013; Максимов, 2021; Тюрин, 2024]. По этой схеме подключаются, например, многоквартирные дома.

На рис. 1 видно, что электроэнергия движется всегда в одном направлении – от генератора (по фазным проводам) до нагрузок, и от нагрузок по нулевому (нейтральному) проводу N к нулевой точке генератора.

Электричество с каждой из обмоток генератора поступает по фазным проводам La, Lb, Lc в нагрузки Pa, Pb, Pc. Нагрузки поглощают часть электроэнергии (в соответствии со своей мощностью), а неизрасходованная часть электричества поступает на нейтральный (нулевой) провод N, и возвращается в генератор – в нейтральную (нулевую) точку генератора.

Из приведенного примера видно, что переменный электрический ток не меняет своего направления, а называется переменным, потому что изменяется мощность потока (амплитуда) по времени, а не по направлению.

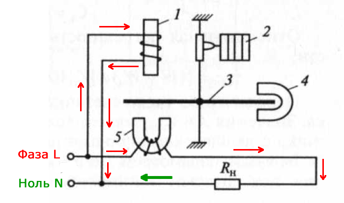
3. Электросчетчик

Электросчетчик «считает» разность – сколько энергии входит в цепь и сколько энергии выходит из цепи.

Электрический счетчик измеряет расход электроэнергии, измеряя количество электроэнергии, которая проходит через него. Если бы поток электроэнергии изменял свое направление, то счетчик не смог бы измерить количество израсходованной энергии – т.к. электричество ходило бы в нем «вперед-назад».

Рис. 2. Схема работы электросчетчика

Схема работы электросчетчика
Схема работы электросчетчика

1 – трехстержневой сердечник с одной катушкой напряжения;
2 – счетный механизм;
3 – алюминиевый диск;
4 – тормозной магнит;
5 – П-образный сердечник с двумя последовательно соединенными токовыми катушками.

Наглядно видно это на электросчетчиках, в которых крутится алюминиевый диск – см. рис. 2. Этот диск «крутит счетчик». Если ток менял бы свое направление то диск крутился бы то «вперед», то «назад», и в итоге все время показывал бы «нуль» потребляемого электричества. Но счетчик всегда показывает реальный расход электричества.

4. Эксперименты

Ошибочность утверждение, что ток меняет свое направление, легко опровергаемое конкретными и простыми экспериментами, доступными каждому:

Эксперимент №1

Известно, что в бытовой сети электрики выделяют два провода: «фаза» и «ноль». Если взять индикаторную отвертку и приложить к проводу (клемме электрической розетки) «фаза» – то отвертка будет светиться.

Если приложить отвертку к проводу «ноль» – то отвертка НЕ будет светиться.

Если бы ток в сети менял направление, то отвертка светилась бы в обоих случаях, а этого не происходит. Этот факт говорит о том, что электроэнергия поступает в сеть только через «фазу».

Эксперимент №2

Если провод «фаза» присоединить к одной клемме (электроду) электрической лампы, а другую клемму (электрод) лампы присоединить к заземлению – то лампочка будет светиться.

Если «ноль» присоединить к одной клемме электрической лампы, а другую клемму присоединить в заземлению – то лампочка НЕ будет светиться.

Этот эксперимент указывает на то, что электрическая энергия из «фазы» идет «в землю», при этом часть энергии поглощается лампой и рассеивается в окружающую среду в виде квантов световой и тепловой энергии.

А через «ноль» электричество не поступает.

Если бы ток менял направление, то лампа светилась бы обоих случах.

Эксперимент №3

\\Не пытайтесь повторить - это опасно для жизни. Автор это делал с особой осторожностью.\\

Если очень коротко коснуться пальцем клеммы «фаза» в электрической розетке, то человека ударит током. (Это не очень больно, но довольно неприятно.)

Если дотронуться до клеммы «ноль», то током НЕ ударит.

Если бы ток менял свое направление, то током било бы и от фазы, и от нуля.

5. Поясняющий пример из гидродинамики

Представьте: из водяного насоса в трубу в течение 1/50 сек поступает 1 литр воды, потом в течение 1/50 сек вода меняет свое направление – 1 литр воды уходит обратно в насос. Вопрос: будет ли по этой трубе течь поток воды? Вот тоже самое с потоком электричества...

ВЫВОД

– поток электрической энергии всегда движется в цепи постоянного и
переменного тока в одном направлении – от фазы к нулю, от плюса к
минусу.

ПОЯСНЕНИЕ

P.S. Возможно недопонимание того, что переменный ток не меняет своего направления связано с недопониманием того, как работает генератор переменного тока, да и с недопонимаем того, что такое электричество, электрический ток.

О том, что такое электрический ток и как работает генератор переменного тока можно посмотреть в статье: [Ильясов? 2019].

В соответствии унитарной теорий электричества Бенджамина Франклина, электричество – это мельчайшие порции, квантов электрической энергии, которые движутся из того места, где их больше, в то место, где их меньше (как это происходит с квантами тепловой энергии). В случае переменного тока – мощность потока электричества меняется от минимального до максимального значения, но электричество движется в одном направлении. (Потому синусоиду рисуют неправильно, – на самом деле там нет минусового деления, есть только минимальное.

Ссылки

Ильясов Ф. Н. Кванты электрической энергии – о концепции электричества Бенджамина Франклина. М.: ИЦ Орион. 2019.

Максимов В. П. Теоретические основы электротехники. Часть 3: Трехфазные цепи переменного тока: практикум. Южно-Сахалинск: СахГУ, 2021.

Трехфазная электрическая цепь при соединении потребителей по схеме «звезда»: методические указания по выполнению лабораторной работы / сост. А. В. Аминев, А. В. Блохин. Екатеринбург : УрФУ, 2013.

Тюрин. В. А. Цепи трехфазного тока: учебное пособие. Казань: Казанский федеральный университет, 2024.