Добавить в корзинуПозвонить
Найти в Дзене

Да сколько можно! Восьмой раз про инвертор...

Продолжаю тему «инвертор». Это восьмая статья На чем же «погорел» скупой хозяин особняка? Прежде чем понять его проблему, нужно разобраться с вопросом – «а как вообще из постоянного тока сделать переменный?» Для этого существуют т.н. IGBT- транзисторные ключи. Я не хочу тратить время для освещения вопросов типа: - что такое тиристор? - что такое транзистор? - в чем разница между ними? - как они управляются? Будем считать, что вы, дорогие читатели, знакомы с основами электронной техники. Итак, соорудим из четырех IGBT- транзисторов мостовую схему: При разомкнутых ключах двигатель М (а вместо двигателя М может быть любое устройство) обесточен. Замкнем ключи К1 и К4 (Рис.2) Ток пойдет по цепи: +> К1> М> К4>- И через двигатель М слева направо Замкнем ключи К2 и К3 (Рис.3) Ток пойдет по цепи: +> К3> М> К2>- И через двигатель М справа налево Теперь покажем этот процесс на диаграмме: Итак, мы получили напряжение, которое уже не есть постоянным, но еще далеко от синусоиды. А любое несинусои

Продолжаю тему «инвертор». Это восьмая статья

На чем же «погорел» скупой хозяин особняка?

Прежде чем понять его проблему, нужно разобраться с вопросом – «а как вообще из постоянного тока сделать переменный?»

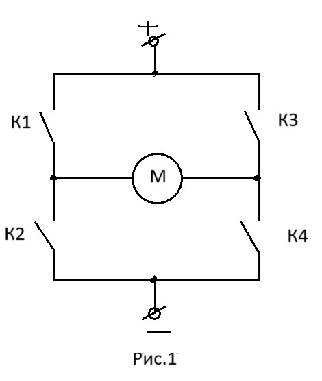
Для этого существуют т.н. IGBT- транзисторные ключи.

Я не хочу тратить время для освещения вопросов типа:

- что такое тиристор?

- что такое транзистор?

- в чем разница между ними?

- как они управляются?

Будем считать, что вы, дорогие читатели, знакомы с основами электронной техники.

Итак, соорудим из четырех IGBT- транзисторов мостовую схему:

При разомкнутых ключах двигатель М (а вместо двигателя М может быть любое устройство) обесточен.

Замкнем ключи К1 и К4 (Рис.2)

Ток пойдет по цепи: +> К1> М> К4>- И через двигатель М слева направо

-2

Замкнем ключи К2 и К3 (Рис.3)

Ток пойдет по цепи: +> К3> М> К2>- И через двигатель М справа налево

-3

Теперь покажем этот процесс на диаграмме:

-4

Итак, мы получили напряжение, которое уже не есть постоянным, но еще далеко от синусоиды. А любое несинусоидальное напряжение представляет собой сумму т.н. гармонических составляющих, т.е. сумму синусоид различной частоты. (Рис.5)

-5

На Рис.5 красная линия – это несинусоидальное напряжение с периодом Т.

Эта кривая может быть представлена суммой зеленой и синей синусоид. (Желающие могут в этом убедиться, сложив несколько точек зеленой и синей синусоид и получив точки на красной линии.)

Зеленая синусоида имеет такую же частоту и период Т1, как и исходная кривая, а вот синяя имеет частоту в три раза больше и период Т3 в три раза меньший.

И это еще не всё!

Теория, в частности т.н. ряды Фурье, говорят о том, что этих составляющих (гармоник) бесконечно много (мне в курсовой работе по ТОЭ в МЭИ пришлось рассчитывать процесс до 9-й (!) гармоники (синусоиды), а потом графически их складывать для получения исходной кривой! До сих пор помню!).

В чем «опасность» высших гармоник? Например, при соединении обмоток трехфазного трансформатора и/или двигателя по схеме «треугольник» 3-я гармоника циркулирует по его обмоткам, не «выходит» наружу (поэтому определить её сложно!) при этом нагревает эти обмотки, и есть опасность выхода обмотки из строя.

Кроме того, современные электронные устройства очень чувствительны к качеству электроэнергии, и не только к величине напряжения, но и к форме кривой напряжения.

И вот теперь самое время вспомнить о скупом владельце особняка.

Автоматика импортного котла просто отказалась работать от инвертора, на выходе которого было прямоугольное знакопеременное напряжение (см Рис.4).

Повторю еще раз: невозможно превратить постоянное напряжение в «чистую» синусоиду, можно только приблизиться к ней, невозможно избежать высших гармоник, можно только уменьшить их амплитуды.

Вывод на сегодня: синусоида, выходящая из недр инвертора, таковой никогда не станет. Только с заданной степенью приближения.

Продолжение следует.

ШИМ приближается, в следующей статье встретим её!