Добавить в корзинуПозвонить
Найти в Дзене

Расчёт падения напряжения на двухпроводной линии

Речь в данной статье пойдёт, прежде всего, о расчёте систем освещения с питанием от сверхнизкого напряжения. Сверхнизким считается напряжение питания не превышающее 120 В постоянного тока и 50 В переменного тока. В самом простом случае это светодиодные ленты или лампы с питанием 12 или 24 В. Сети с таким напряжением используют в местах с повышенной опасностью поражения электрическим током, например влажных или пожароопасных, или дома ввиду простоты монтажа и управления яркостью. Но принципы, описываемые в данной статье, являются универсальными и поэтому актуальны и для других областей применения. Закон Ома работает всегда и везде! Прежде чем приступать к расчёту падения напряжения на двухпроводной линии необходимо выяснить следующее: 1. Ток потребителя 2. Количество потребителей в линии 3. Длину линии 4. Сечение проводников 5. Удельное сопротивление материала проводника. 6. Допустимый диапазон рабочего напряжения Информацию по этим пунктам можно получить из справочников или инструкции
Оглавление

Речь в данной статье пойдёт, прежде всего, о расчёте систем освещения с питанием от сверхнизкого напряжения. Сверхнизким считается напряжение питания не превышающее 120 В постоянного тока и 50 В переменного тока. В самом простом случае это светодиодные ленты или лампы с питанием 12 или 24 В. Сети с таким напряжением используют в местах с повышенной опасностью поражения электрическим током, например влажных или пожароопасных, или дома ввиду простоты монтажа и управления яркостью. Но принципы, описываемые в данной статье, являются универсальными и поэтому актуальны и для других областей применения. Закон Ома работает всегда и везде!

Данные для расчёта

Прежде чем приступать к расчёту падения напряжения на двухпроводной линии необходимо выяснить следующее:

1. Ток потребителя

2. Количество потребителей в линии

3. Длину линии

4. Сечение проводников

5. Удельное сопротивление материала проводника.

6. Допустимый диапазон рабочего напряжения

Информацию по этим пунктам можно получить из справочников или инструкции к осветительным приборам. Однако по первому пункту требуются пояснения. В зависимости от типа и устройства светильника этот ток может быть постоянным или меняться в зависимости от подаваемого на него напряжения. Например, если в качестве драйвера применён линейный стабилизатор тока, то ток потребления не будет зависеть от подаваемого на светильник напряжения. Конечно, если это напряжение находится в допустимом диапазоне для светильника. Если же применён импульсный драйвер, то ток будет расти с уменьшением напряжения. А вот с ограничением тока резисторами, как в светодиодной ленте, ток будет падать. Более того для последнего варианта с падением напряжения питания будет уменьшаться и световой поток светильника. Это необходимо учитывать при расчёте.

Пример расчёта 1

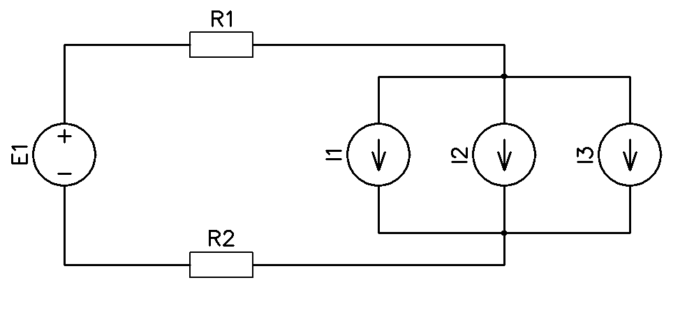
В начале расчёта составим эквивалентную схему линии с потребителями. В простом случае эта схема может выглядеть как на рисунке 1.

Рис.1.
Рис.1.

Источник постоянного напряжения E1 подключен к потребителям I1…I3 двухпроводной линией R1,R2. Примем, что ток потребителей постоянен и не зависит от напряжения источника питания. В этом случае расчёт падения напряжения по закону Ома будет выглядеть следующим образом:

-3

Где I – сумма токов потребителей I1..I3 , а R – сумма сопротивлений проводников R1,R2.

Например, ток потребителей I1..I3 равен 0,15А. Сумма токов потребителей будет равна 0,15+0,15+0,15=0,45А. Сопротивление проводников в кабеле R1 и R2 равно и составляет 1,2 Ом. Полное сопротивление линии R1R2 составит 1,2+1,2=2,4 Ом. В этом случае падение напряжения на линии составит 0,45*2,4=1,08В.

Пример расчёта 2

Рассмотрим более сложный случай на рисунке 2

Рис.2.
Рис.2.

В отличие от схемы выше, где потребители соединены в одной точке, здесь потребители распределены по линии. По сути, эта схема состоит из трёх повторяющихся участков, поэтому посчитаем каждый участок схемы отдельно по методике из прошлого примера.

Чтобы сравнить результаты возьмём идентичные параметры потребителей, т.е. 0,15А, а сопротивление линии разделим на три равных участка. Соответственно сопротивление проводов R1…R6 примем равным 1,2/3=0,4 Ом.

Падение напряжения на участке R5R6 составит 0,15*(0,4+0,4)=0,12В

Падение на участке R3R4 составит (0,15+0,15)*(0,4+0,4)=0,24B

Падение на участке R1R2 составит (0,15+0,15+0,15)*(0,4+04)=0,36B

Общее падение напряжение на линии составит 0,12+0,24+0,36=0,72В.

Пример расчёта 3

На рисунке 3 представлена эквивалентная схема линии освещения с ограничением тока светодиодов при помощи резисторов.

Рис.3.
Рис.3.

Элементами R1..R3 и R7..R9 обозначены проводники. Это может быть как линия освещения, так и печатные проводники на плате или светодиодной ленте. А элементами R4..R6 обозначены резисторы для ограничения тока через светодиоды. Для того чтобы рассчитать такую схему нужно выяснить сопротивление этих резисторов и падение напряжения на светодиодах. Например, для белого и синего светодиодов падение напряжения составляет 3В, соответственно если мы видим на плате 3 подобных светодиода соединённых последовательно, то в сумме падение напряжения будет составлять 9В. Если напряжение питания такого модуля заявлено 12В, то напряжение на выводах резистора составит 12-9=3В. При сопротивлении резистора 20 Ом, ток светодиодов будет составлять - 3/20=0,15А. Расчёт начнём с последнего участка цепи HL1. Сопротивление проводников примем равным 0,4Ом. Тогда падение напряжения на участках R3 и R9 составит - 0,15*(0,4+0,4)=0,12В. Прибавив это значение к заявленному напряжению питания 12В, получим - 12+0,12=12,12В. Это напряжение питания для HL2. В этом случае, ток светодиодов HL2 составит уже – (12,12-9)/20=0,156А. Повторим расчёт для остальных участков цепи, не забывая прибавлять к результату потребление тока предыдущих потребителей.

Падение напряжения на R2,R8 – (0,156+0,15)*(0,4+0,4)=0,2448В

Напряжение на светодиодах HL1 - 0,2448+12,12=12,3648В

Ток HL1 – (12,3648-9)/20=0,1682А

Падение напряжения на R1,R7 – (0,1682+0,156+0,15)*(0,4+0,4)=0,3794В

Общее падение напряжения на линии составит 0,12+0,2448+0,3794=0,7442В

Так как световой поток светодиодов имеет практически прямую зависимость от тока, можно вычислить разницу между свечением первого и последнего светодиода в линии – 0,1682/0,15=1,12. Разница в световом потоке составит 12% притом, что отличие в напряжении питания между HL1 и HL3 всего 3%.

Рис. 4.
Рис. 4.

Заключение

Влияние падения напряжения в линии на работоспособность системы освещения увеличивается с уменьшением напряжения питания. Если падение напряжения в пару вольт не оказывает никакого влияния в сети 220В, то при питании 12В это уже 20%. Соответственно даже небольшие ошибки в расчёте низковольтных систем могут оказаться заметными. Необходимо следить за тем, чтобы напряжение питания, как первого, так и последнего светильника в линии не вышло за рабочий диапазон. Распространенные онлайн калькуляторы далеко не всегда подойдут для подобной задачи. Несмотря на то, что на первый взгляд такой расчёт может показаться сложным, он на самом деле не содержит каких либо сложных формул. Для облегчения работы его можно с лёгкостью оформить в виде файла Excel и пользоваться им в автоматическом режиме (Рис.4.). Можно добавить в этот расчёт графики иллюстрирующие, например изменение яркости свечения светильников или потребляемого тока в зависимости от расположения.