Добавить в корзинуПозвонить
Найти в Дзене
Офисная айтишечка

Индикаторная отвёртка. Как определить с её помощью фазу, ноль и место обрыва провода?

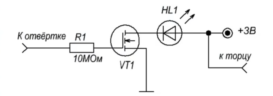
Здравствуйте! Сегодня я хочу рассказать вам о возможностях самой обычной и недорогой индикаторной отвёртки. Перед тем как начать работу с ней, необходимо проверить её работоспособность. Для этого нужно прикоснуться рукой к жалу отвёртки и ко второму контакту в верхней части инструмента. Если всё в порядке, индикатор загорится. Если же нет, то отвёртка неисправна, и её следует заменить. Для любителей схематичных изображений приведу пример Теперь можно приступать к работе. С помощью отвертки можно выполнить множество различных проверок и испытаний. Давайте начнем с проверки фазы. Проверка фазы измерительной отверткой (индикаторной отверткой) — это простой и безопасный способ определить фазный провод в электрической цепи. Вот как это сделать: Чтобы определить фазу, не нужно прикасаться к верхней части отвертки. Просто прикоснитесь к контакту розетки. Если светодиод загорелся, значит, здесь фаза. Если светодиод не горит, то можно дотронуться до верхней части контакта. Если светодиод загори
Оглавление
Индикаторная отвертка.
Индикаторная отвертка.

Здравствуйте! Сегодня я хочу рассказать вам о возможностях самой обычной и недорогой индикаторной отвёртки.

Проверка работоспособности

Перед тем как начать работу с ней, необходимо проверить её работоспособность. Для этого нужно прикоснуться рукой к жалу отвёртки и ко второму контакту в верхней части инструмента. Если всё в порядке, индикатор загорится. Если же нет, то отвёртка неисправна, и её следует заменить.

Для любителей схематичных изображений приведу пример

-2

Теперь можно приступать к работе.

С помощью отвертки можно выполнить множество различных проверок и испытаний. Давайте начнем с проверки фазы.

Проверка фазы и нуля

Проверка фазы измерительной отверткой (индикаторной отверткой) — это простой и безопасный способ определить фазный провод в электрической цепи. Вот как это сделать:

Чтобы определить фазу, не нужно прикасаться к верхней части отвертки. Просто прикоснитесь к контакту розетки. Если светодиод загорелся, значит, здесь фаза.

Если светодиод не горит, то можно дотронуться до верхней части контакта. Если светодиод загорится, то это значит, что здесь ноль, и провод цел.

Ноль - провод цел!
Ноль - провод цел!

Преимущество индикаторной отвертки в том, что с её помощью можно не только определить наличие нуля, но и проверить целостность провода.

Все остальные измерения выполняются путём прикосновения к верхнему контакту на ручке отвертки. Человеческое тело, подобно ёмкости, пропускает через себя микротоки и становится частью цепи.

Проверка целостности провода

Второе измерение, которое мы проведем, — это проверка целостности провода. У меня есть два провода: желтый и зеленый. Давайте проверим их целостность с помощью индикаторной отвертки.

Проверка на обрыв желтого проводка (с двух сторон желтый кабелек.)
Проверка на обрыв желтого проводка (с двух сторон желтый кабелек.)

Для этого с одной стороны мы берем желтый провод, а с другой — касаемся индикаторной отверткой и дотрагиваемся до верхнего контакта. Светодиодный индикатор не загорается, что может указывать на проблему с обрывом.

Проверка на целостность зеленого проводка. У вас он может быть другого цвета. Это как пример - индикатор горит. Что означает проводимасть-целостность.
Проверка на целостность зеленого проводка. У вас он может быть другого цвета. Это как пример - индикатор горит. Что означает проводимасть-целостность.

Проверим зеленый провод: дотрагиваемся до него рукой с одной стороны и индикаторной отверткой — с другой. Когда мы дотронемся до верхнего контакта, светодиод загорится, что свидетельствует о целостности зеленого провода. Это означает, что где-то оборван желтый провод.

Проверка нагревательного ТЭНа, предохранителей, диодов и ламп накаливания

Проверка ТЭНа водонагревателя
Проверка ТЭНа водонагревателя

Далее можно проверить целостность нагревательного тэна, не нагревая его. Для этого коснитесь пальцами одного из контактов тэна, а ко второму приложите щуп и нажмите на верхний контакт индикаторной отвертки. Если спираль тэна цела, то загорится светодиод на отвертке. Если же светодиод не горит, значит, спираль перегорела.

Проверка лампы накаливания
Проверка лампы накаливания

Таким же образом можно проверить диоды, предохранители и лампочки накаливания. Возьмите лампу накаливания, одной рукой коснитесь одного контакта, а индикаторной отверткой — другого. Если загорится лампочка на отвертке, то лампа цела. Аналогично проверьте предохранители.

Таким же способом можно проверить нагревательный тэн кипятильника.

Проверка ТЭНа кипятильника
Проверка ТЭНа кипятильника

Можно использовать и для проверки светодиодов и обычных диодов. Прикасаясь к обычным диодам, вы заметите, что отвёртка загорается только в одном направлении. Это позволяет определить полярность диода — то есть понять, где у него находится катод, а где анод.

Наличие напряжения на изолированном проводнике

Индикаторная отвертка обладает ещё одной удивительной функцией: она способна обнаружить напряжение на изолированном проводнике. Для этого необходимо взяться за щуп отвертки одной рукой, а другой — провести вдоль провода в том месте, где предположительно может быть напряжение. Если светодиод на конце отвертки загорится, это будет означать, что в проводе присутствует напряжение. В противном случае, если светодиод не светится, можно с уверенностью сказать, что в данном проводнике нет напряжения (либо вы забыли пройтись глазками по первому пункту и проверить прибор :-) ).

Поиск места обрыва провода

Индикаторная отвёртка может быть полезна для определения места обрыва провода. Когда мы подносим индикатор к месту обрыва, светодиод на отвёртке перестаёт гореть.

Вот как это работает на примере обычного удлинителя, который перестал работать. Предположительно, оба провода в нём оборваны. Чтобы найти обрыв, нужно выполнить несколько простых шагов.

-9

Сначала определяем фазу в розетке и помечаем её точкой. Затем с помощью индикаторной отвёртки ищем, какой из проводов оборван. Помечаем его также точкой. После этого нам нужно соединить оборванный провод с фазой.

Теперь берём индикаторную отвёртку, касаемся верхней части контакта и ведём вдоль провода. Хотя в этом случае отвертку можно использовать и вверх ногами, так как более удобно ходить по проводу более плоской частью. Светодиод на отвёртке должен светиться. Когда мы доходим до места обрыва провода, светодиод гаснет — это и есть место обрыва.

Следует отметить, что обнаружить обрыв провода в стене с помощью индикаторной отвёртки не представляется возможным. Для этой цели необходимы специальные инструменты.

Поиск скрытой проводки

Еще одна полезная функция индикаторной отвертки — возможность найти скрытую проводку. Для этого нужно провести обратной стороной отвертки по стене в месте, где предположительно проходят провода.

Однако провода будут видны только в том случае, если они находятся под напряжением и на глубине не более полутора сантиметров.

крепим "усилитель"
крепим "усилитель"

Если же проводка в стене расположена глубже, то можно воспользоваться следующим советом: к индикаторной отвертке можно присоединить 10-15 сантиметров одножильного провода, который будет выполнять роль антенны. Это увеличит чувствительность инструмента.

Колпачек на отвертку, чтобы не создавался контакт с другим инвентарем в вашей инструментальной сумке
Колпачек на отвертку, чтобы не создавался контакт с другим инвентарем в вашей инструментальной сумке

Чтобы батарейки в отвертке служили дольше, на жало можно надеть колпачок, который предотвратит контакт жилы с другими предметами.

Надеюсь, этот материал был для вас полезным. Ставьте «Нравится», если так, и всего доброго!