Добавить в корзинуПозвонить
Найти в Дзене
За рулём мечты

Как устроена тормозная система грузового автомобиля и полуприцепа?Как правильно пользоваться горным тормозом?

Полное руководство по устройству тормозной системы Тормозная система грузовика и полуприцепа — важный элемент, требующий внимания. В этом руководстве я объясню, как она работает и как с ней правильно обращаться. #безопасность #автозапчасти Как устроена тормозная система В основе тормозной системы присутствует механика, проверенная временем. Мощные барабанные и дисковые системы приводятся в действие пневматическими приводами. Подобно музыке в гармонике, воздух проникает в систему, активируя гидравлические процессы. Подробная инструкция по использованию горного тормоза 1. Возьмите на вооружение: Горный тормоз — это ваш лучший помощник при спусках с горных дорог. Его задача — удерживать контроль над транспортом. #ГорныйТормоз #КонтрольНаСпуске 2. Умейте вовремя включить: Используйте горный тормоз только на низких передачах. Если ваша скорость не превышает безопасный предел, все будет отлично. #НизкиеПередачи #Безопасность 3. Будьте настороже: Следите за тем, чтобы обычные тормо

Полное руководство по устройству тормозной системы

Тормозная система грузовика и полуприцепа — важный элемент, требующий внимания. В этом руководстве я объясню, как она работает и как с ней правильно обращаться. #безопасность #автозапчасти

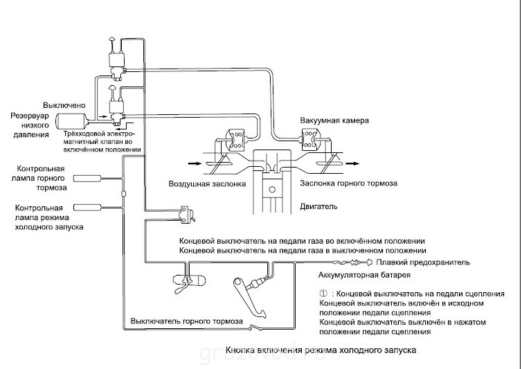
Как устроена тормозная система

-2

В основе тормозной системы присутствует механика, проверенная временем. Мощные барабанные и дисковые системы приводятся в действие пневматическими приводами. Подобно музыке в гармонике, воздух проникает в систему, активируя гидравлические процессы.

-3

Подробная инструкция по использованию горного тормоза

1. Возьмите на вооружение: Горный тормоз — это ваш лучший помощник при спусках с горных дорог. Его задача — удерживать контроль над транспортом. #ГорныйТормоз #КонтрольНаСпуске

2. Умейте вовремя включить: Используйте горный тормоз только на низких передачах. Если ваша скорость не превышает безопасный предел, все будет отлично. #НизкиеПередачи #Безопасность

3. Будьте настороже: Следите за тем, чтобы обычные тормоза не перегревались.

4. Не бойтесь комбинировать: Используйте горный тормоз вместе с обычным, чтобы эффективно контролировать скорость и избегать перегрева системы. #КомбинированиеТормозов #Эффективность

-4

Заключение

Теперь вы знаете, что тормозная система грузовика и полуприцепа — не такая сложная деталь, как может показаться. Несмотря на необходимость в внимании и аккуратности, понимание принципов работы системы позволяет вам контролировать ситуацию на дороге. #тормознаясистема #грузовик #безопасность #дорожнаябезаопасность

Ошибки при использовании горного тормоза и как их избежать

Горный тормоз — надежный помощник при спусках, но его использование требует внимательности. Некоторые ошибки могут превратить безопасный маневр в скользкие гонки по склонам. Давайте рассмотрим наиболее частые ошибки и способы их избежать. #горныйтормоз #водительскиенавыки #спуски #аварии

На высокой скорости не только птицы летают

Одна из распространённых ошибок — включение горного тормоза на слишком высокой скорости. Это как пытаться остановить бегущего коня, вцепившись в его хвост. Лучше всего активировать тормоз при умеренном ускорении на низких передачах, чтобы избежать чрезмерного износа и перегрева. #Скорость #Безопасность #Торможение #Автомобили #ГорныйТормоз

Перегрев-ваш враг

Перегрев может вывести из строя всю тормозную систему. Представьте, будто вы кипятите чайник без воды — последствия могут разочаровать. Чтобы этого избежать, комбинируйте использование горного тормоза с основным, периодически отпуская педаль, давая системе немного "отдохнуть" и снизить температуру.

-5

-6

Игнорирование сигналов

-7

Некоторые водители игнорируют индикаторы на панели приборов, полагая, что "ничего страшного". Это может стоить дорого.

#авто #безопасность #техника #вождение #предупреждение #сигналыперегрева

-8

Непредусмотрительность на поворотах

Неправильное распределение скорости на поворотах может сыграть злую шутку. Перед каждым маневром на спусках нужно заранее уменьшать скорость. Плавное и продуманное вхождение в поворот сделает вашу поездку не только безопасной, но и комфортной. #скорость #повороты #комфорт

Заключение

Горный тормоз — важный инструмент в арсенале водителя, особенно на склонах. Избегая этих ошибок, вы сможете уверенно преодолевать любые горные дороги. Возможно, вскоре вы увидите в каждом спуске не препятствие, а возможность показать своё мастерство. #горы #тормоза #мастерство