Добавить в корзинуПозвонить
Найти в Дзене
"ТехноКЛУБ-kzn 25+" TechShop

САМОДЕЛЬНЫЙ МИНИ-МОКИК

Самодельный мини-мокик. Малогабаритная авто- и мототехника всегда вызывала повышенный интерес самодеятельных конструкторов. Это понятно: транспортное средство, имеющее небольшие размеры и массу, малый расход топлива, хорошо вписывающееся в транспортные потоки городских улиц, удобное в обслуживании и ремонте и достаточно надежное, — не может не привлечь внимания, и конечно, в первую очередь подростка. Рис. 1. Мини-Мокик с двигателем V-50. Все это послужило причиной того, что миниатюрная транспортная техника стала основным увлечением мальчишек нашей детской автоконструкторской лаборатории «Дерзай, твори, изобретай!» в Доме юных техников Облсовпрофа города Вологды. Хотим познакомить читателей «М-К» с одной из наиболее удачных наших разработок — минимо-киком с двигателем Шяуляйского завода «Вайрас», а также с основными этапами его конструирования и некоторыми технологическими приемами изготовления отдельных узлов. Разумеется, нет никакого смысла делать абсолютно все детали своими силами —
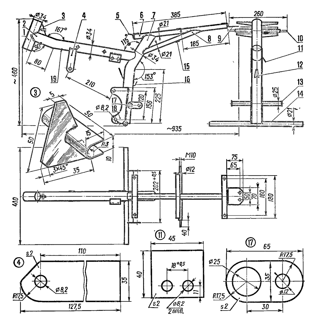
Чертежи самодельного мини-мокика с двигателем V-50

Самодельный мини-мокик. Малогабаритная авто- и мототехника всегда вызывала повышенный интерес самодеятельных конструкторов. Это понятно: транспортное средство, имеющее небольшие размеры и массу, малый расход топлива, хорошо вписывающееся в транспортные потоки городских улиц, удобное в обслуживании и ремонте и достаточно надежное, — не может не привлечь внимания, и конечно, в первую очередь подростка.

Рис. 1. Мини-Мокик с двигателем V-50.

Все это послужило причиной того, что миниатюрная транспортная техника стала основным увлечением мальчишек нашей детской автоконструкторской лаборатории «Дерзай, твори, изобретай!» в Доме юных техников Облсовпрофа города Вологды. Хотим познакомить читателей «М-К» с одной из наиболее удачных наших разработок — минимо-киком с двигателем Шяуляйского завода «Вайрас», а также с основными этапами его конструирования и некоторыми технологическими приемами изготовления отдельных узлов.

Разумеется, нет никакого смысла делать абсолютно все детали своими силами — промышленность выпускает достаточно готовых изделий, пригодных для оснащения подобных машин. Это колеса в комплекте с дисками и тормозными барабанами, маятниковая вилка, цепь, включатель стоп-сигнала, рукоятки управления сцеплением и тормозом переднего колеса (от мотороллеров «Тулица», «Тула» или «Турист»), а также узлы от мопедов типа «Рига-22» — двигатель V-50, бензобак с топливным краником и крышкой, детали передней вилки, задние амортизаторы, руль, ручка «газа», катушка зажигания, глушитель, заднее крыло, звуковой сигнал, тумблер переключения света и воздухофильтр.

К тому же на мокик поставлены противотуманная фара от КАМАЗа и задний фонарь, который используется как дополнительный на легковых автомобилях. Так что большая часть деталей промышленного производства. Нам потребовалось лишь изготовить раму, расширить переднюю вилку и сделать сиденье. Но это не означает, что сконструировать и сделать мокик легко и просто.

Работа эта включает ряд этапов, и, по нашему мнению, грамотно спроектировать такую машину ничуть не проще, чем, например, мини-автомобиль. Этап первый. Его можно назвать этапом эскизного проектирования. Все графические построения лучше всего выполнять в одном масштабе 1:5 — он более всего подходит для мокика. Прежде всего, вычертите все основные стандартные узлы и детали, которые есть в вашем распоряжении.

Компоновать машину рекомендуем из бумажных силуэтов деталей и узлов на розном листе. При проектировании передачи следует учитывать, что ось ведущей звездочки и ось качания маятниковой вилки должны располагаться на одной прямой — в противном случае натяжение цепи при движении будет постоянно меняться. Подобрав оптимальный вариант компоновки, сделайте эскиз (при этом можно использовать полупрозрачную кальку или пергамин), дополнив изображение деталями, которые предстоит сконструировать самостоятельно. Советуем изобразить несколько вариантов компоновки с тем, чтобы выбрать наиболее приемлемый.

Теперь переходите к деталировке сборочного чертежа — здесь уже желательно вычерчивать детали в натуральную величину. При этом надо тщательно увязывать размеры деталей, а также учитывать присоединительные размеры готовых узлов и агрегатов. И только проверив сопрягаемость и взаимодействие элементов мокика, переходите ко второй стадии работы. Этап второй — непосредственное изготовление.

В данном случае самостоятельно были сделаны рама, передняя вилка, переднее крыло и ряд других деталей. Наиболее сложный и ответственный элемент мокика — рама. Сначала на листе фанеры мы вычертили своего рода плаз — вид сбоку в натуральную величину. В дальнейшем все детали рамы подгоняли, а затем и сваривали воедино, используя плаз как своего рода шаблон. Рама мокика состоит из обычных шовных труб с внешним диаметром 34 и 21 мм.

Для усиления рулевой колонки служит стальная косынка — она же предназначена для крепления топливного бака. К хребту рамы приварена также пластина для установки катушки зажигания, в ней просверлены два отверстия для фиксации блока-стабилизатора двигателя. Для крепления самого двигателя служат кронштейны, вырезанные из листовой стали толщиной 2 и 3 мм. К вертикальной стойке рамы приварен отрезок трубы 0 25 мм с фланцами на торцах — этот узел необходим для посадки маятниковой вилки, а также подножка из трубы длиной 410 мм и диаметром 21 мм.

Для фиксации верхних шарниров амортизаторов маятниковой вилки предназначена ось — пруток диаметром 12 мм и длиной 260 мм, концы которого проточены на длину 40 мм и на них нарезана резьба M10. Ось усилена стальным уголком 25X25 мм. К раме приварены еще два уголка — на них крепятся сиденье и топливный бак. Передняя вилка нашего мокика не совсем обычная. Она значительно шире стандартной мопедной, и перья ее — это «бывшие» несущие элементы мопедной вилки, а несущие элементы — это «бывшие» перья вилки «Рига-22». Для расширения вилки использованы два треугольных элемента из листовой стали толщиной 3 мм (верхний из них — съемный).

Переднее колесо крепится к перьям с помощью щечек из листовой СТАЛИ, приваренных к трубам. К этим же трубам присоединены сваркой кронштейны переднего крыла, а к мостику — кронштейн установки фары. Один из самых интересных узлов — переключатель коробки передач. Как известно, у двигателей типа «V» или «Ш» этот переключатель — ручной и он гораздо менее удобен, нежели ножной, традиционно используемый на большинстве мотоциклов. Механизм ножного переключения получился весьма простым по конструкции и в изготовлении.

Он представляет собой обойму с приваренными к ней деталями — передним и задним рычагами с опорными площадками, рычагом для закрепления троса переключения передач и втулкой фиксации. Внутри последней располагаются стальной шарик, пружина и винт — они обеспечивают четкое стопорение рычага в каждом из трех положений — первая передача, «нейтраль» и вторая передача.

Ручка «газа» — от мопеда, рукоятки управления сцеплением и передним тормозом — от мотороллера. Тормозная педаль сначала была самодельной, а затем мы все же заменили ее педалью от мотоцикла «Минск». И последнее. Наша машина двухместная, поэтому на раме закреплены подножки и для пассажира — два отрезка трубы диаметром 21 мм и длиной 125 мм. Все подножки с резиновыми мотоциклетными валиками. Мини-мокик прост в управлении, удобен и, как нам кажется, имеет ряд преимуществ по сравнению с промышленными собратом рижского производства.

-2

Р и с. 2. Рама мини-мокика: 1 — рулевая колонка, 2 — хребтовая труба, 3 — косынка, 4 — верхний кронштейн крепления двигателя, 5 — кронштейн топливного бака, 6 — подседельная труба 7 — вертикальная стойка, 8 — подкос подседельной трубы. 9 — подседельный кронштейн 10 — ось задних амортизаторов, 11 — кронштейн крепления катушки зажигания 12 — кронштейн крепления воздухофильтра, 13 — поперечина маятниковой вилки, 14 — подножка, 15, 18 — кронштейн крепления грязевого щитка, 17 — щечки поперечины маятниковой вилки, 18 — задний кронштейн крепления двигателя, 19 — кронштейн крепления звукового сигнала.

-3

Рис. 3. Взаимное расположение маятниковой вилки и двигателя.

-4

Р и с. 4. Вилка: 1 — перья вилки, 2 — несущие элементы, 3 — пластины мостика, 4 — уголки усиления мостика, 5 — кронштейн фары, 6 — кронштейн грязевого щитка, 7 — щека пера вилки. 8 — втулка.

-5

Рис. 5. Механизм переключения передач: 1, 11 — передняя и задняя опорные площадки, 2 — передний рычаг, 3 — тросовый рычаг, 4 — винт, 5 — пружина, 6 — шарик, 7 — ось, 8 — втулка фиксации, 9 — обойма, 10 — задний рычаг. Р и с. 2. Рама мокика: 1 — рулевая колонка, 2 — хребтовая труба, 3 — косынка, 4 — верхний кронштейн крепления двигателя, 5 — кронштейн топливного бака, 6 — подседельная труба 7 — вертикальная стойка, 8 — подкос подседельной трубы. 9 — подседельный кронштейн 10 — ось задних амортизаторов, 11 — кронштейн крепления катушки зажигания 12 — кронштейн крепления воздухофильтра, 13 — поперечина маятниковой вилки, 14 — подножка, 15, 18 — кронштейн крепления грязевого щитка, 17 — щечки поперечины маятниковой вилки, 18 — задний кронштейн крепления двигателя, 19 — кронштейн крепления звукового сигнала. Рис. 3. Взаимное расположение маятниковой вилки и двигателя. Р и с. 4. Вилка: 1 — перья вилки, 2 — несущие элементы, 3 — пластины мостика, 4 — уголки усиления мостика, 5 — кронштейн фары, 6 — кронштейн грязевого щитка, 7 — щека пера вилки. 8 — втулка. Рис. 5. Механизм переключения передач: 1, 11 — передняя и задняя опорные площадки, 2 — передний рычаг, 3 — тросовый рычаг, 4 — винт, 5 — пружина, 6 — шарик, 7 — ось, 8 — втулка фиксации, 9 — обойма, 10 — задний рычаг.

(Автор: А. КРЫЛОВ, г. Вологда)

Друзья мы можем сказать одно. Что бы наладит ПРОИЗВОСТВО данного аппарата, для начала мы хотим изготовить опытные образцы. И хотим установить на него с/а ссылку мы дадим ниже. ПАКА точно где будим налаживать ПРОИЗВОСТВО в Китае или в России. Но первая партия будит около 100 шт.

Двигатель 4х такт. 70 см3 эл.стартер 4 ск.Delta,Alfa(1P47FMD)ПОЛУАВТОМАТ(без рыч.сцеп) (СЕРЕБРИСТЫЙ) купить на OZON по низкой цене (1412547260)

Донары:

-6

-7

и дополнительно ищем модель мини-мокик Стрела:

-8

и вот эту модель

-9
The Careless ANGEL | "ТехноКЛУБ-kzn 25+" TechShop | Дзен