Добавить в корзинуПозвонить
Найти в Дзене
da-nie

Строим твёрдотельный лазер без регистрации и смс

Моя статья с habr.com.
Лазер. Как много в этом слове… Ну и так далее. Помню, с каким интересом я открывал один из школьных учебников по физике и рассматривал картинки устройства рубинового лазера. Сделать такое было бы сродни получить мощь гиперболоида инженера Гарина. Как всё было просто на картинке учебника! Но повторить такое школьнику в 90-е это было бы что-то из области фантастики. Прошло много лет, окончена кафедра квантовой электроники ЛЭТИ, но мечта осталась. Пора её реализовать! Итак, вперёд. Как многим известно, лазеры бывают газовые, твёрдотельные, полупроводниковые, жидкостные, на свободных электронах, газодинамические и, наверное, ещё какие-нибудь. Лично мне всегда был интересен именно твёрдотельный лазер — огромная импульсная мощность и относительная простота конструкции. Из каких же компонентов состоит твёрдотельный лазер? Во-первых, нам потребуется активный элемент. Чаще всего, активные элементы делают из кристаллов синтетического рубина, алюмо-иттриевого граната (YAG)
Оглавление

Моя статья с habr.com.

Лазер. Как много в этом слове… Ну и так далее. Помню, с каким интересом я открывал один из школьных учебников по физике и рассматривал картинки устройства рубинового лазера. Сделать такое было бы сродни получить мощь гиперболоида инженера Гарина. Как всё было просто на картинке учебника! Но повторить такое школьнику в 90-е это было бы что-то из области фантастики. Прошло много лет, окончена кафедра квантовой электроники ЛЭТИ, но мечта осталась. Пора её реализовать! Итак, вперёд.

Как многим известно, лазеры бывают газовые, твёрдотельные, полупроводниковые, жидкостные, на свободных электронах, газодинамические и, наверное, ещё какие-нибудь. Лично мне всегда был интересен именно твёрдотельный лазер — огромная импульсная мощность и относительная простота конструкции.

Из каких же компонентов состоит твёрдотельный лазер? Во-первых, нам потребуется активный элемент.

Чаще всего, активные элементы делают из кристаллов синтетического рубина, алюмо-иттриевого граната (YAG) и иттрий-алюминиевого перовскита (YAP), активированных неодимом, а так же неодимового стекла (возможно, вам попадётся и что-нибудь другое, но это вряд ли).

Такие активные элементы (далее — АЭ) можно приобрести (вот что было недоступно школьнику в 90-е!) на avito, ebay, meshok или на специализированных лазерных форумах типа lasers.org.ru или laserforum.ru. При этом следует учесть, что цены на лазерных форумах гораздо ниже, чем на барахолках и очень часто продавцы там точно знают, что продают. На барахолках же каждый второй продаёт «рубин» по удивительно высоким ценам, при этом их не смущает слегка фиолетовый цвет продаваемого «рубина». Поэтому первым пунктом при покупке АЭ будет его идентификация.

Как отличить кристаллы от стёкол? Обычно, кристаллические АЭ имеют гладкую поверхность стержня (есть исключения: например, для YAG и YAP иногда поверхность делается с рифлением, чтобы избежать паразитной генерации) и не имеют утолщений с краёв. Стеклянные же АЭ имеют шершавую поверхность и утолщения с краёв. Возможно, из этих правил есть исключения, но мне они неизвестны.

Рубины часто имеют неокрашенные участки с концов стержня — это сделано потому, что рубин поглощает собственное излучение, а так как концы АЭ будут находиться в кристаллодержателе и свет лампы накачки туда не доберётся, то для сплошного окрашенного АЭ это приведёт к невозможности или сильном снижении эффективности работы лазера. У гранатов, перовскита и стекла с неодимом таких проблем нет — собственное излучение они поглощают очень слабо.

Некоторые АЭ могут иметь небольшие скосы, которые мешают паразитной генерации (либо при больших скосах под углом Брюстера дают линейно-поляризованное излучение). Возможно и нанесённое просветление на торцах. Со скосами брать АЭ не советую — сьюстировать их будет сложнее, да и вообще, насколько мне известно, эти стержни, обычно, от усилителей, а не от генераторов. Встречаются также рубины с уже нанесёнными зеркалами на торцах. Такие рубины применяли в лазерных дальномерах и покупка такого АЭ избавит вас от поиска зеркал под рубин и юстировки резонатора, хотя долговечность такого лазера не будет особенно большой.

Следует предостеречь от покупки большого АЭ, особенно, рубинового. Прокачать такие АЭ очень трудно. Легче всего качаются гранат и перовскит, тяжелее стёкла, а рубин вообще жрёт накачку как не в себя.

YAG
YAG
Рубин
Рубин
Стекло с неодимом
Стекло с неодимом

Выбирая АЭ следует учесть, что стёкла с неодимом бывают силикатные и фосфатные (есть и ещё куча типов стёкол, но я сильно сомневаюсь, что вы их встретите в продаже). Фосфатные обладают большей эффективностью, но имеют меньшую механическую и термическую прочность. Вообще, по тепловым и механическим параметрам любое стекло сильно проигрывает и рубину и гранату и перовскиту. Марки стёкол доступные самодельщикам это ЛФС (лазерное (или люминесцентное?) фосфатное стекло), ЛГС (лазерное (или люминесцентное?) генерирующее стекло), КГСС (думаю, это расшифровывается как квантово-генерирующее какое-то там (силикатное? фосфатных не было?) стекло) или ГЛС ( генерирующее люминесцирующее стекло). ЛГС и КГСС — это старые названия стёкол. Самое распространённое стекло ГЛС-1 (ему соответствует также какой-то номер старого КГСС и, возможно, ЛГС). Всё с ним хорошо, но оно в отличие от остальных типов стёкол боится ультрафиолета. Ультрафиолета, впрочем боятся и гранат с перовскитом и даже рубин. От него они теряют эффективность работы, так как от ультрафиолета восстанавливаются всегда присутсвующие в них примеси.

Также гранат немного менее эффективен, чем перовскит. Отличить гранат от перовскита можно используя тот факт, что перовскит обладает поляризацией, а значит, посмотрев через торец АЭ на картинку на экране ЖК монитора и вращая кристалл, вы увидите изменение светопропускания от максимума до минимума и обратно. Гранат таким свойством не обладает.

Перовскит и рубин дают поляризованное излучение лазера (обычно, они вырезаны так, чтобы получалось поляризованное излучение). Гранат даёт неполяризованное излучение.

Кстати, если взять зелёный лазер и посветить в рубин, он засветится ярким красным цветом. Гранат и стекло с неодимом излучают в ИК и их свечение вы не увидите, хотя луч зелёного лазера они поглотят как и положено.

Если вам интересно, почему так любят стёкла при всех их термических и механических проблемах, то всё тут дело в возможных размерах АЭ и высокой концентрации неодима, невозможной в кристаллах — ионы активатора имеют иные размеры, чем ионы основных элементов кристалла. Стекло же аморфный материал и позволяет накачать неодима сколько душе угодно. К тому же в стекле достигается более высокий порог генерации, чем в гранате и перовските, а это значит, что лазер накопит больше энергии перед высвечиванием.

Так, с идентификацией закончили. Теперь надо выяснить, на что же нам надеяться, выбирая АЭ. Для рубина можно получить генерацию яркой красной линии 694 нм в импульсном режиме (в непрерывном вы дома точно не получите), стёкла с неодимом работают строго в импульсном режиме (иначе разрушаются) в ИК на 1062 нм для силикатного стекла и 1054 нм для фосфатного, гранат и перовскит можно запустить как в импульсном, так и в непрерывном режиме (зависит от количества запихнутого в них неодима) в том же ИК на 1064 нм. У неодима есть и другие линии генерации, но основные именно указанные выше. Также усиление у граната и перовскита на порядок выше, чем у стёкол. Порог генерации тоже существенно ниже. У рубина же из-за трёхуровневой схемы накачки порог генерации весьма высок. Вообще, порог генерации сильно связан с концентрацией в АЭ допанта (неодим для стёкол и гранатов/перовскита и хром для рубина ), габаритами АЭ и параметрами зеркал резонатора. В конце статьи я приведу ссылку на мою программу расчёта пороговой энергии накачки. В луч лазера пойдёт энергия сверх пороговой с КПД около 1%.

Для АЭ потребуется резонатор. Проще всего собрать резонатор Фабри-Перо. Состоит он просто из двух параллельных зеркал. Зеркала, правда, нужны не простые, а диэлектрические. Одно с почти 100% отражением, а второе с необходимым пропусканием (обычно, 50% для стекла и 90% для граната и перовскита в импульсном режиме и 15% в непрерывном). Для неодимовых АЭ этими зеркалами на 1064 нм завален весь алиэкспресс и стоят они довольно дёшево, только не перепутайте пропускание с отражением. Вообще-то, для импульсного режима зеркала должны обладать высокой лучевой прочностью, но китайцы параметры своих зеркал вам вряд ли скажут.

Для рубина же вас ожидает сюрприз. Несмотря на то, что рубиновый лазер исторически был первым, он оказался неудобным из-за трёхуровневой схемы накачки, а потому таких лазеров было сделано мало. Зеркала на 694 нм на алиэкспрессе не купишь, а на барахолках цена вас не обрадует (десяток тысяч рублей и выше за зеркало). Тем не менее, мне такие зеркала от ГОР-100 (генератор оптический на рубине, 100 Дж), пусть и немного исцарапанные, подарили на одном из лазерных форумов, за что я безмерно благодарен этому щедрому человеку (его ник Silverray). Есть, конечно, вариант использовать зеркала с кареток DVD-привода (зелёненькое на просвет как выходное и синенькое на просвет как глухое), но мне не удалось с ними запустить рубиновый лазер, хотя есть сведения об успешности такого решения. Исторически в рубиновом лазере зеркала были нанесены на торцы просто серебряным покрытием, но дома такое сделать смогут разве что любители химии. К тому же серебро поглощает излучение и выгорает, а его коэффициент отражения не идёт ни в какое сравнение с коэффициентом отражения диэлектрического зеркала.

Глухое зеркало от ГОР-100.
Глухое зеркало от ГОР-100.
Резонатор лазера.
Резонатор лазера.

Зеркала резонатора требуется настраивать. Для этого нужны подвижки. Я сделал самодельные подвижки, но рекомендую купить готовые на алиэкспресс (там они для CO2-лазера) или на барахолках. Дело всё в том, что там винтовые пары шлифованые, а не нарезанные. Шлифованная пара не болтается и не люфтит. В стройтоварах вы такого точно не найдёте.

Промышленная подвижка зеркала
Промышленная подвижка зеркала
Самодельная подвижка зеркала
Самодельная подвижка зеркала

Лампа, отражатель, АЭ собираются в один блок, называемый квантроном. Квантрон можно купить готовый (например, К-107, К-301), а можно сделать самому. Отражатель квантрона (да и сам квантрон) можно сделать, например, из керамических корпусов предохранителей (автор этой идеи, как я понимаю, Nerv с lasers.org.ru). Промышленные отражатели тоже бывают керамические или зеркальные. Зеркальные со временем обгорают. Керамические не обгорают. Клеить керамические корпуса самодельного квантрона между собой надо очень аккуратно, так как осевшие внутри пары клея мгновенно обуглятся при вспышке лампы накачки. Может возникнуть искушение взять лампу и АЭ и просто обмотать их фольгой. Да, это называется плотная упаковка и она отлично работает! Вот только фольга нужна толстая — пищевая довольно быстро придёт в негодность и разлетится хлопьями в лучшем случае, а в худшем начнёт плавиться и въестся в колбу лампы тёмными пятнами.

Предохранители с керамическим корпусом для отражателя квантрона.
Предохранители с керамическим корпусом для отражателя квантрона.
Самодельный квантрон без отражателя на основании
Самодельный квантрон без отражателя на основании
Квантрон К-107 с отражателем, активным элементом и лампой
Квантрон К-107 с отражателем, активным элементом и лампой
Плотная упаковка
Плотная упаковка

Накачку твёрдотельного лазера, обычно, осуществляют лампой или другим лазером. Наш вариант — лампа. Лампы бывают для непрерывных лазеров и для импульсных. Отечественные лампы для непрерывной накачки имеют маркировку ДНП (дуговая, для накачки, с прямым телом свечения) и являются криптоновыми лампами. Я с ними не работал. Импульсную накачку же осуществляют ксеноновыми лампами серий ИСП (не работал с ними), ИФП (импульсная, фотоосветительная, с прямым телом свечения) и ИНП (импульсная, для накачки, с прямым телом свечения). Для ламп ИНП указывается диаметр и длина разрядного промежутка. Например, ИНП3-7/80 имеет длину 80 мм и 7 мм диаметр разрядного канала. Серия ИФП маркируется по максимальной энергии, например, ИФП-800 это лампа для разряда 800 Дж.

Крайне не рекомендую смотреть на эти лампы в момент вспышки!

Для сравнения, энергия разряда советской фотовспышки «Чайка» всего 25 Дж. А тут 800 Дж! А есть ещё ИФП-5000… и ИФП-20000. :) Требуемое время вспышки лампы, обычно, в районе 1-10 миллисекунд. Можно догадаться, что лампы в процессе работы сильно греются и их, как и АЭ приходится охлаждать дистиллированной водой. Впрочем, если давать импульсы редко, лампа и сама успеет охладиться. Между прочим, в спектре этих ламп очень много ультрафиолета (на заметку для дезинфекторов — за миллисекунду любой вирус и бактерия просто испарится, правда, часто вместе с поверхностью — тёмная бумага, например, обугливается), что вредно для кристаллов и стекла ГЛС-1, как я уже выше сказал. Этот ультрафиолет отсекают либо добавками в раствор охлаждения лампы (хромат калия K2CrO4 или бихромат калия K2Cr2O7 в концентрации 0,02%), либо нанесённым на баллон лампы покрытием (как у лампы ИНП3-7/80 A), которое, увы, без охлаждения имеет свойство выгорать. Я в своём лазере водяное охлаждение пока не использую. Воздушное же применять не стоит, так как оно требует хорошей очистки воздуха, иначе попавшая пылинка на АЭ, зеркала, лампу приведёт к прогару в месте её нахождения. А вам такое точно не надо. Длина разрядного промежутка в лампе должна быть для рубина не меньше длины активной (окрашенной) части. Для неодима же допустима меньшая длина разрядного промежутка.

Лампа ИНП3-7/80А.
Лампа ИНП3-7/80А.

Чтобы запустить лампу, требуется батарея боевых конденсаторов на заданное напряжение (зависит от лампы и обычно составляет около киловольта и выше) и поджигающий импульс в десяток-два киловольт, обеспечивающий пробой канала в лампе. Схем зажигания две: внешний поджиг и последовательный. Для внешнего поджига высоковольный импульс подаётся на навитый на баллон лампы никелевый электрод. Для последовательного в цепь питания лампы подключается поджигающий трансформатор. Мой выбор — последовательный поджиг — нет оголённых электродов снаружи баллона лампы. На этом этапе стоит задуматься о проводах, выдерживающих такие напряжения и токи. Я выбрал ПВМП-4 сечением 0.75. Маловато сечение, конечно, но пока хватает и к тому же можно их связать в параллель.


Внешний поджиг
Внешний поджиг
Последовательный поджиг
Последовательный поджиг

Трансформатор поджига иногда можно купить (например, марки ТИС-3), но я сначала сделал его из сердечника ТВС, а потом собрал ещё один новый трансформатор из четырёх склеенных ферритовых колец наружным диаметром 4.5 см, внутренним 3 см и высотой 1.5 см каждое, после склеивания обмотанными фторопластовой лентой. На этот каркас я намотал провод ПВ-1 сечением 1 мм^2 в количестве 17 витков. Всё это щедро залито эпоксидкой, ибо там десяток киловольт таки проскакивает. Первичная обмотка сделана из одного витка провода ПВ-1 сечением 4 мм^2 (на фото ниже старый трансформатор на базе сердечника от ТВС, в котором первичка просто болт — так работает хуже, чем если намотать полноценный виток), на который коммутируется разрядный конденсатор 2 мкФx1500 В, создавая во вторичке трансформатора поджигающий импульс. Этот импульс можно использовать для мгновенной разрядки основной батареи конденсаторов в лампу, а можно им сперва зажечь в лампе дежурную дугу в которую потом уже вгонять энергию для накачки с нужной частотой. Устройство для такой дуги называется симмер, если дуга горит постоянно, или певдосиммер, если дуга не горит постоянно, а вспыхивает за некоторое время до разряда. Дежурная дуга очень сильно увеличивает ресурс лампы, но я пока её не делал. Так что мой вариант — разрядка батареи конденсаторов сразу в поджигающий импульс.

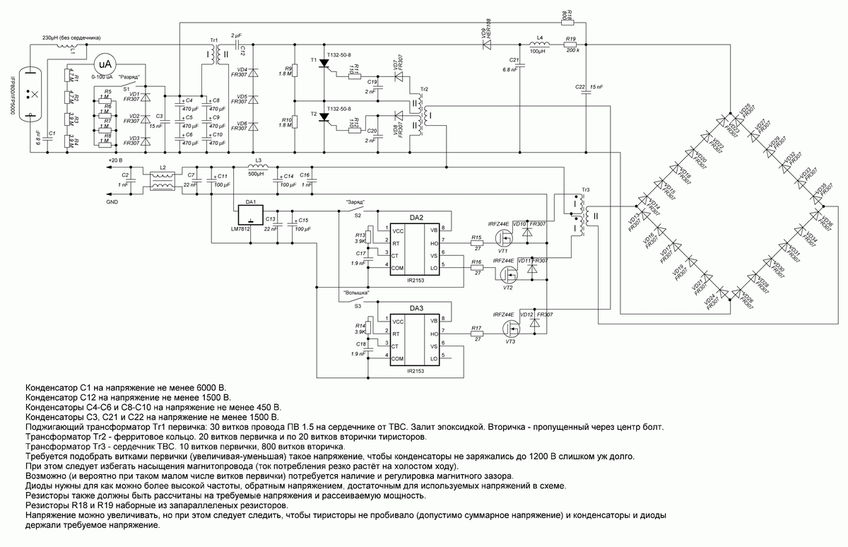
Вообще, мой блок питания лампы имеет вот такую вот схему:


Схема блока питания лазера. ВНИМАНИЕ! Конденсатор C1 не ставить!!!
Схема блока питания лазера. ВНИМАНИЕ! Конденсатор C1 не ставить!!!

Это обычный повышающий push-pull преобразователь с 25 В до 1600 В. В процессе настройки у меня часто горели тиристоры, и я экспериментальным путём выяснил, что если управлять тиристорами серией импульсов, то они почти не выгорают. «Почти», потому что один раз за четыре месяца такой случай всё же случился и я добавил после этого случая дополнительную защитную цепочку. Дроссель в цепи питания лампы нужен для обеспечения «мягкого» разряда лампы. Расчёт оптимальных параметров зажигания ламп есть в книжке Вакуленко «Источники питания лазеров», а часть этого расчёта есть в моей программе расчёта пороговой энергии накачки лазера.

Следует особо предупредить: напряжение и энергия конденсаторов смертельно опасны! Разряд заряженных конденсаторов вне лампы вызовет мощную вспышку света и звука, как от взрыва с возможной баротравмой! Прикосновение к электродам приведёт к гарантированной вашей аннигиляции с возможными переломами из-за резких сокращений мышц.

Какую энергию потребуется запасать в конденсаторах? Ну, как минимум не ниже пороговой. У меня конденсаторы запасают не меньше 600-800 Дж. Пиковое — 2200 Дж. Конденсаторы, кстати, очень желательны малоиндуктивные, а это значит, электролиты для накачки плохи. Впрочем, время жизни уровня в рубине 3 мс, поэтому для рубинового лазера электролитические конденсаторы подходят хорошо, только их нужно шунтировать обычным конденсатором, чтобы обратная волна при зажигании лампы не прошла через электролиты и не вызвала их деградацию с последующим взрывом внутри банки. :) Да, такое у меня было. Поэтому я теперь запускаю лазер в наушниках — и так после коронавируса свист в ушах/в голове до конца не прошёл, а после «бабаха» свист только усиливается и потом требует опять лечения. Для электролитических конденсаторов также можно отказаться от дросселя — они и так весьма тормознутые.

Для неодимого лазера желательны конденсаторы типа К75-40б и подобные, так как время жизни уровня в неодиме меньше миллисекунды (точное значение в разных средах по-разному).

Фото моего блока питания. Трансформатор ещё старый на ТВС
Фото моего блока питания. Трансформатор ещё старый на ТВС

Не забудьте также про защитные очки — вторые глаза в комплект, как известно, не входят, а мастера тлейлаксу у нас не водятся. Я купил РОСОМЗ ЗН22-СЗС22 LAZER 22203. Для 694 нм оптическая плотность у них 3 (ослабляют в тысячу раз), а для 1064 оптическая плотность 6 (ослабляют в миллион раз). Разумеется, смотреть прямо в луч что без, что в очках категорически недопустимо!

Очки для защиты от лазерного излучения
Очки для защиты от лазерного излучения

Основанием для лазера должна служить массивная плита. Чем она массивнее и прочнее, тем лучше, потому что точность юстировки требуется около 10 угловых секунд для рубина и несколько грубее для граната, перовскита или стекла. Гранат и перовскит вообще прощают косо поставленные зеркала — усиление у них очень велико и проходов луча в резонаторе нужно не так много. Даже выходное зеркало для граната и перовскита в импульсном режиме можно заменить на простую стеклянную пластинку (отражение около 10% с двух граней). Так что самодельщикам рекомендую гранат и перовскит прежде всего! Не разочаруют.

Собрав всё на основании, лазер требуется отъюстировать, то есть выставить зеркала параллельно друг другу и торцам АЭ (это важно — косые отражение от торцов снизят энергию луча). Как это сделать? Возьмите обычную лазерную указку (это будет пилотный лазер) и зеркальный блин от винчестера. Приклейте к блину сантиметровый пластиковый треугольник (квадрат распилите на две части по диагонали и ту часть, которую пилили и приклейте). Просверлите в центре уголка (и через зеркальный блин) отверстие около 0.5-1 мм. Наклейте на уголок указку, чтобы луч проходил через отверстие. Указку с наклеенным блином зажмите в тиски или поставьте на штатив от фотоаппарата (тут придётся мудрить с креплением, но этот вариант сильно удобнее — можно углы и высоту легко менять). В данной схеме блин будет играть роль зеркала, отражая вам обратно отражённый от зеркал луч, ибо в конце коридора искать луч глазами очень трудно, а тут он будет отражаться почти рядом с вами). А дальше включите получившийся пилотный лазер и отодвиньте от юстируемого лазера на пару-тройку метров. Совместите по высоте луч, чтобы он проходил через резонатор, и ловите юстировками зеркал и поворотами АЭ (вместе со станиной лазера) на потолке отражения торца АЭ и зеркал, загоняя их отражения на блине винчестера в точку выхода луча пилотного лазера. Совместили? Ну вот и вся юстировка. Относительно грубо, конечно, но часто работает с первого раза. Подстроить можно будет потом по отпечаткам уже запуская хоть чуть-чуть работающий лазер. Проблемы могут возникнуть, когда лазер работает вблизи порога — там фиг отпечаток на мишени увидишь — мала энергия. Но тут уже ничего не поделаешь, надо стараться попадать. Автоколлиматором, конечно, было бы гораздо удобнее и точнее юстировать, но где ж его дома возьмёшь…

А теперь результаты

Луч рубинового лазера на мишени
Луч рубинового лазера на мишени

Рубиновый.

Стекло ГЛС-9П 12x260 с неодимом

Гранат с неодимом по металлу

Гранат с неодимом по пластику

В соответствии с книгой «Лазеры на алюмоиттриевом гранате с неодимом» (Зверев, Голяев, Шалаев, Шокин. 1985 г. ) я сделал программу расчёта минимальной пороговой энергии накачки неодимовых и рубиновых лазеров.

Программа расчёта минимальной энергии накачки лазера и параметров вспышки лампы.

-20

Всё вроде бы работает в расчёте, но вот неизвестна достоверность результатов расчёта (это я и предлагаю вам оценить).

Также есть особенности:

Мне неизвестен квантовый выход люминесценции для граната. Я взял его как 0.59.

Длительность импульса вспышки считается как 2*sqrt(L*C) и не переносится автоматически в поле «Время вспышки, с». Это вам надо делать ручками, если вы согласны с полученным в расчёте временем.

Я не проверяю тип введённых данных и диапазоны их изменения. Возможно, потом это сделаю, если программа всё-таки даёт достоверные результаты.

Для стекла с неодимом мне неизвестна населённость нижнего лазерного уровня. Я масштабирую населённость в гранате с известной концентрацией неодима к заданной в стёклах или гранате.

P.S. Часть картинок в статье взята из интернета и принадлежит их авторам.

P.P.S. Выражаю благодарность всему форуму Lasers.org.ru, помогавшему мне собирать все эти лазеры.