Добавить в корзинуПозвонить
Найти в Дзене
Колесный Доктор

Замена воздушного фильтра двигателя Ford Focus I своими руками

Введение Воздушный фильтр двигателя — это важный компонент, который защищает двигатель от пыли, грязи и других частиц. Он играет ключевую роль в поддержании эффективности работы двигателя и продлении его срока службы. В этой статье мы рассмотрим процесс замены воздушного фильтра на Ford Focus I. Подготовка к работе Перед началом работы убедитесь, что у вас есть все необходимые инструменты и материалы: Также рекомендуется надеть перчатки, чтобы защитить руки от грязи и пыли. Расположение воздушного фильтра На Ford Focus I воздушный фильтр расположен в моторном отсеке, обычно рядом с двигателем. Точное расположение может варьироваться в зависимости от года выпуска и типа двигателя вашего автомобиля. Рекомендуется обратиться к руководству по эксплуатации или проконсультироваться с профессионалом, если вы не уверены, где находится воздушный фильтр. Процесс замены Заключение Замена воздушного фильтра — это простая процедура, которая может быть выполнена самостоятельно без специальных инст

Введение

Воздушный фильтр двигателя — это важный компонент, который защищает двигатель от пыли, грязи и других частиц. Он играет ключевую роль в поддержании эффективности работы двигателя и продлении его срока службы. В этой статье мы рассмотрим процесс замены воздушного фильтра на Ford Focus I.

Подготовка к работе

Перед началом работы убедитесь, что у вас есть все необходимые инструменты и материалы:

  • Новый воздушный фильтр.
  • Отвёртка.
  • Чистая тряпка или салфетка.
  • Инструкция по эксплуатации автомобиля (при необходимости).
-2

Также рекомендуется надеть перчатки, чтобы защитить руки от грязи и пыли.

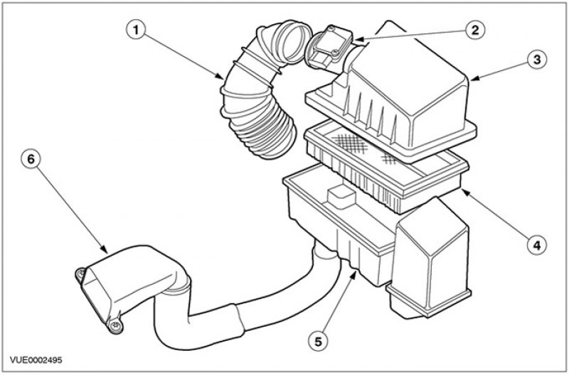
Расположение воздушного фильтра

На Ford Focus I воздушный фильтр расположен в моторном отсеке, обычно рядом с двигателем. Точное расположение может варьироваться в зависимости от года выпуска и типа двигателя вашего автомобиля. Рекомендуется обратиться к руководству по эксплуатации или проконсультироваться с профессионалом, если вы не уверены, где находится воздушный фильтр.

Процесс замены

  1. Откройте капот и найдите воздушный фильтр. Обычно он находится в верхней части двигателя, рядом с воздухозаборником.
  2. Открутите винты или зажимы, которые крепят крышку воздушного фильтра. Они могут быть расположены по бокам или сверху крышки.
  3. Аккуратно снимите крышку воздушного фильтра и отложите её в сторону.
  4. Извлеките старый воздушный фильтр из корпуса. Обратите внимание на состояние фильтра: если он сильно загрязнён или повреждён, рекомендуется заменить его немедленно.
  5. Очистите корпус воздушного фильтра от пыли и грязи с помощью чистой тряпки или салфетки.
  6. Установите новый воздушный фильтр в корпус. Убедитесь, что фильтр правильно установлен и плотно прилегает к корпусу.
  7. Закройте крышку воздушного фильтра и закрутите винты или закрепите зажимы.
  8. Проверьте, что крышка надёжно закреплена и нет утечек воздуха.

Заключение

Замена воздушного фильтра — это простая процедура, которая может быть выполнена самостоятельно без специальных инструментов или навыков. Регулярная замена воздушного фильтра поможет поддерживать эффективность работы двигателя и продлить его срок службы. Если у вас возникнут какие-либо проблемы или вопросы во время замены воздушного фильтра, обратитесь к руководству по эксплуатации вашего автомобиля или проконсультируйтесь с профессиональным механиком.