Добавить в корзинуПозвонить
Найти в Дзене
Старый радио любитель

Старые журналы. "Ham radio horizons" №2 1979 год.

Всегда интересно узнать, что делают и чем гордятся другие радиолюбителем. Как теперь говорят: "Это является вызовом". Не знаю, как с "вызовом", но часто хочется повторить какую-то конструкцию, особенно не сложную :)). Вот и пролистывая журналы "Ham radio horizons" наткнулся на описание простенького приемника, который, по словам его автора Bill Wildenhein (W8YFB) в чем-то лучше легендарного Hammarlund HQ-129X. Hammarlund HQ-129X - это профессиональный послевоенный приемник, построенный на лампах по супергетеродинной схеме с одним преобразованием частоты. Он имеет непрерывный диапазон от 540 кГц до 31 МГц, разбитый на 6 диапазонов. Промежуточная частота 455 кГц и, чтобы обеспечить избирательность по зеркальному каналу, он имеет резонансный УВЧ. Фишечкой является наличие узкополосного кварцевого фильтра на одном кварце. На рис. 2. этот фильтр выделен красным пунктиром. Полоса регулируется путем изменения добротности контура L19C22. Даже такой простой кварцевый фильтр позволяет получить п

Всегда интересно узнать, что делают и чем гордятся другие радиолюбителем. Как теперь говорят: "Это является вызовом". Не знаю, как с "вызовом", но часто хочется повторить какую-то конструкцию, особенно не сложную :)). Вот и пролистывая журналы "Ham radio horizons" наткнулся на описание простенького приемника, который, по словам его автора Bill Wildenhein (W8YFB) в чем-то лучше легендарного Hammarlund HQ-129X.

Hammarlund HQ-129X - это профессиональный послевоенный приемник, построенный на лампах по супергетеродинной схеме с одним преобразованием частоты.

Рис. 1. Из инструкции по эксплуатации Hammarlund HQ-129X .
Рис. 1. Из инструкции по эксплуатации Hammarlund HQ-129X .

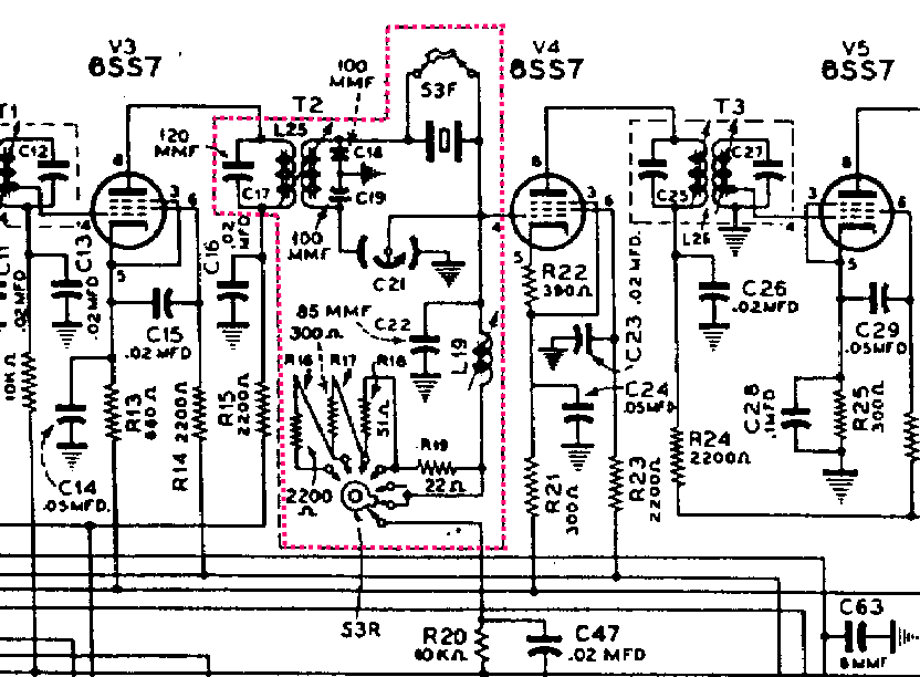
Он имеет непрерывный диапазон от 540 кГц до 31 МГц, разбитый на 6 диапазонов. Промежуточная частота 455 кГц и, чтобы обеспечить избирательность по зеркальному каналу, он имеет резонансный УВЧ. Фишечкой является наличие узкополосного кварцевого фильтра на одном кварце.

Рис. 2. Из инструкции по эксплуатации Hammarlund HQ-129X .
Рис. 2. Из инструкции по эксплуатации Hammarlund HQ-129X .

На рис. 2. этот фильтр выделен красным пунктиром. Полоса регулируется путем изменения добротности контура L19C22. Даже такой простой кварцевый фильтр позволяет получить полосу менее 1 кГц для приема телеграфа. Чувствительность этого 11-ти лампового тяжеловеса (более 21 кг) составляла менее 10 мкВ.

Но вернемся к статье в журнале.

Рис. 3. Из журнала "Ham radio horizons" №2 1979 год
Рис. 3. Из журнала "Ham radio horizons" №2 1979 год

Схема, предложенная Биллом, очень проста.

Рис. 4. Из журнала "Ham radio horizons" №2 1979 год
Рис. 4. Из журнала "Ham radio horizons" №2 1979 год

Схема в общем-то как у Хаммарлунда, но нет УВЧ, зато ПЧ=1746 кГц. Поэтому избирательность приемника Билла по зеркальному каналу не хуже, чем у Хаммарлунда. На входе стоит ограничитель на встречно-параллельных диодах, что объясняется тем, что Билл использует полноразмерные антенны на 80 и 40 м. Входной контур перестраивается в широком диапазоне: от 2,2 до 8,5 МГц.

Интересно, что ГПД (очень стабильный, по словам Билла) работает на обоих диапазонах (80 и 40 м) без переключения. Здесь вот таится загадка. На 80 м в смесителе частота сигнала вычитается из частоты гетеродина, а на диапазоне 40 м наоборот, частота гетеродина вычитается из частоты сигнала. А ведь работа на обоих диапазонах ведется на нижней боковой полосе, а 40-ке она будет инвертироваться. Нужно переключать частоту кварцевого генератора, а она постоянна. Видимо, приемник заточен на телеграф, так как Билл пишет:"Если входящий сигнал имеет частоту 1746 кГц, а в детекторе продукта он смешивается с сигналом частотой 1747 кГц, то разница составляет 1 кГц (1000 Гц)."

В отличии от Хаммарлунда, полоса фильтра у Билла не переключается и составляет около 700 Гц.

УПЧ и второй смеситель выполнены на микросхеме МС1550. Заглядываем в datasheet, и понимаем, что микросхема очень проста:

Рис. 5. Из datasheet MC1550
Рис. 5. Из datasheet MC1550

Что-то это напоминает? А напоминает это половинку легендарной SA612.

Рис. 6. Из datasheet SA612.
Рис. 6. Из datasheet SA612.

И на МС1550 собран собственно приемник прямого преобразования на частоту 1746 кГц. Сигнал подается на вывод 1 (рис. 5), а сигнал гетеродина подается на вывод 10. На выходе (выводы 6 и 9) включен НЧ-трансформатор.

Все ВЧ и ПЧ катушки намотаны на ферритовых сердечниках: входной контур и L6L7 - на черных кольцах FT-37-61, L3L4 - на T-50-2, а катушка гетеродина намотана на желтом кольце T ·50-6. И вот с такой гетеродинной катушкой Билл получил стабильность частоты 5 Гц/час после получасового прогрева.

Теперь о низкочастотной части схемы.

Рис. 7. Из журнала "Ham radio horizons" №2 1979 год
Рис. 7. Из журнала "Ham radio horizons" №2 1979 год

А вот, глядя на эту схему понятно, что принимать Билл собирался и CW, и SSB, так как переключатель полосы в ФНЧ есть. А вот в кварцевом фильтре - нет! После ФНЧ стоит регулятор громкости, а затем - предварительный УНЧ на транзисторе 2N3391 с небольшим коэффициентом усиления (около 6), к выходу которого подключен УМЗЧ на LM380 с выходной мощностью около 2 Вт.

Обратите внимание, что для индикации включения используется не привычный для нас светодиод, а лампочка накаливания на 6,3 В.

В статье подробно описан процесс построения приемника, даются рисунки печатных для для различных узлов, марки используемых компонентов.

Рис. 8. Из журнала "Ham radio horizons" №2 1979 год
Рис. 8. Из журнала "Ham radio horizons" №2 1979 год

Вот этот простенький приемник на 6-ти транзисторах, не считая LM380, но учитывая МС1550 :)) имеет чувствительность 1 мкВ. И вообще, он просто прекрасный. Что сказать? Билл молодец - сам себя не похвалишь, другие могут не догадаться :)). Но можно позавидовать его энтузиазму. Главное, все получилось и весьма симпатично.

Рис. 9. Из журнала "Ham radio horizons" №2 1979 год
Рис. 9. Из журнала "Ham radio horizons" №2 1979 год

Всем здоровья, успехов и энтузиазма!