Добавить в корзинуПозвонить
Найти в Дзене
HandMaster Luk

Самодиагностика ЭБУ ЗМЗ 4063 карбюратор ГАЗ 3302!

Всем добра. ✌️ Да, да вы не ослышились именно диагностика. Так этот двигатель имеет микропроцессорную систему зажигания со своим ЭБУ. Микропроцессорная система зажигания предназначена для воспламенения рабочей смеси в цилиндрах двигателя с установкой оптимального угла опережения зажигания для данного режима работы двигателя. Эта система управляет работой электромагнитного клапана экономайзера принудительного холостого хода (ЭПХХ). Реклама. ООО «Яндекс Маркет», ИНН 9704254424, erid: 5jtCeReNx12oajvJY8QQwNo С помощью микропроцессорной системы зажигания достигается более экономичная работа двигателя; при повышении его мощностных показателей исключается работа двигателя с детонацией и выполняются нормы по токсичности выхлопных газов. Эта система долговечнее и надежнее по сравнению с классической системой зажигания. В ней отсутствуют детали, подвергающиеся износу (кроме электродов свечей зажигания). Электрическая схема управления двигателя ЗМЗ-406. Неисправности системы зажигания и ЭПХХ В б

Всем добра. ✌️

Да, да вы не ослышились именно диагностика. Так этот двигатель имеет микропроцессорную систему зажигания со своим ЭБУ. Микропроцессорная система зажигания предназначена для воспламенения рабочей смеси в цилиндрах двигателя с установкой оптимального угла опережения зажигания для данного режима работы двигателя. Эта система управляет работой электромагнитного клапана экономайзера принудительного холостого хода (ЭПХХ).

Реклама. ООО «Яндекс Маркет», ИНН 9704254424, erid: 5jtCeReNx12oajvJY8QQwNo

С помощью микропроцессорной системы зажигания достигается более экономичная работа двигателя; при повышении его мощностных показателей исключается работа двигателя с детонацией и выполняются нормы по токсичности выхлопных газов. Эта система долговечнее и надежнее по сравнению с классической системой зажигания.

В ней отсутствуют детали, подвергающиеся износу (кроме электродов свечей зажигания).

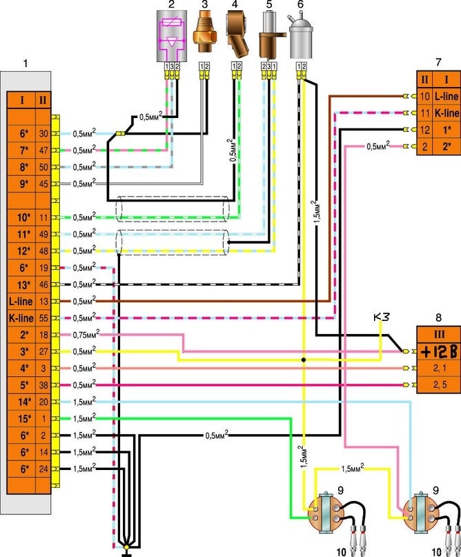
Электрическая схема управления двигателя ЗМЗ-406.
Электрическая схема управления двигателя ЗМЗ-406.

Неисправности системы зажигания и ЭПХХ

В блоке управления имеется режим самодиагностики, с помощью которого можно определить неисправности в системе. Блок управления в режиме самодиагностики выдает световые коды на контрольную лампу. Каждой неисправности присвоен свой цифровой код. Цифровой код определяется по числу включений контрольной лампы. Сначала считают число включений лампы для определения первой цифры кода (например, цифре 1 — одно короткое включение 0,5 c, цифре 2 — два коротких включения, затем идет пауза 1,5 с. После нее считают число включений для определения второй цифры кода, затем третьей, после чего идет пауза в 4 с, определяющая конец кода). Если код трехзначный, первая цифра высвечивается длительностью 1 с.

Для перевода блока управления в режим самодиагностики:

- отключить аккумуляторную батарею на 10—15 с и вновь подключить;

- запустить двигатель и дать ему поработать 30—60 с на холостом ходу, — отдельным проводом соединить выводы диагностической розетки согласно рисунку:

Диагностический разъём.
Диагностический разъём.

Розетка установлена в моторном отделении на щитке передка с левой стороны.

Диагностический разъём.
Диагностический разъём.

После перевода блока управления в режим самодиагностики контрольная лампа должна высветить код 12 три раза, что свидетельствует о начале работы режима самодиагностики. Следующие коды будут отображать имеющуюся неисправность или несколько неисправностей. Каждый код повторяется трижды.

После индикации всех кодов имеющихся неисправностей трижды высвечивается код 12 и индикация кодов повторяется.

Если блок управления не может определить неисправность или неисправностей нет, высвечивается код 12.

Диагностические коды неисправностей микропроцессорной системы зажигания и ЭПХХ:№ кода

12-Режим самодиагностики включен

15-Короткое замыкание в цепи датчика абсолютного давления воздуха

16-Обрыв цепи датчика абсолютного давления воздуха

21-Короткое замыкание в цепи датчика температуры двигателя

22-Обрыв в цепи датчика температуры двигателя

25-Низкий уровень напряжения в бортсети автомобиля

51, 52,61-65-Неисправность блока управления

53-Неисправность датчика положения коленчатого вала или высокий уровень помех в бортсети автомобиля

181-Короткое замыкание в цепи контрольной лампы диагностики (определяется только прибором DST2)

182-Обрыв в цепи контрольной лампы диагностики (определяется только прибором DST2)

197-Короткое замыкание в цепи клапана ЭПХХ

198-Обрыв цепи клапана ЭПХХ