Найти в Дзене
Всякое

Старая схема цветомузыкальной установки на современных компонентах

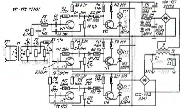
За основу взята схема из журнала «Радио» № 8 за 1990 год: Составляем таблицу замены компонентов: Другие компоненты могут быть любыми подходящими в соответствии с рекомендациями в упомянутом журнале. Далее рисуем схему в бесплатной программе проектирования плат (например, EASYEDA). Получаем примерно следующее: Для каждого компонента нужно выбрать типоразмер/вид корпуса. После этого программа составит спецификацию компонентов: Нужно проверить распиновку корпусов в базе данных программы. Если не соответствует, нужно отредактировать расположение выводов. Так, например, у корпуса TO-92 (транзистор BC546) выводы коллектора и эмиттера оказались расположены в другом порядке. А у тиристора BT151-800R в базе данных управляющий электрод оказался посередине, хотя на самом деле он расположен с краю. Я первый раз доверился программе и не проверил. Потом пришлось исправлять все на плате. Транзисторы можно было просто повернуть на 180 градусов. А с тиристорами пришлось удалять проводники и паять пере

За основу взята схема из журнала «Радио» № 8 за 1990 год:

Составляем таблицу замены компонентов:

-2

Другие компоненты могут быть любыми подходящими в соответствии с рекомендациями в упомянутом журнале.

Далее рисуем схему в бесплатной программе проектирования плат (например, EASYEDA). Получаем примерно следующее:

-3

Для каждого компонента нужно выбрать типоразмер/вид корпуса. После этого программа составит спецификацию компонентов:

-4

Нужно проверить распиновку корпусов в базе данных программы. Если не соответствует, нужно отредактировать расположение выводов. Так, например, у корпуса TO-92 (транзистор BC546) выводы коллектора и эмиттера оказались расположены в другом порядке. А у тиристора BT151-800R в базе данных управляющий электрод оказался посередине, хотя на самом деле он расположен с краю.

-5

Я первый раз доверился программе и не проверил. Потом пришлось исправлять все на плате. Транзисторы можно было просто повернуть на 180 градусов. А с тиристорами пришлось удалять проводники и паять перемычки.

-6

После того как все проверено, можно делать трассировку платы, например, с помощью функции автоматической трассировки. В данном случае плата делается односторонней, т.е. выбираем только нижний слой:

-7

На этом этапе можно выбрать некоторые параметры трассировки, например ширину трасс и угол поворота трасс.

В целом функция автоматической трассировки справляется со своей задачей хорошо. В процессе можно корректировать расположение деталей и другие параметры, и за несколько итераций получить приличную плату.

-8

Далее экспортируем трассировку платы в файл PDF и с помощью метода ЛУТ изготавливаем саму плату.

После сборки и настройки фильтров потенциометрами R27, R28, R29 можно посмотреть на предварительный результат. Кстати, в процессе отладки пришлось удалить резисторы R11, R17, R24, т.к. с ними лампы отказывались реагировать на звук.

-9

Работу устройства можно посмотреть здесь:

https://rutube.ru/video/private/c89ae91cc99f519a07bcf8a95ff659e1/?p=xBfvIUyzs6QaXpIpNyI9JA

Теперь нужно сделать корпус, поэтому продолжение следует 😊