Добавить в корзинуПозвонить
Найти в Дзене

Автоматический корректор оборотов мини дрели (сверлильного станка)

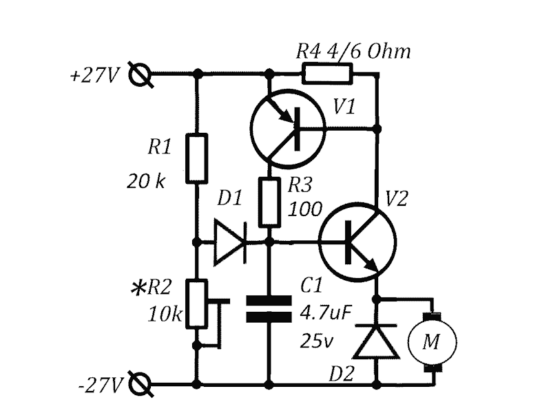
Написать эту статью, я решил так как у некоторых читателей возникли проблемы с реализацией данного устройства. Оно позволяет минимизировать риск поломки твердосплавного сверла. Устройство в принципе не может не работать, потому, что в нем используются стандартные схемные решения. Сначала рассмотрим несколько урезанную схему. Это обычный эмиттерный повторитель. Резисторы R1,R2 задают напряжение на базе V2 и задают скорость врашения холостого хода. Конденсатор С1 предотвращает резкие рывки двигателя. Диод D1 не дает конденсатору разряжаться через достаточно малое сопротивление R2. Без него емкость конденсатора придется увеличить на порядок. Диод D2 предотвращает выбросы самоиндукции и защищает V2. при малой мощности двигателя не обязателен. Резистор R4 токоизмерительный, о нем дальше. Теперь рассмотрим полную схему На холостых оборотах падение напряжения на R4 менее 0,6 вольта и транзистор V1 заперт и никакого влияния на работу предыдущей схемы не оказывает. При появлении нагрузки на в

Написать эту статью, я решил так как у некоторых читателей возникли проблемы с реализацией данного устройства. Оно позволяет минимизировать риск поломки твердосплавного сверла. Устройство в принципе не может не работать, потому, что в нем используются стандартные схемные решения.

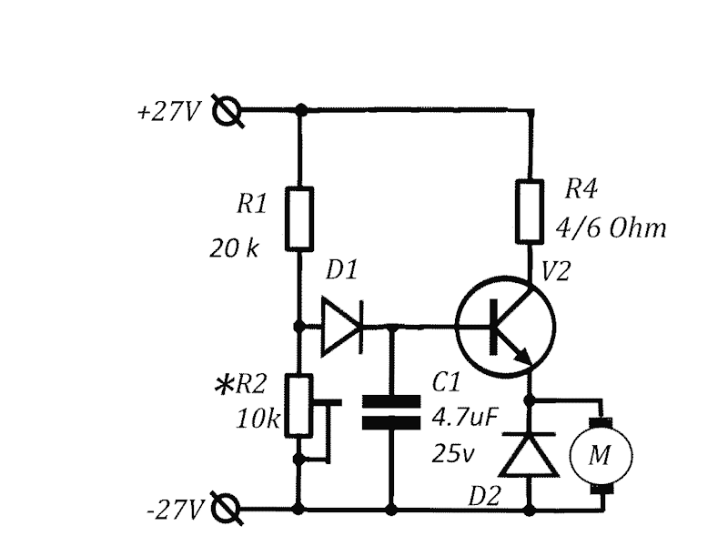
Сначала рассмотрим несколько урезанную схему.

Это обычный эмиттерный повторитель. Резисторы R1,R2 задают напряжение на базе V2 и задают скорость врашения холостого хода. Конденсатор С1 предотвращает резкие рывки двигателя. Диод D1 не дает конденсатору разряжаться через достаточно малое сопротивление R2. Без него емкость конденсатора придется увеличить на порядок. Диод D2 предотвращает выбросы самоиндукции и защищает V2. при малой мощности двигателя не обязателен. Резистор R4 токоизмерительный, о нем дальше.

Теперь рассмотрим полную схему

-2

На холостых оборотах падение напряжения на R4 менее 0,6 вольта и транзистор V1 заперт и никакого влияния на работу предыдущей схемы не оказывает. При появлении нагрузки на валу, падение напряжения на R4 увеличивается, транзистор V1 отпирается и через резистор R3 (служит для защиты V1 от перегрузки по току) практически все напряжение питания подается на базу V2. Двигатель выходит на максимальные обороты ограниченные токоизмерительным резистором R4.

Для настройки в начале разрываем соединение R3 коллектор V1. Переменным резистором R2, выставляем холостые обороты. Затем соединение восстанавливаем. Если обороты увеличиваются, уменьшаем R4. Если не увеличиваются даем нагрузку на вал, обороты должны возрасти. Подбором R4, добиваемся нужных результатов. Керамика по питанию приветствуется.

Немного о деталях:

Диод D1 -любой, особых требований к нему нет

Диод D2 на напряжение более 50 вольт и тока 1 А

Транзистор V1 - любой на напряжение КЭ более питания и ток 100 мА

Транзистор V2 - любой на напряжение КЭ более питания и ток более тройного тока двигателя.

Вот три моих конструкции с этой схемой. Первая на авиационном движке, а две других от принтеров.

-3