Найти в Дзене
AutoCAD Electrical

Автоматическое добавление номеров проводов

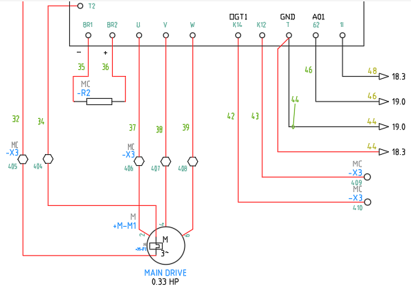
AutoCAD Electrical предлагает три основных способа автоматической нумерации проводов: · Номера проводов - Вставка номеров проводов в соответствии со свойствами чертежа. Используется, если нужно автоматически назначить большое количество номеров проводов. · 3 фазы – Вставка фиксированных номеров проводов для 3-фазных цепей с использованием заданного шаблона. Используется при назначении проводам буквенно – цифровых обозначений. · Редактировать номер провода – Вставка нового номера произвольного формата для выбранного провода или редактирование существующего. Используется, если нужно назначить или изменить номера для нескольких проводов.

AutoCAD Electrical предлагает три основных способа автоматической нумерации проводов:

· Номера проводов - Вставка номеров проводов в соответствии со свойствами чертежа. Используется, если нужно автоматически назначить большое количество номеров проводов.

-2

· 3 фазы – Вставка фиксированных номеров проводов для 3-фазных цепей с использованием заданного шаблона. Используется при назначении проводам буквенно – цифровых обозначений.

-3

· Редактировать номер провода – Вставка нового номера произвольного формата для выбранного провода или редактирование существующего. Используется, если нужно назначить или изменить номера для нескольких проводов.

-4