Добавить в корзинуПозвонить
Найти в Дзене
AutoCAD Electrical

Настройка расположения номеров проводов

В свойствах чертежа задается способ расположения номеров проводов по умолчанию. Средствами AutoCAD Electrical это расположение при необходимости можно изменить. На рисунке ниже показаны разные способы размещения номеров проводов: · Для номера провода 4 использованы настройки по умолчанию («Над линией соединения», «По центру»). · Для номера провода 11 использована выноска. · Номер провода 15 размещен на линии соединения. В зависимости от настроек в свойствах чертежа номера проводов могут размещаться: · Над линией соединения (слева для вертикальных проводников), · Под линией соединения (справа для вертикальных проводников) · На линии соединения. Чтобы настроить параметры размещения номеров проводов необходимо: 5. Назначить положение номера провода вдоль проводника: по центру или со смещением от начала проводника. Если выбирается смещение, то необходимо в соответствующее поле ввести его размер. 6. В разделе «Выноски» из списка выбрать необходимый способ размещения вын

В свойствах чертежа задается способ расположения номеров проводов по умолчанию. Средствами AutoCAD Electrical это расположение при необходимости можно изменить.

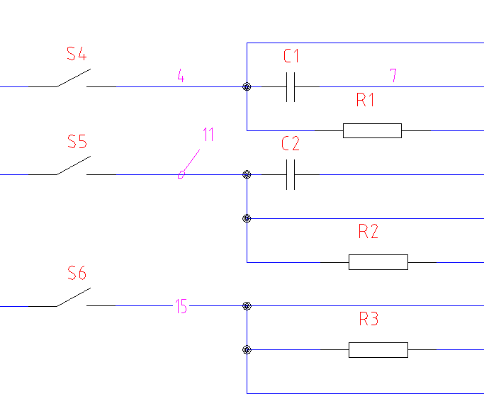
На рисунке ниже показаны разные способы размещения номеров проводов:

· Для номера провода 4 использованы настройки по умолчанию («Над линией соединения», «По центру»).

· Для номера провода 11 использована выноска.

· Номер провода 15 размещен на линии соединения.

В зависимости от настроек в свойствах чертежа номера проводов могут размещаться:

· Над линией соединения (слева для вертикальных проводников),

· Под линией соединения (справа для вертикальных проводников)

· На линии соединения.

-2

Чтобы настроить параметры размещения номеров проводов необходимо:

  1. Открыть диалоговое окно «Свойства чертежа».
  2. В диалоговом окне «Свойства чертежа» открыть вкладку «Номера проводов».
  3. В разделе «Размещение нового номера провода» активизировать необходимый способ размещения.
  4. Если выбран способ размещения «На линии соединения», то дополнительно вводится размер промежутка между концом провода и началом текста.
-3

5. Назначить положение номера провода вдоль проводника: по центру или со смещением от начала проводника. Если выбирается смещение, то необходимо в соответствующее поле ввести его размер.

-4

6. В разделе «Выноски» из списка выбрать необходимый способ размещения выносок с номерами проводов: По требованию, Всегда, Никогда.

-5

При изменении в свойствах чертежа способа размещения номеров проводов, расположение уже существующих номеров не изменяется.

Для изменения их места размещения необходимо удалить номера проводов и добавить их заново.