Добавить в корзинуПозвонить
Найти в Дзене
Х-СХЕМА

Приемник 1-V-3 с низковольтным питанием и солнечной панелью

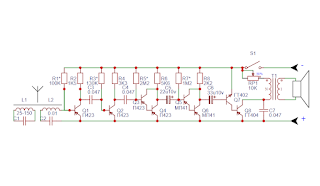
Этот приемник продолжает устойчиво принимать радиостанции даже там где нет приема фм диапазона так как этот приемник работает в диапазоне средних и длинных волн поэтому принимает радиовещательные станции на расстоянии сотни и даже на тысячи километров. Главная задача стояла при создании данного радиоприемника это: -Низковольтное питание (работает от 0.8 вольт). -Громкое звучание (работает не только с наушниками но и с динамиком). -Не сложная схема и простая в настройки (для начинающих радиолюбителей). Данную схему я разделил бы на три части это колебательный контур, усилитель высокой частоты и усилитель низкой частоты. -Давайте начнем с колебательного контура! (колебательный контур) Колебательный контур образован катушкой L1 и конденсатором С1. Элементом связи магнитной антенны и каскада УВЧ (усилителя высокой частоты) служит катушка L2, соединенная с эмиттером Q1 через разделительный конденсатор С2. Обе катушки намотаны виток к витку на бумажных или пластиковых каркасах и размещены на

Этот приемник продолжает устойчиво принимать радиостанции даже там где нет приема фм диапазона так как этот приемник работает в диапазоне средних и длинных волн поэтому принимает радиовещательные станции на расстоянии сотни и даже на тысячи километров.

Главная задача стояла при создании данного радиоприемника это:

-Низковольтное питание (работает от 0.8 вольт).

-Громкое звучание (работает не только с наушниками но и с динамиком).

-Не сложная схема и простая в настройки (для начинающих радиолюбителей).

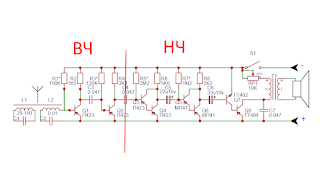
Данную схему я разделил бы на три части это колебательный контур, усилитель высокой частоты и усилитель низкой частоты.

-2

-Давайте начнем с колебательного контура!

(колебательный контур)

Колебательный контур образован катушкой L1 и конденсатором С1.

Элементом связи магнитной антенны и каскада УВЧ (усилителя высокой частоты) служит катушка L2, соединенная с эмиттером Q1 через разделительный конденсатор С2.

-3

Обе катушки намотаны виток к витку на бумажных или пластиковых каркасах и размещены на ферритовом стержне 100х8 мм марки 600НН или 400НН. Но как показывает практика то чем больше габариты сердечника тем лучше прием.

Для работы в диапазоне ДВ (длинных волн) катушка L1 и L2 содержит соответственно 270 и 20 витков провода 0.15-0.2 мм. В диапазоне СВ (средних волн) катушка L1 содержит 80-90, а катушка связи L2 7-8 витков такого же провода.

Перестройка входного контура производится конденсатором переменной емкости С1 типа КПК-2 или КПЕ (25-150 пФ).

-А теперь давайте рассмотрим УВЧ

(УВЧ усилитель высокой частоты)

-4

Усилительным элементом каскада УВЧ служит транзистор Q1 типа П423, нагруженный на резистор R2. Усиленные высокочастотные колебания с выхода УВЧ поступают через конденсатор С3 на базу транзистора Q2, где происходит детектирование сигнала.

-5

Настройка УВЧ сводится к установки коллекторных токов транзистора Q1 и Q2 подбором сопротивления резисторов R1 и R3. Так же хочу подметить что в этом каскаде надо использовать транзисторы с максимальным коэффициентом по усилению (60-80). Вместо транзисторов П423 можно применить любые другие высокочастотные новые и их старые аналоги (П401, П402, П403, П416, П420-П423 и другие).

-И на завершение рассмотрим УНЧ

(УНЧ усилитель низкой частоты)

-6

Продетектированный сигнал поступает на вход 3-х каскадного усилителя низкой частоты. Нагрузкой транзистора выходного каскада является высокоомный динамик или как в моем случаи сетевой трансформатор 220-24 вольта с сопротивлением высоковольтной обмотки в 1.2 кОм. Транзисторы можно использовать маломощные низкочастотные (МП39, МП41, МП42 и др.) с коэффициентом усиления порядка 40-60.

Настройка УНЧ производится подбором сопротивления R5 и R7 для получения максимальной громкости без искажений (в моем случаи я их вовсе убрал).

Подстроечный резистор RP1  в регуляторе громкости может быть сдвоенный с выключателем S1 или раздельно. Так же хочу отметить что приемник работает от широкого диапазона питающего напряжения от 0.8 до 4.2 вольт (или даже может выше не проверял). Соответственно чем выше напряжения питания тем громче вещает радиоприемник.

Транзисторы выходного каскада УНЧ (усилителя низкой частоты) ГТ402 и ГТ404 можно заменить на комплементарную пару кремневых транзисторов таких как КТ815 и КТ814 а все остальные транзисторы на КТ361 или на распространенные в советское время КТ315 но при этом надо изменить полярность питания и подобрать сопротивление резисторов смещения R1, R3, R5 и R7 Так же подобрав сопротивление этих резисторов приемник можно запитать от кроны на 9 вольт тем самым добиться еще громче звучания.

P.S. Подписываемся на наш ЮТУБ канал Х-СХЕМА и не пропускайте новые видео:)

Источник: https://x-cxema.blogspot.com/2024/12/1-v-3.html