Найти в Дзене
Старый радио любитель

Интересные статьи. Системы АРУ на транзисторах. (Для каскодного УПЧ).

Сегодня собирал каскодный усилитель, а в перерывах листал схемы в Интернете и наткнулся на интересную статью инженера И. Василькевича (предположительно это Игорь Викторович Василькевич, в последствии к.т.н.), опубликованную в журнале Радио, №4 за 1964 год. В глаза бросилась схема с каскодным включением транзисторов. Но речь в статье шла об эффективной системе АРУ для каскодного УПЧ. Обычно АРУ в каскодных схемах осуществляется путем изменения смещения на базе одного из транзисторов (чаще первого) каскода. Так, например, сделано в схеме тракта УПЧ А. Гуляева, В. Липатова, опубликованной в журнале Радио №5 за 1980 год. В этой схеме регулируется только первый каскад УПЧ путем изменения смещения на базе V2. Не смотря на это глубина АРУ хорошая - при изменении входного сигнала на 50 дБ выходной меняется на 2 дБ. Другой способ регулирования усиления я описывал в своей статье об УПЧ приемника "315-23." В статье И. Василькевича предлагается другой способ регулирования, а именно управляемый атт

Сегодня собирал каскодный усилитель, а в перерывах листал схемы в Интернете и наткнулся на интересную статью инженера И. Василькевича (предположительно это Игорь Викторович Василькевич, в последствии к.т.н.), опубликованную в журнале Радио, №4 за 1964 год. В глаза бросилась схема с каскодным включением транзисторов.

Но речь в статье шла об эффективной системе АРУ для каскодного УПЧ. Обычно АРУ в каскодных схемах осуществляется путем изменения смещения на базе одного из транзисторов (чаще первого) каскода. Так, например, сделано в схеме тракта УПЧ А. Гуляева, В. Липатова, опубликованной в журнале Радио №5 за 1980 год.

Рис. 1. Из журнала журнале Радио №5 за 1980 год.
Рис. 1. Из журнала журнале Радио №5 за 1980 год.

В этой схеме регулируется только первый каскад УПЧ путем изменения смещения на базе V2. Не смотря на это глубина АРУ хорошая - при изменении входного сигнала на 50 дБ выходной меняется на 2 дБ.

Другой способ регулирования усиления я описывал в своей статье об УПЧ приемника "315-23."

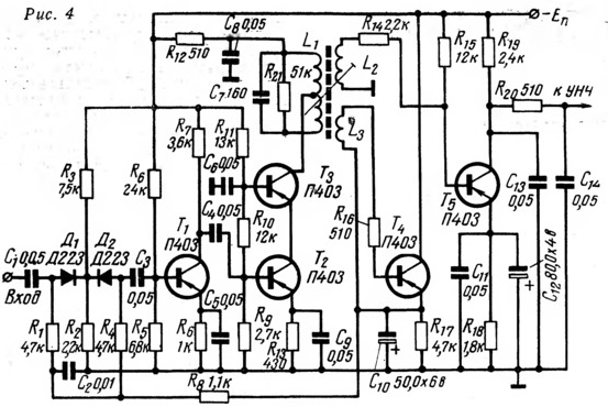
В статье И. Василькевича предлагается другой способ регулирования, а именно управляемый аттенюатор на входе УПЧ.

Рис. 2. Из журнала Радио, №4 за 1964 год.
Рис. 2. Из журнала Радио, №4 за 1964 год.

Этот аттенюатор состоит из двух встречно включенных диодов Д1 и Д2, а так резисторов цепи управления. Для работы системы АРУ используется часть выходного сигнала усилителя, снимаемая с катушки L3, который детектируется детектором на транзисторе Т4.

На катоды диодов подается отрицательное напряжение с делителя R2,R3, которое держит их открытыми при отсутствии сигнала или при малой его величине, так как в этом случае Т4 закрыт и потенциал на его эмиттере, а, следовательно, и на анодах диодов.

При сигнале достаточной величины транзистор Т4 начинает открываться и потенциал на его эмиттере растет, что ведет к повышению отрицательного потенциала на анодах диодов и они начинают закрываться.

Автором приводится регулировочная характеристика этой системы АРУ.

Рис. 3. Из журнала Радио, №4 за 1964 год.
Рис. 3. Из журнала Радио, №4 за 1964 год.

Как видно из графика, АРУ срабатывает при 0,3 мВ и поддерживает на выходе постоянный сигнал до напряжения на входе около 400 мВ, т.е. диапазон регулирования составляет более 60 дБ.

Собственно сам УПЧ двухкаскадный с транзисторным АМ детектором (УПЧ предназначен для вещательного приемника). Первый каскад - обычный, по схеме с ОЭ, второй - каскодный с резонансной нагрузкой. Обратите внимание на наличие резистора в эмиттерной цепи Т2 - он ограничивает ток транзисторов каскода и создает ООС по постоянному току, так как контур L1С7 по постоянному току имеет нулевое сопротивление. Этому же служит и развязывающий резистор R12.

Резистор R21, шунтирующий резонансный контур, не только расширяет полосу его пропускания, но и снижает усиление, повышая устойчивость усилителя.

Всем здоровья и успехов!