Добавить в корзинуПозвонить
Найти в Дзене
Байки про педальки

Буфер для аудиосигнала на операционном стереоусилителе

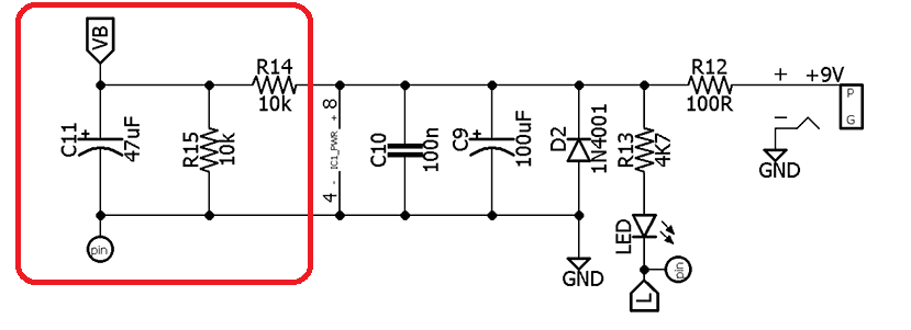
В статье про улучшение OCD уже был рассмотрен один из вариантов относительно качественного буфера. Но его можно и ещё немного улучшить. Во-первых: я там использовал схему задания опорного напряжения на двух резисторах (R1 и R2) Она в принципе работает, но чаще используется вариант с двумя резисторами и конденсатором. Соответствующий фрагмент легко видеть на схеме собственно OCD: Резисторы R14 и R15 делят напряжение питания пополам, а конденсатор C11 стоит параллельно R15 и стабилизирует это половинное питание, таким образом уменьшается шум. Использованный же мной вариант несколько более шумный (теоретически). Если мы попытаемся просто добавить конденсатор в нашу схему буфера (поставив конденсатор параллельно R1), то у нас будут проблемы - через него начнёт убегать аудиосигнал и мы получим срез высоких частот. Поэтому нам (если шум всё-таки хотим уменьшить) придется вернуться к более простой схеме буфера, когда есть внешний формирователь опорного напряжения (например такой же, как в OC

В статье про улучшение OCD уже был рассмотрен один из вариантов относительно качественного буфера. Но его можно и ещё немного улучшить.

Во-первых: я там использовал схему задания опорного напряжения на двух резисторах (R1 и R2)

Она в принципе работает, но чаще используется вариант с двумя резисторами и конденсатором. Соответствующий фрагмент легко видеть на схеме собственно OCD:

-2

Резисторы R14 и R15 делят напряжение питания пополам, а конденсатор C11 стоит параллельно R15 и стабилизирует это половинное питание, таким образом уменьшается шум. Использованный же мной вариант несколько более шумный (теоретически).

Если мы попытаемся просто добавить конденсатор в нашу схему буфера (поставив конденсатор параллельно R1), то у нас будут проблемы - через него начнёт убегать аудиосигнал и мы получим срез высоких частот.

Поэтому нам (если шум всё-таки хотим уменьшить) придется вернуться к более простой схеме буфера, когда есть внешний формирователь опорного напряжения (например такой же, как в OCD) и к нему подключается буфер (который мы уже видели в прошлой статье)

-3

Во-вторых: напомню, что я использовал стереоусилитель, при этом второй операционный усилитель никак не использовался и его пришлось специальным образом перевести в стабильный режим (а именно перевести в режим единичного усиления и подать на его вход какой-то сигнал из допустимого диапазона).

Ах, если бы только нам можно было как-то его использовать в блоке формирования опорного напряжения.....

-4

Подобное решение (совмещение лишнего операционного усилителя и схемы получения опорного напряжения) встречается, например, в педали Suhr Riot. Что в данном случае происходит: делитель напряжения R16/R17 формирует половинное напряжение, конденсатор C13 его стабилизирует, но затем оно поступает на вход операционного усилителя, сконфигурированного как буфер. Таким образом мы это опорное напряжение дополнительно стабилизируем (точнее избавим его от влияния флюктуаций континуума вызванных нестабильным потреблением тока остальной схемой) и это поможет ещё сильнее снизить шум. Ну и конечно же наш ранее лишний операционный усилитель теперь не лишний (а полезный) и при этом находится в абсолютно стабильном режиме работы (чего мы в общем-то и добивались).

Более того: в OCD резисторы делителя напряжения имеют достаточно малый номинал (10 килоом) - это для того, чтобы нагрузка от остальной части схемы (которая по сути будет подключена параллельно одному из резисторов и соответственно будет снижать его номинал) не оказывала сильно большого влияния на него. У Riot резисторы побольше (20 килоом), но тоже можно считать маленькими. Соответственно токи через них текут относительно большие и потому конденсатор для эффективного сглаживания нужен достаточно ёмкий (в обоих случаях применён на 47 микрофарад).

На самом деле при буферизации опорного напряжения мы можем использовать резисторы большего номинала (ведь остальная схема будет подключена не параллельно им, а на уже буферизованный сигнал с выхода операционного усилителя). Соответственно у нас будут меньше токи, а значит и сглаживающий конденсатор можно использовать меньшего номинала (и меньшего размера, что нам будет плюсиком в карму компактность).

Например так:

-5

Резисторы по 100 килоом, конденсатор на 100 нанофарад. Можно конечно и другие значения, тут ничего особо критичного нет. Главное - не ставить конденсатор после операционного усилителя. Только перед ним: так, как на схеме нарисовано.

А вообще есть даже специализированные микросхемы (например TLE2426), которые делают именно это - формируют половинное напряжение и буферизуют его. По-буржуйски называются 'Rail Splitter'.

Теперь добавим воды наш аудиобуфер и в итоге получается что-то такое:

-6

Конденсатор C4 (напомню, что в прошлом варианте буфера его не было) не обязателен, но вообще это хороший тон - ставить 100 нанофарад по питанию микросхемы (в данном случае операционного усилителя), причем как можно к нему ближе.

По сравнению со схемой из прошлой статьи у нас стало 4 резистора (а не 3) и 4 конденсатора (а не 2), но зато теперь должно быть меньше шумов практически за те же деньги.

Насколько это всё необходимо - не скажу, честно говоря и в прошлом варианте я никаких дополнительных шумов не слышу. Это связано с тем, что у нас нет усиления по громкости, в результате и шумы у нас не усиливаются. Так что в моём случае я оставлю прежний буфер и не буду ничего переделывать. Но если буду делать кому-то другому, то скорее поставлю именно этот, новый, вариант. Потому, что всё лучшее - детям клиентам! На всякий случай и про запас...

И вместо послесловия случай из жизни: есть такая печатка от GuitarPCB под названием Tone Tweq - трёхполосный активный эквалайзер

Это не я добавил этот странный прямоугольник с левом нижнем углу, это прямо так в оригинальной документации.
Это не я добавил этот странный прямоугольник с левом нижнем углу, это прямо так в оригинальной документации.

Судя по роликам это была довольно интересная штуковина и схема была достаточно простая. Поэтому я просто взял и спаял её на кусочке макетной платы и резисторы/конденсаторы фильтров просто навесным монтажом на потенциометрах. Звучало всё действительно неплохо. Но зараза при этом весьма заметно шумело и гудело, что бы я не делал. Тогда я решил, что проблема в моём монтаже и заказал печатку. На печатке шумело ничуть не меньше, что меня уже сильно расстроило. Но потом я заметил, что фильтрация напряжения 9 вольт на плате есть (C8+C9), а фильтрации 4.5 - нет. Не стоит конденсатор ни параллельно R12, ни R11.

Ранее в примерах везде фильтрующий конденсатор ставился параллельно резистору на землю, но на самом деле с тем же успехом его можно поставить параллельно резистору на 9 вольт, главное не перепутать полярность в случае электролитического конденсатора. И не надо ставить параллельно обоим резисторам делителя - так они ничего не отфильтруют, поскольку будут только мешать друг другу.

И вот после припаивания конденсатора в параллель R12 шумы наконец-то ушли и педаль стала гораздо чище звучать.

Но это был как раз тот случай, когда в схеме было усиление громкости, в результате которого шумы по питанию тоже усиливались и становились заметными.