Найти в Дзене

Ремонт Telwin Tecnica 144 моим читателем

Да, вот такая нестандартная статья. В ней я расскажу о ремонте инверторного сварочного аппарата Telwin Tecnica 144, который выполнил один из читателей моих статей, Владимир. Насколько я понял, Владимир электроникой занимается очень давно, но сварочный аппарат к нему в ремонт попал в первый раз. Как и полагается, Владимир сначала изучил теоретические материалы по ремонту инверторных сварочных аппаратов, и только потом приступил к работе. Аппарат вышел из строя традиционно для многих аппаратов этого семейства по причине деградации магнитопровода трансформатора Т1 (смотри принципиальную схему аппарата) В аппарате вышли из строя силовые транзисторы Q5, Q8, резисторы R4, R70, R71, стабилитроны D16, D17, D22, D24, D29, D30. Владимир намотал трансформатор по методике из моей статьи заменил все неисправные компоненты подключил вспомогательный источник питания с выходным напряжением 20 вольт ко входу интегрального стабилизатора U1 и снял осциллограммы на затворах транзисторов Q5, Q8 Осциллограм
Внешний вид аппарата. Фото из интернета.
Внешний вид аппарата. Фото из интернета.

Да, вот такая нестандартная статья. В ней я расскажу о ремонте инверторного сварочного аппарата Telwin Tecnica 144, который выполнил один из читателей моих статей, Владимир.

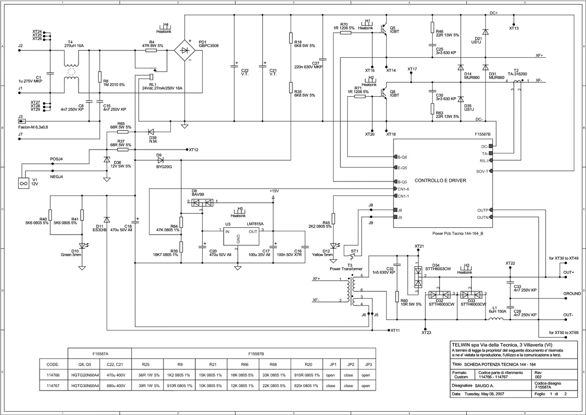
Насколько я понял, Владимир электроникой занимается очень давно, но сварочный аппарат к нему в ремонт попал в первый раз. Как и полагается, Владимир сначала изучил теоретические материалы по ремонту инверторных сварочных аппаратов, и только потом приступил к работе. Аппарат вышел из строя традиционно для многих аппаратов этого семейства по причине деградации магнитопровода трансформатора Т1 (смотри принципиальную схему аппарата)

Принципиальная схема аппарата, лист 1. Собственность компании Telwin.
Принципиальная схема аппарата, лист 1. Собственность компании Telwin.
Принципиальная схема аппарата, лист 2. Собственность компании Telwin.
Принципиальная схема аппарата, лист 2. Собственность компании Telwin.

В аппарате вышли из строя силовые транзисторы Q5, Q8, резисторы R4, R70, R71, стабилитроны D16, D17, D22, D24, D29, D30. Владимир намотал трансформатор по методике из моей статьи

заменил все неисправные компоненты

Плата аппарата в сборе. Фото Владимира.
Плата аппарата в сборе. Фото Владимира.

подключил вспомогательный источник питания с выходным напряжением 20 вольт ко входу интегрального стабилизатора U1 и снял осциллограммы на затворах транзисторов Q5, Q8

Осциллограммы на затворах транзисторов Q5, Q8. Фото Владимира.
Осциллограммы на затворах транзисторов Q5, Q8. Фото Владимира.

Осциллограммы вполне приличные. Далее Владимир собрал аппарат, подал на него 230 вольт и снял осциллограмму с выхода аппарата

Выходное напряжение работающего аппарата. Фото Владимира.
Выходное напряжение работающего аппарата. Фото Владимира.

Вроде всё хорошо, теперь можно опробовать аппарат в режиме сварки. А вот варить аппарат не возжелал. Дуга не поджигается вообще/совсем/никак. На этом этапе ремонта Владимир написал мне на электронную почту, и мы с ним начали искать причину неисправности.

Владимир измерил напряжение на выходе интегрального стабилизатора U3. Напряжение оказалось 14,5 вольта. Владимир решил заменить стабилизатор на L7815ABV-DG, но неисправность осталась. Я на чудо и не надеялся, ибо полагал, что напряжение питания схемы управления 14,5 вольта вместо 15 вольт не является настолько критичным, чтобы не позволять зажечь дугу.

Первая мысль, которая пришла мне в голову - контакты реле RL1 не замыкают резистор R4. Нет, в этой части схемы всё в порядке. Реле срабатывает при включении аппарата, его контакты замыкают резистор R4. Плохие контакты в силовых цепях исключили.

Я попросил Владимира измерить интересующие меня напряжения при работе аппарата на холостом ходу от сети. Получилось вот что:

Сеть - 218 вольт переменного;

Напряжение на конденсаторах С21, С22 - 298 вольт;

Напряжение на конденсаторе С18 - 12,4 вольта;

Напряжение на конденсаторе С20 - 23,1 вольта;

Напряжение на конденсаторе С17 - 14,9 вольт;

Напряжение на резисторе R37 -7,3  вольта.

И вентилятор аппарата работает как-то невыразительно, частота вращения крыльчатки совсем малая.

Вас что насторожило? Правильно, напряжение на конденсаторе С18, которое при работающем на холостом ходу аппарате никак не может быть меньше напряжения на конденсаторе С20. Конденсатор С18 неисправен? Исправен! Что тогда?

А проблема была в плохом контакте на плате в точке пайки одного из выводов конденсатора. К сожалению, я не видел плату своими глазами, не могу точно описать дефект монтажа. После тщательной пропайки выводов конденсатора С18 напряжение на нём установилось 23,4 вольта, напряжение на конденсаторе С20 - 22,6 вольта. Вентилятор собрался с силами и начал дуть, как положено при напряжении питания на нём 12,9 вольта.

При плохом контакте выводов конденсатора С18 схема управления будет работать нормально. А вот обмотка реле RL1 и вентилятор будут вместо постоянного напряжения порядка 24 вольт питаться импульсами. Владимир измерил среднее значение напряжения на точках схемы, куда должен быть подключен конденсатор С18, вот эти несчастные 12,4 вольта и питали обмотку реле. Естественно, что при касании электродом детали скважность импульсов увеличивалась, среднее значение напряжение питания обмотки реле - уменьшалось, реле отпускало, размыкая контакты, после чего преобразователь питался через резистор R4. Дугу с таким "ограничительным резистором" не зажечь. После отрыва электрода от детали скважность импульсов уменьшалась, среднее значение напряжение питания обмотки реле увеличивалось, реле срабатывало, и аппарат делал вид:

"Со мной всё в порядке - это ты не умеешь зажигать дугу!"

Вот так, путём общения по электронной почте и некоторого напряжения головного мозга мы с Владимиром нашли и устранили неисправность, которая в моей практике проявилась впервые. Я вообще-то люблю такие хитрые неисправности, заставляющие думать. Жить становится интереснее)))

Это не первый случай дистанционного ремонта в моей практике. Если ремонтник сможет донести до меня необходимую мне информацию, я обработаю её в мозгу и выдам какие-то рекомендации. В пору моей работы в троллейбусном парке я точно так же общался дистанционно с изготовителями аппаратуры в Санкт-Петербурге, был их глазами и руками. Это нормальная практика.

Если у вас есть какая-то аппаратура, которую вы пока ещё не победили - пишите. Чем могу - помогу в пределах своих знаний и опыта, мне нравится людям помогать. Россия всегда была сильна своей общинностью, взаимопомощью. Так будем же продолжать традиции!

Публикации моих статей на Дзен не приносят мне никакого дохода. И ладно бы просто доход не приносили! Ведь подготовка материалов требует больших усилий и затрат времени. Поэтому, если вам интересно читать статьи по ремонту электроники, и вы хотите помочь развитию моего канала, то я буду весьма благодарен вашим пожертвованиям на карту Сбер 2202 2061 0277 2519