Найти в Дзене
Старый радио любитель

Интересные схемы. Стабильный УВЧ/УПЧ.

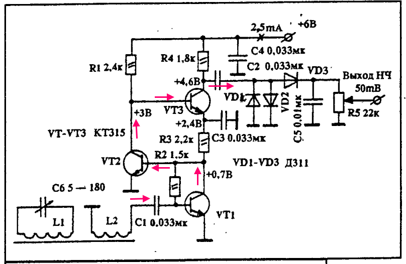
Как всегда, искал одно, а нашел другое, не менее интересное. В журнале "Радиолюбитель" №7 за 1991 год обнаружил статью Г. Уточкина и И. Гончаренко "Стабильный усилитель высокой частоты" во открывшемся разделе журнала "Изобретения - радиолюбителям". Схема достаточно простая, но, по описанию, очень полезная. Схема интересна тем, что по постоянному току она представляет собой генератор стабильного тока Уилсона, а по переменному - "трехэтажный" усилитель с непосредственными связями, в котором транзисторы включены по схеме с ОЭ. Нагрузкой VT1 является резистор R3, а резистор R1 подает на его базу смещений и является элементом ООС по переменному току. Усиленный сигнал подается на базу VT2, нагрузкой которого является резистор R1. Усиленный этим каскадом сигнал подается на базу VT3, нагрузкой которого является резистор R4. Эмиттер этого транзистора заземлен по ВЧ конденсатором С3, т.е. по переменному току он включен по схеме с ОЭ. Режим по постоянному току всех трех транзисторов устанавливае

Как всегда, искал одно, а нашел другое, не менее интересное. В журнале "Радиолюбитель" №7 за 1991 год обнаружил статью Г. Уточкина и И. Гончаренко "Стабильный усилитель высокой частоты" во открывшемся разделе журнала "Изобретения - радиолюбителям". Схема достаточно простая, но, по описанию, очень полезная.

Рис. 1. Из журнала "Радиолюбитель" №7 за 1991 год
Рис. 1. Из журнала "Радиолюбитель" №7 за 1991 год

Схема интересна тем, что по постоянному току она представляет собой генератор стабильного тока Уилсона, а по переменному - "трехэтажный" усилитель с непосредственными связями, в котором транзисторы включены по схеме с ОЭ.

Нагрузкой VT1 является резистор R3, а резистор R1 подает на его базу смещений и является элементом ООС по переменному току. Усиленный сигнал подается на базу VT2, нагрузкой которого является резистор R1. Усиленный этим каскадом сигнал подается на базу VT3, нагрузкой которого является резистор R4. Эмиттер этого транзистора заземлен по ВЧ конденсатором С3, т.е. по переменному току он включен по схеме с ОЭ. Режим по постоянному току всех трех транзисторов устанавливается одним резистором - R1.

Так как напряжение на коллекторе VT1 всего 0,7 В, то при превышении амплитуды сигнала на его коллекторе более 200 мВ, он начнет ограничиваться. Но, так как каскад имеет усиление порядка 5 - 15, то это навряд ли произойдет.

Общий коэффициент усиления в полосе частот 1 - 20 МГц составляет не менее 3000. При необходимости можно ввести в усилитель регулировку усиления. Для этого нужно отсоединить верхний вывод R1 от источника питания и подключить его к источнику изменяющегося от +1,5 до +Uпит напряжения.

Ну, что же, отличные параметры, минимум деталей и, как мне кажется, эта схема с большим успехом может использоваться не только в УВЧ, но и в УПЧ. А раз так, то попробую ее прогнать в LTspice.

Рис. 2.
Рис. 2.

Напряжение питания я взял 8 В, т.е. два соединенных последовательно Li-ion аккумулятора. Как видно из графиков, при входном напряжении 100 мкВ распределение усиления между каскадами почти равномерно, только у третьего каскада оно несколько больше.

Общее усиление на частоте 500 кГц более 100 дБ, на частоте 10 МГц - около 70 дБ, на частоте 30 МГц - около 60 дБ.

Но хотелось бы иметь более равномерную частотную характеристику, а то завал усиления на частоте 20 МГц по сравнению с 1 МГц более 40 дБ. Простейшим решением этой проблемы было бы включение в эмиттерную цепь VT1 корректирующей RC-цепочки.

Рис. 3.
Рис. 3.

Как видите, неравномерность уменьшилась до 27 дБ. Радикальным решением было включить в коллекторную цепь VT3 корректирующий контур.

Рис. 4.
Рис. 4.

Вот в этом случае общее усиление почти равномерно в диапазоне 1 - 20 МГц и составляет около 70 дБ.

Оказалось, что большое влияние на АЧХ оказывает конденсатор С2. При уменьшении его емкости более ярко проявляется резонансное действие контура L1,C4. Вот, что можно получить для использования усилителя в качестве УПЧ на частоту 8 МГц.

Рис. 5. С2 = 100 нФ
Рис. 5. С2 = 100 нФ
Рис. 6. С2 = 2 нФ.
Рис. 6. С2 = 2 нФ.

При таком большом усилении следует использовать транзисторы с низким уровнем собственных шумов. В статье предлагается использовать отечественные КТ368. Из импортных можно попробовать 2SC3355 или BFR-91. Особенно нужно обратить внимание на шумность VT1 и VT2.

Теперь о введении АРУ. Я вот придумал такую схему.

Рис. 7.
Рис. 7.

При изменении напряжения источника V3 от 0,5 до 1,65 В усиление изменялось на 70 дБ.

Вот такая интересная схема. Завтра попробую собрать ее в натуре и вечером проверить, что слышно в Подмосковье на СВ.

Всем здоровья и успехов