Найти в Дзене

Примерные дополнительные вопросы на экзамене по дисциплине "Схемотехника АЭУ"

Усилительный каскад переменного тока на биполярном транзисторе, включенном по схеме с общим эмиттером, и фиксированным током базы В усилителе (рис. 1) номиналы радиоэлементов таковы, что при напряжении питания 12 В в режиме покоя напряжение на коллекторе равно 6 В, ток коллектора составляет 6 мА. Рис. 1. Схема усилительного каскада переменного тока на биполярном транзисторе, включенном по схеме с общим эмиттером, и фиксированным током базы Вопросы: 1. Изменятся ли параметры рабочей точки коллектора, если у резистора R1 произойдёт увеличение сопротивления? 2. Изменятся ли параметры рабочей точки коллектора, если у резистора R1 произойдёт уменьшение сопротивления? 3. Изменятся ли параметры рабочей точки коллектора, если у резистора Rк произойдёт уменьшение сопротивления? 4. Изменятся ли параметры рабочей точки коллектора, если у резистора Rк произойдёт увеличение сопротивления? 5. Изменятся ли параметры рабочей точки коллектора, если у резистора R1 произойдёт обрыв? 6. Изменятся ли парам

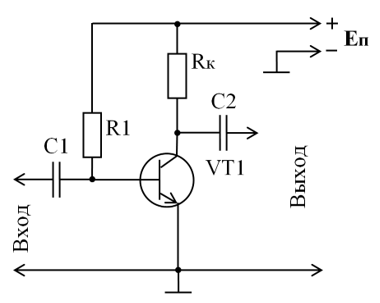
Усилительный каскад переменного тока на биполярном транзисторе, включенном по схеме с общим эмиттером, и фиксированным током базы

В усилителе (рис. 1) номиналы радиоэлементов таковы, что при напряжении питания 12 В в режиме покоя напряжение на коллекторе равно 6 В, ток коллектора составляет 6 мА.

Рис. 1. Схема усилительного каскада переменного тока на биполярном транзисторе, включенном по схеме с общим эмиттером, и фиксированным током базы

Вопросы:

1. Изменятся ли параметры рабочей точки коллектора, если у резистора R1 произойдёт увеличение сопротивления?

2. Изменятся ли параметры рабочей точки коллектора, если у резистора R1 произойдёт уменьшение сопротивления?

3. Изменятся ли параметры рабочей точки коллектора, если у резистора Rк произойдёт уменьшение сопротивления?

4. Изменятся ли параметры рабочей точки коллектора, если у резистора Rк произойдёт увеличение сопротивления?

5. Изменятся ли параметры рабочей точки коллектора, если у резистора R1 произойдёт обрыв?

6. Изменятся ли параметры рабочей точки коллектора, если у резистора R1 произойдёт короткое замыкание?

7. Изменятся ли параметры рабочей точки коллектора, если у резистора Rк произойдёт обрыв?

8. Изменятся ли параметры рабочей точки коллектора, если у резистора Rк произойдёт короткое замыкание?

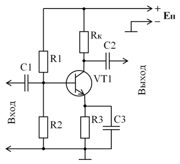
Усилительный каскад переменного тока на биполярном транзисторе, включенном по схеме с общим эмиттером, и эмиттерной стабилизацией рабочей точки

В усилителе (рис. 2) номиналы радиоэлементов таковы, что при напряжении питания 12 В в режиме покоя напряжение на коллекторе равно 6,41 В, напряжение на базе равно 1,11 В, напряжение на эмиттере равно 0,51 В, ток коллектора составляет 0,9 мА,

-2

Рис. 2. Схема усилительного каскада переменного тока на биполярном транзисторе, включенном по схеме с общим эмиттером,

и эмиттерной стабилизацией рабочей точки

Вопросы:

1. Изменятся ли параметры рабочей точки коллектора, если у резистора R1 произойдёт увеличение сопротивления?

2. Изменятся ли параметры рабочей точки коллектора, если у резистора R1 произойдёт уменьшение сопротивления?

3. Изменятся ли параметры рабочей точки коллектора, если у резистора R2 произойдёт увеличение сопротивления?

4. Изменятся ли параметры рабочей точки коллектора, если у резистора R2 произойдёт уменьшение сопротивления?

5. Изменятся ли параметры рабочей точки коллектора, если у резистора R3 произойдёт увеличение сопротивления?

6. Изменятся ли параметры рабочей точки коллектора, если у резистора R3 произойдёт уменьшение сопротивления?

7. Изменятся ли параметры рабочей точки коллектора, если у резистора Rк произойдёт увеличение сопротивления?

8. Изменятся ли параметры рабочей точки коллектора, если у резистора Rк произойдёт уменьшение сопротивления?

9. Изменятся ли параметры рабочей точки коллектора, если у резистора R1 произойдёт обрыв?

10. Изменятся ли параметры рабочей точки коллектора, если у резистора R2 произойдёт обрыв?

11. Изменятся ли параметры рабочей точки коллектора, если у резистора R1 произойдёт короткое замыкание?

12. Изменятся ли параметры рабочей точки коллектора, если у резистора R2 произойдёт короткое замыкание?

13. Изменятся ли параметры рабочей точки коллектора, если у резистора R3 произойдёт обрыв?

14. Изменятся ли параметры рабочей точки коллектора, если у резистора Rк произойдёт обрыв?

15. Изменятся ли параметры рабочей точки коллектора, если у резистора R3 произойдёт короткое замыкание?

16. Изменятся ли параметры рабочей точки коллектора, если у резистора Rк произойдёт короткое замыкание?

17. Изменятся ли параметры рабочей точки коллектора, если у конденсатора C3 произойдёт короткое замыкание?

18. Изменятся ли параметры рабочей точки коллектора, если у конденсатора C3 произойдёт обрыв?

Рекомендации:

1. Пытайтесь дать ответ на вопросы, используя ваши знания, полученные во время обучения. Для проверки ваших теоретических предположений и доказательств используйте Multisim.

2. Или наоборот, сначала моделируйте в Multisim, а затем пытайтесь обосновать результат моделирования.

Более ценным является первый способ!