Добавить в корзинуПозвонить
Найти в Дзене
PRACTICAL ELECTRONICS

Лабораторный блок питания 0,6...29 В с триггерной защитой

Лабораторные блоки питания (ЛБП) в отличии от блока питания с регулируемым выходным напряжением (например, на основе распространённой LM317) наличием цепи контроля тока, протекающего в нагрузке, т.е. его ограничения. И если принцип регулировки выходного напряжения в ЛБП более или менее схож, то принцип ограничения тока имеет существенные отличия. И состоит оно в реакции схемы на предел установленного тока ограничения. Например, метод, где достигнутое установленное значение тока через нагрузку будет поддерживаться и не превысит его за счёт уменьшения выходного напряжения, а есть схемные решения, когда по достижении установленного предела нагрузка полностью обесточивается. Последний метод защиты принято называть триггерным. О таком лабораторном блоке питания с триггерной защитой и пойдёт речь в этой публикации. Безусловно, что каждый из перечисленных методов токовой защиты имеет свои плюсы и минусы и применяется в каждом конкретном случае. Схема позволяет регулировать напряжение на нагр
Оглавление

Лабораторные блоки питания (ЛБП) в отличии от блока питания с регулируемым выходным напряжением (например, на основе распространённой LM317) наличием цепи контроля тока, протекающего в нагрузке, т.е. его ограничения.

И если принцип регулировки выходного напряжения в ЛБП более или менее схож, то принцип ограничения тока имеет существенные отличия.

И состоит оно в реакции схемы на предел установленного тока ограничения. Например, метод, где достигнутое установленное значение тока через нагрузку будет поддерживаться и не превысит его за счёт уменьшения выходного напряжения, а есть схемные решения, когда по достижении установленного предела нагрузка полностью обесточивается.

Последний метод защиты принято называть триггерным. О таком лабораторном блоке питания с триггерной защитой и пойдёт речь в этой публикации.

Безусловно, что каждый из перечисленных методов токовой защиты имеет свои плюсы и минусы и применяется в каждом конкретном случае.

Схема электрическая

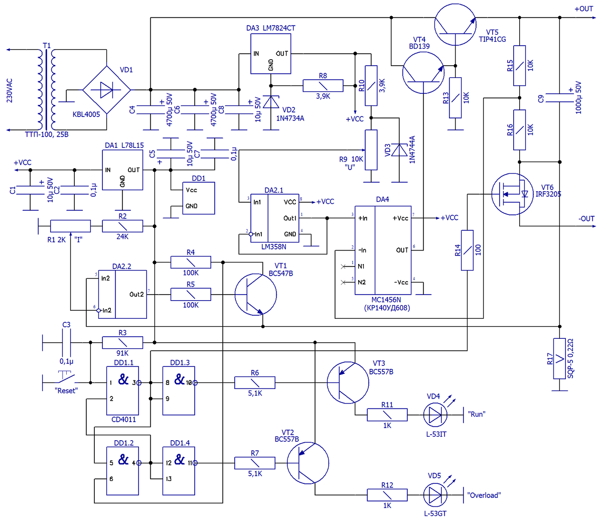
Схема электрическая принципиальная ЛБП 0,6...29 В с триггерной защитой
Схема электрическая принципиальная ЛБП 0,6...29 В с триггерной защитой

Схема позволяет регулировать напряжение на нагрузке от 0,6 до 29 В, при максимальном токе в , с плавной установкой ограничения от нулевого до максимального значений, по достижении которой нагрузка отключается от выхода ЛБП.

В схеме применён стабилизатор компенсационного типа с непрерывным регулированием, регулирующий элемент – составной транзистор VT4VT5.

Образцовое напряжение формирует параметрический стабилизатор на резисторе R10 и стабилитроне VD3. Его часть, снимаемую с движка переменного резистора R9, ОУ DA4 сравнивает с частью выходного напряжения стабилизатора, снимаемой с делителя из резисторов R15 и R16. Усиленный ОУ сигнал рассогласования управляет составным транзистором, поддерживая выходное напряжение равным заданному, которое регулируют переменным резистором R9.

Маломощные узлы стабилизатора питаются от интегрального стабилизатора DA3. Включённый последовательно с его общим выводом стабилитрон VD2 поднимает выходное напряжение стабилизатора VD3 до 29...30 В.

Интегральный стабилизатор DA1 предназначен для питания узла токовой защиты.

При включении ЛБП цепь R3C3 формирует импульс, устанавливающий триггер на элементах DD1.1 и DD1.2 в состояние, при котором полевой транзистор VT6 открыт, благодаря чему нагрузка подключена к выходу стабилизатора. Об этом сигнализирует включённый зелёный светодиод VD4.

ОУ DA2.2 сравнивает сигнал с датчика тока (резистор R17) и пороговое напряжение, снимаемое с движка переменного резистора R1.

При превышении порога будет открыт подключённый к выходу ОУ транзистор VT1. Напряжение низкого логического уровня с его коллектора поступит на вывод 6 элемента DD1.2 и переведёт триггер в состояние, при котором полевой транзистор VT6 будет закрыт, что приведёт к отключению нагрузки от выхода ЛБП.

Одновременно погаснет светодиод VD4 и включится красный светодиод VD5, сигнализируя о превышении установленного переменным резистором R1 допустимого выходного тока стабилизатора.

После устранения причины перегрузки нажатием на кнопку «Reset» можно возвратить триггер в исходное состояние и этим вновь подключить к стабилизатору нагрузку.

Конструкция и наладка

Печатная плата для схемы показана на рисунке ниже. Для ЛУТ-а её зеркалить не нужно. Плата вместе с транзистором VT5 должна быть прикреплена к теплоотводу.

Печатная плата для схемы Схема электрическая принципиальная ЛБП 0,6...29 В с триггерной за-щитой
Печатная плата для схемы Схема электрическая принципиальная ЛБП 0,6...29 В с триггерной за-щитой

При исправных деталях и правильном монтаже ЛБП требует минимального налаживания. Следует проверить наличие напряжения на выходах интегральных стабилизаторов DA1 и DA3 и основного стабилизатора.

Затем убедиться в возможности регулирования выходного напряжения переменным резистором R9. Возможно, потребуется подобрать сопротивление резистора R15, чтобы крайнее верхнее (по схеме) положение движка переменного резистора R9 соответствовало выходному напряжению 29 В. При выполнении этой операции к выходу стабилизатора обязательно подключите нагрузку сопротивлением 100...300 Ом.

Следующая операция – проверка работы токовой защиты. К выходу ЛБП подключите нагрузочный резистор сопротивлением 10 Ом. Я использовал четыре резистора сопротивлением 10 Ом и мощностью 10 Вт каждый, соединённых последовательно-параллельно.

Движок резистора R1 установите в крайнее правое (по схеме) положение. При плавном увеличении выходного напряжения стабилизатора токовая защита должна сработать, при этом вместо светодиода VD4 будет включён светодиод VD5.

Если ток срабатывания защиты больше (меньше) требуемого, следует увеличить (уменьшить) сопротивление резистора R2.