Добавить в корзинуПозвонить
Найти в Дзене
Mastyrkin

Сварка для аккумуляторов

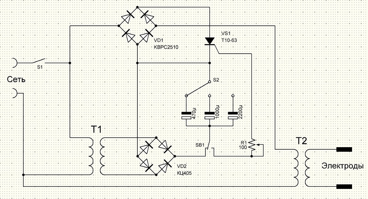
Занимаясь ремонтом аккумуляторных сборок очень нужна точечная сварка. Можно купить готовую сварку. Бывают на ионисторах и на аккумуляторах. Я же соберу на трансформаторе от микроволновой печи или МОТ. Схема простая и надежная. В схеме имеется два источника питания. Нижний маломощный трансформатор работает сразу после включения S1. Выпрямленное напряжение заряжает конденсатор, выбранный переключателем S2. Заряжается через нормально замкнутые контакты кнопки SB1. При нажатии кнопки разряжается конденсатор, через резистор R1, и открывает тиристор VS1. Тиристор находится в цепи мощного трансформатора. В нормальном состоянии тиристор закрыт. При нажатии кнопки SB1открывается тиристор. Напряжение поступает на первичную обмотку силового трансформатора. Происходит сварка. Выбор времени открытия тиристора производится переключателем S2. Комплектующие. Сборка. Нужно удалить вторичную обмотку трансформатора, сетевую оставляем, она толще. Удалил ее ножовкой по металлу, главное не повр

Занимаясь ремонтом аккумуляторных сборок очень нужна точечная сварка.

Можно купить готовую сварку. Бывают на ионисторах и на аккумуляторах. Я же соберу на трансформаторе от микроволновой печи или МОТ. Схема простая и надежная.

В схеме имеется два источника питания. Нижний маломощный трансформатор работает сразу после включения S1. Выпрямленное напряжение заряжает конденсатор, выбранный переключателем S2. Заряжается через нормально замкнутые контакты кнопки SB1. При нажатии кнопки разряжается конденсатор, через резистор R1, и открывает тиристор VS1. Тиристор находится в цепи мощного трансформатора. В нормальном состоянии тиристор закрыт. При нажатии кнопки SB1открывается тиристор. Напряжение поступает на первичную обмотку силового трансформатора. Происходит сварка.

Выбор времени открытия тиристора производится переключателем S2.

-2

Комплектующие.

Я возьму трансформатор от микроволновки Самсунг.
Я возьму трансформатор от микроволновки Самсунг.

Маломощный трансформатор на 12-15 вольт. Мощность может быть маленькой.
Маломощный трансформатор на 12-15 вольт. Мощность может быть маленькой.

Сетевой выключатель от старого электрического камина.
Сетевой выключатель от старого электрического камина.

Мощный диодный мост у меня на 25 ампер/1000 вольт, от старого упс.
Мощный диодный мост у меня на 25 ампер/1000 вольт, от старого упс.

Маломощный диодный мост кц405.
Маломощный диодный мост кц405.

Тиристор Т10-63. На 1000 Вольт, 63 Ампера.
Тиристор Т10-63. На 1000 Вольт, 63 Ампера.

Переключатель ступеней от старой игрушки.
Переключатель ступеней от старой игрушки.

Разрядный резистор на 100 Ом.
Разрядный резистор на 100 Ом.

Силовая обмотка на 16 кв.мм
Силовая обмотка на 16 кв.мм

Кабельные наконечники на 8 мм.
Кабельные наконечники на 8 мм.

Сборка.

Нужно удалить вторичную обмотку трансформатора, сетевую оставляем, она толще. Удалил ее ножовкой по металлу, главное не повредить сетевую.

-13

Так же убираем магнитные шунты и обмотку накала катода (пару витков в тряпичной изоляции).

-14

Силовую обмотку хотел намотать проводом в 16 квадратов. Но решил усилить и собрал провод 22 квадрата. Мотал именно 25 квадратов

-15

Наматываю 2 витка на трансформатор.

-16

Силовой трансформатор установлю в корпус компьютерного БП.

-17

Выводы дополнительно изолирую. Ставлю наконечники и закрепляю на корпусе с помощью изолирующей пластины.

-18

Сетевые провода вывожу в отверстие в крышке корпуса.

-19

Схема управления будет собрана в отдельном корпусе. Корпус тоже от блока питания. На передней панели установлю органы управления. На отдельную пластину установил: сетевой выключатель, переключатель диапазонов и резистор R1.

-20

Внутри корпуса монтирую элементы схемы.

-21

Все соединяю проводами.

-22

Сварочные провода сделал тонкие, позже переделаю на более мощные.

-23

Испытываем сварку в разных положения переключателя, начиная с большей ступени. Начиная с самой мощной, на фото. Самая маленькая ступень плохо варит, нужно заменить сварочные провода.

-24
-25
-26

Вот такая сварка получилась. Было отремонтировано не мало аккумуляторов.