Добавить в корзинуПозвонить
Найти в Дзене
ON/OFF

Гальваническая развязка

Всем Привет. Ремонтируя ИИП или собирая самоделки силовой электроники, радиолюбители при первом пуске используют включенную последовательно лампу не большой мощности но дело в том что лампочка, не дает сто процентной гарантии от фейерверка . Например подобные ИИП легко могут показать *звездочки* перед глазами, даже с ней. Меняя сетевую емкость ИИП на менее объемную, можно этого избежать, однако сам тоже подвергаешься риску встретиться c физикой Андре Ампера) Опытные радиолюбители рекомендуют использовать гальваническую развязку - сетевой трансформатор с КТР 1:1 220=220 V и через него подключать ремонтируемый блок питания. Углубляться в теорию я не буду, если простыми словами - мы ограничиваем таким образом максимальный ток сети в цепи опасной зоны работы. Стоимость заводских изделий высока и здесь нам может помочь простая схема развязки с питанием от любого лабораторного блока питания: КПД ИИП как правило под 90 и выше процентов, поэтому в техническом задании я для себя не ставил задач

Всем Привет. Ремонтируя ИИП или собирая самоделки силовой электроники, радиолюбители при первом пуске используют включенную последовательно лампу не большой мощности но дело в том что лампочка, не дает сто процентной гарантии от фейерверка . Например подобные ИИП легко могут показать *звездочки* перед глазами, даже с ней. Меняя сетевую емкость ИИП на менее объемную, можно этого избежать, однако сам тоже подвергаешься риску встретиться c физикой Андре Ампера) Опытные радиолюбители рекомендуют использовать гальваническую развязку - сетевой трансформатор с КТР 1:1 220=220 V и через него подключать ремонтируемый блок питания. Углубляться в теорию я не буду, если простыми словами - мы ограничиваем таким образом максимальный ток сети в цепи опасной зоны работы. Стоимость заводских изделий высока и здесь нам может помочь простая схема развязки с питанием от любого лабораторного блока питания:

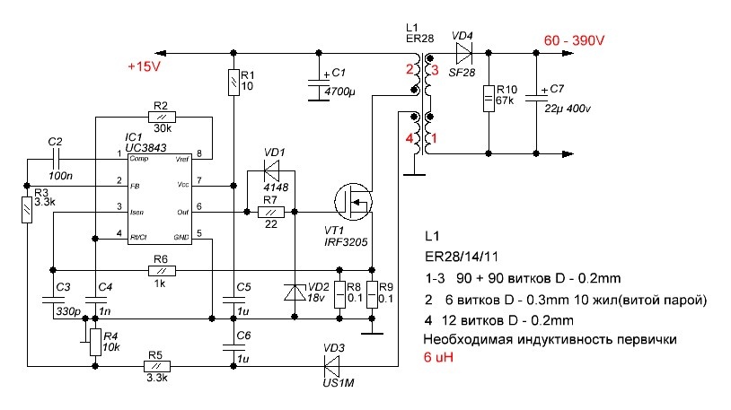
КПД ИИП как правило под 90 и выше процентов, поэтому в техническом задании я для себя не ставил задачу добиться большой мощности, как показала практика, этого достаточно. Обратноходовая топология и питание от ЛБП позволяет полностью избежать проблем первого запуска и не с лампочкой обнаружить неверно запаянный конденсатор) по этой причине за основу взял ее. Также, нет необходимости регулировки от нуля, индуктивной связи ОС по напряжению достаточно для регулировки выходного напряжения в широком диапазоне. Схемотехника проста и позволяет менять детали на то что есть в наличии, микросхему UC3843 на любой ее аналог( Скважность не более 50 процентов) в том числе UC3845. Диапазон входного напряжения будет зависеть от характеристик ШИМ контроллера. Ключ на доступный IRFZ44, большого радиатора не требуется. Дроссель L1 мотается с разделением вторички, причем первая мотается она, последовательность и начало намотки указана на схеме. Далее, с измерительным прибором, меняя зазор, подгоняем необходимую индуктивность. В дополнительной настройке правильно собранная схема, не нуждается. Перейдем к практике, запуск PFC корректора :

Блок ККМ работает в холостом режиме
Блок ККМ работает в холостом режиме

Обратноходового ИИП:

Напряжение на входе ИИП 310 Вольт
Напряжение на входе ИИП 310 Вольт

резонансного LLC преобразователя(FAN7621):

-4

Под нагрузкой сигнал на стоке ключа будет примерно такой:

-5

Да, это не панацея от всех бед, этого не достаточно если подключим нагрузку к испытуемому но первый безопасный и успешный старт ИИП это уже 90 процентов завершенного дела.

Схема и откорректированная печать здесь. Берегите себя !

-6

Всем Спасибо.