Добавить в корзинуПозвонить
Найти в Дзене
Как бы Electronics!

Самодельный блок управления котлом для отопления. Часть 2

Заголовком к этой статье следовало бы написать следующее - "Как не нужно делать, что бы всё осталось целым". Ну да ладно. Объясню ситуацию. После полу-года занятием житейскими делами, к зиме появилось свободное время и я бросился собирать дальше пульт. Купил электрический щит: Сами ключи из тиристоров были собраны, испытаны. Так же была спаяна плата управления этими ключами. Казалось бы, что проще все установить, подключить, и проверить. Но не тут то было. В процессе сборки выяснился первый косяк, а именно. Согласно схеме, подключить следовало вот так: Но как выяснилось, пред каждым ключом нужно обязательно вставить автоматический выключатель нагрузки. Для безопасности, в случае замыкания в нагрузке, автомат отключит пульт от внешнего напряжения. Второе применение автомата - банально для включения этих ТЭНов, по мере необходимости. Можно один например включить, похолодало- два, или три включить одновременно. В принципе, можно было подключить автоматы в разрыв между ключами и ТЭНами (см

Заголовком к этой статье следовало бы написать следующее - "Как не нужно делать, что бы всё осталось целым". Ну да ладно. Объясню ситуацию. После полу-года занятием житейскими делами, к зиме появилось свободное время и я бросился собирать дальше пульт. Купил электрический щит:

Электрический щит.
Электрический щит.

Сами ключи из тиристоров были собраны, испытаны. Так же была спаяна плата управления этими ключами. Казалось бы, что проще все установить, подключить, и проверить. Но не тут то было. В процессе сборки выяснился первый косяк, а именно. Согласно схеме, подключить следовало вот так:

Схема 1
Схема 1

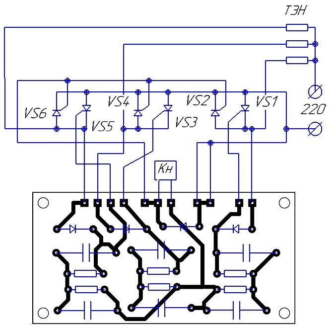
Но как выяснилось, пред каждым ключом нужно обязательно вставить автоматический выключатель нагрузки. Для безопасности, в случае замыкания в нагрузке, автомат отключит пульт от внешнего напряжения. Второе применение автомата - банально для включения этих ТЭНов, по мере необходимости. Можно один например включить, похолодало- два, или три включить одновременно. В принципе, можно было подключить автоматы в разрыв между ключами и ТЭНами (см., схему выше), но в таком случае нужно было бы фазу подключать напрямую к ТЭНам, или если к ТЭНам подключить ноль, то фазу нужно будет подключать к пульту. Что в одном случае, что в другом, фаза будет либо на котле, либо на щите. Что не безопасно. Случись ремонт, и как эту фазу отключить полностью? Снимать провод и изолировать? В общем я решил обмануть судьбу. Переделав немного подключения, я пришёл к выводу, что включить автоматы в цепь можно следующим образом:

Схема 3
Схема 3

И так, что поменялось? Обратите внимание на подключение анодов тиристоров VS1, VS3 и VS5 (я указываю именно их, что бы не расписывать что помимо них, в эту цепь включены так же и катоды оставшихся тиристоров) на первой схеме, а потом сравните со второй схемой. В первой схеме они соединены в одну цепь, во второй схеме, разъедены, что позволило подключить каждый ТЭН и каждый автомат к своему ключу. При таком пере подключении, мне сразу бросился в глаза неприятный факт. Диод (отмеченный красным кружком) в первой схеме был подключен одновременно к этим самым анодам VS1, VS3 и VS5, а теперь что делать? Немного подумав, я нашёл решение, необходимо анод этого диода подключить к анодам тиристоров VS1, VS3 и VS5 через нагрузку. ТЭНы мощностью 3 кВТ имеют очень маленькое сопротивление. Что и было реализовано (см., схему 2). Теперь немного про этот диод. Для чего он нужен.

Схема 4
Схема 4

Диод, на схеме 4 обозначенный как D1, ровным счетом как и диод D2 выполняют одну и туже функцию, они срезают полу-волну обратной полярности, тем самым предотвращая пробой p-n перехода в тиристоре. Вот они и включены должны быть так как на схеме - встречной полярностью к тиристорам. Если объединить три ключа на тиристорах в одну схему, подобную той как на рисунке (см., схему 1). То в принципе, один диод может заменить сразу три диода. Но если ключи изолировать друг от друга (см., схему 2) тогда нужно добавить для каждого тиристора по дополнительному диоду. Но поскольку плата была готова. В ней всего 4 диода (один просто заменяет сразу три), и лень заморачиваться, тем более, я же рассудил, что этот злополучный диод всё таки через ТЭНы будет же подключен к тиристорам, пусть хоть они теперь и отвязаны друг от друга. Плюс уверенность что все пройдет без сучка и задоринки сыграли свою роль. Я приступил к сборке схемы. Собирал и думал, а вдруг тот самый диод, который теперь подключен к анодам VS1, VS3 и VS5 через ТЭНы не справиться со своей задачей, и произойдет пробой тиристоров? Ничего не будет, махнул я рукой и продолжил собирать схему. Как обычно положился на русский авось.

-5

Здесь показано как распространялся ток напряжением 220 вольт, по одной из возможно цепи (на самом деле он распространялся одновременно по нескольким цепям). Для наглядности показано что приложенное напряжение, выпрямленное диодом поступило на управляющий вывод тиристора VS 2, но поскольку, как уже отмечалось раньше наш злополучный диод был включен через нагрузку, на p-n переходе управляющего вывода тиристора образовался слишком большой потенциал что привело к его пробою. Пробило тиристор и все его выводы оказались закорочены. Произошло короткое замыкание в цепи, что вызвало мгновенное испарение медных дорожек на плате и пробой диода. Вот видео, о моих впечатлениях:

А вот что стало с платой:

-6

Медные дорожки испарились за мгновение.