Добавить в корзинуПозвонить
Найти в Дзене

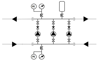
Принцип работы насосной установки повышения давления ANTARUS

Когда на вводе в здании недостаточно давления воды для полноценного обеспечения всех потребителей, особенно в высотных домах, возникает необходимость в дополнительной системе для повышения напора. Именно здесь на помощь приходит насосная установка повышения давления ANTARUS. Она компенсирует нехватку давления, обеспечивая бесперебойную подачу воды. Насосная установка – это не только насосы. Это комплекс оборудования, включающий насосы, трубопроводы, запорную арматуру, КИП и интеллектуальную систему управления. Вместе они создают надежное решение для поддержания требуемого напора воды. Давайте подробнее разберём, как устроена и работает эта система. Рассмотрим принцип работы насосной установки ANTARUS по ходу движения воды в изделии. 1. Всасывающий коллектор Вода из водопроводной сети или резервуара поступает в насосную установку через всасывающий коллектор. Насосные установки повышения давления ANTARUS собираются на основе нормально всасывающих насосов. Это означает, что для их коррект

Когда на вводе в здании недостаточно давления воды для полноценного обеспечения всех потребителей, особенно в высотных домах, возникает необходимость в дополнительной системе для повышения напора. Именно здесь на помощь приходит насосная установка повышения давления ANTARUS. Она компенсирует нехватку давления, обеспечивая бесперебойную подачу воды.

Насосная установка – это не только насосы. Это комплекс оборудования, включающий насосы, трубопроводы, запорную арматуру, КИП и интеллектуальную систему управления. Вместе они создают надежное решение для поддержания требуемого напора воды.

Давайте подробнее разберём, как устроена и работает эта система.

Рассмотрим принцип работы насосной установки ANTARUS по ходу движения воды в изделии.

Принципиальная схема насосной установки повышения давления ANTARUS 2.0.
Принципиальная схема насосной установки повышения давления ANTARUS 2.0.

1. Всасывающий коллектор

Вода из водопроводной сети или резервуара поступает в насосную установку через всасывающий коллектор. Насосные установки повышения давления ANTARUS собираются на основе нормально всасывающих насосов. Это означает, что для их корректной работы требуется наличие подпора на входе (избыточного давления).

На всасывающем коллекторе установлен манометр для визуализации давления, а также датчик давления, отслеживающий наличие требуемого подпора (давления) перед насосами. Это требуется для предотвращения поломки механической части насоса, вызванной кавитацией или работой «на сухую».

*При заборе воды из резервуаров требуется учитывать, что подпор на входе насоса создается только высотой столба жидкости. В таких случаях стандартные датчики давления, фиксирующие только избыточное давление, могут оказаться недостаточно эффективными. Для корректной работы системы и защиты насосов от “сухого хода” применяются, например, датчики уровня или поплавковые датчики, которые контролируют наличие жидкости в резервуаре и передают соответствующие сигналы в шкаф управления. Эти решения обеспечивают своевременную остановку насосов при снижении уровня воды ниже допустимого.

-3

2. Работа насосов, их защита и эксплуатация

После того как вода прошла через всасывающий коллектор, она поступает в насосы. Они осуществляют передачу механической энергии от электродвигателя к жидкости посредством вращающегося рабочего колеса, обеспечивая дальнейшее движение воды с увеличенным напором.

-4

Для предотвращения обратного потока воды сразу после насосов стоят обратные клапаны. Обратное движение жидкости при выключении насоса может вызывать резкие скачки давления (гидравлические удары), которые опасны для всего изделия, а в особенности для гидравлической части насоса. Чем больше расход воды, пропускаемый через установку, тем сильнее может быть гидравлический удар. В насосных установках повышения давления ANTARUS предотвращение гидравлических ударов реализуется с помощью частотных преобразователей, установленных на каждом насосе. Это позволяет плавно регулировать частоту вращения насосов, в том числе при их включении и выключении, что минимизирует риск скачков давления.

-5

Для обслуживания и ремонта каждого насосного агрегата до и после каждого из них устанавливается запорная арматура(шаровый кран или затвор). Таким образом можно изолировать насос от системы, не прерывая подачу воды к потребителям.

-6

3. Напорный коллектор

После того как насосы создали требуемое давление, вода поступает в напорный коллектор. На нем установлен датчик давления, выполняющий функцию передачи показаний давления на контроллер и дальнейшего регулирования насосов с помощью частоты вращения электродвигателей.
Так же как и на всасывающем коллекторе, дополнительно установлен
манометр для возможности визуального мониторинга при пусконаладочных работах и запуске установки.

-7

В стандартном исполнении коллекторов насосной установки повышения давления ANTARUS до 80 диаметра (включительно) устанавливается мембранный бак объемом 8 литров (подробно писали об этом тут https://dzen.ru/a/ZD5bY7Ce90xdd2bT), который помогает сгладить колебания давления в системе и минимизировать количество включений насосов при минимальном водоразборе. В особенности это актуально для малозаселенных жилых домов.

-8

Как осуществляется регулирование параметров оборудования?

Алгоритм работы насосной установки повышения давления ANTARUS основан на каскадном управлении.

Каскадное управление – это общая система контроля и управления, применяемая для энергоэффективного использования параллельно работающих насосов. При каскадном включении шкаф управления позволяет управлять несколькими насосами, включенными параллельно таким образом, что их можно рассматривать как один большой насос.

Рассмотрим алгоритм подробнее:

На контроллере задается необходимая уставка давления для данной системы.

Сигнал от датчика давления (на напорном коллекторе) сравнивается с заданным значением.

Далее основной насос начинает работу через преобразователь частоты. При необходимости повышения мощности системы плавно увеличивается частота вращения основного насоса. Если для достижения необходимого давления не хватает производительности данного насоса, то подключается дополнительный. И таким образом подключаются следующие дополнительные насосы, пока система не выйдет на заданный режим.

Соответственно, при снижении мощности системы настолько, что регулируемый насос в своем диапазоне производительности может поддерживать заданное значение давления, происходит отключение дополнительных насосов.

Если нагрузка системы упала до нуля, то основной насос работает некоторое время на минимальной частоте вращения и затем останавливается.

Также в насосных установках предусмотрены два режима работы: автоматический и ручной. В автоматическом режиме контроллер управляет всеми параметрами работы системы, поддерживая нужное давление, а в ручном — оператор может вручную регулировать работу насосов.

Насосная установка повышения давления ANTARUS – это не просто техническое решение, а залог надежной и бесперебойной подачи воды ко всем потребителям здания до самых верхних этажей.

Милана Гаёва,
инженер направления «Водоснабжение и канализация»,
компания «Элита»