Добавить в корзинуПозвонить
Найти в Дзене

Молниезащита здания с фальцевой кровлей

Нижний Новгород - сегодня третий по величине город европейской части Российской Федерации с богатым историческим наследием. Основан в 1221 году, является в настоящее время крупнейшим промышленным и культурным центром страны, столицей Приволжского федерального округа. Исторические здания, архитектурное-историческое наследие творчества предков, требуют особых условий реконструкции и эксплуатации, а их владельцы несут значительные расходы на и восстановление и содержание. ООО «Элмашпром» - ведущий разработчик и производитель систем заземления и молниезащиты высокой степени надежности с особой заботой относится к сохранению и защите от поражения молнией исторических зданий, создавая индивидуальные технические решений для каждого из них, тщательно прорабатывая с владельцами зданий и проектными организациями сначала концепцию их молниезащиты, затем – технические решения и изделия для ее реализации. Специалистами предприятия совместно с владельцем здания и проектной организацией было разработ
Оглавление

ВВЕДЕНИЕ

Нижний Новгород - сегодня третий по величине город европейской части Российской Федерации с богатым историческим наследием. Основан в 1221 году, является в настоящее время крупнейшим промышленным и культурным центром страны, столицей Приволжского федерального округа.

Исторические здания, архитектурное-историческое наследие творчества предков, требуют особых условий реконструкции и эксплуатации, а их владельцы несут значительные расходы на и восстановление и содержание.

ООО «Элмашпром» - ведущий разработчик и производитель систем заземления и молниезащиты высокой степени надежности с особой заботой относится к сохранению и защите от поражения молнией исторических зданий, создавая индивидуальные технические решений для каждого из них, тщательно прорабатывая с владельцами зданий и проектными организациями сначала концепцию их молниезащиты, затем – технические решения и изделия для ее реализации.

Специалистами предприятия совместно с владельцем здания и проектной организацией было разработано проектное техническое решение, созданы не имеющие аналогов изделия, выполнен шеф-монтаж системы:

1. Цоколь. Крепление вывода заземляющего проводника и соединение с токоотводом;

2. Стены. Установка специального кронштейна водосточной трубы и крепление токоотвода на зажиме кронштейна. Обход архитектурных элементов здания токоотводом

3. Водосточный желоб. Крепление токоотвода специальным зажимом водосточной трубы.

4. Кровля фальцевая. Крепление токоотвода на фальцевой кровле из металлопроката с полимерным покрытием

5. Конек кровли. Крепление токоотвода над коньком кровли

6. Вентиляционные трубы. Крепление токоотвода на вентиляционных трубах с коробом на основе фальцевой кровли из металлопроката с полимерным покрытием. Крепление молниеприемника стержневого сборного для молниезащиты вентиляционной трубы

7. Кровельные надстройки. Уравнивание потенциалов внешней системы молниезащиты. Присоединение металлоконструкции к токоотводу специальным зажимом

8. Сложные кровли. Переход с уровня на уровень путем крепления токоотвода на коньковой планке и фальцевом свесе кровли.

9. Снегозадержание. Уравнивание потенциалов внешней системы молниезащиты. Присоединение к токоотводу специальным зажимом.

10. Пожарная лестница. Уравнивание потенциалов внешней системы молниезащиты. Присоединение к токоотводу специальным зажимом.

11. Соединение круглых проводников между собой

Следует отметить, что для установки токоотводов и молниеприемников на кровле здания и вентиляционных трубах не было просверлено ни одного отверстия.

Все установленные изделия для молниезащиты выполнены из стали с покрытием горячим цинком по ГОСТ 9.307-2021, а крепежные изделия – из нержавеющей стали А2, токоотвод – из стали с покрытием горячим цинком. Примененные материалы и методы их защиты от коррозии, а также технические решения гарантируют владельцу здания высокую надежность системы молниезащиты и длительный срок ее эксплуатации.

Кровли исторических зданий бывают выполнены и из меди. ООО «Элмашпром» изготавливает значительный ассортимент готовой продукции из меди для таких типов кровельного покрытия.

ОПИСАНИЕ КОНСТРУКТИВНЫХ ЭЛЕМЕНТОВ СИСТЕМЫ МОЛНИЕЗАЩИТЫ И УРАВНИВАНИЯ ПОТЕНЦИАЛОВ РЕКОНСТРУИРУЕМОГО ИСТОРИЧЕСКОГО ЗДАНИЯ

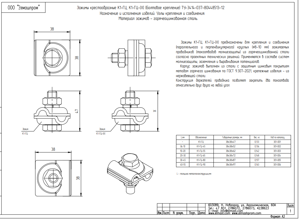
1. Цоколь. Крепление вывода заземляющего проводника и соединение с токоотводом молниезащиты;

Вывод круглого заземляющего проводника диаметром 10 мм, одна сторона которого присоединена к контуру заземления, а другая сторона проходит под отмосткой и выведена у цоколя соединяется с токоотводом молниезащиты диаметром 8 мм из оцинкованной стали зажимами К1-ГЦ. Клеммы зажима выполнены из горячеоцинкованной стали, крепежные изделия – из нержавеющей стали.

Рис.1 Соединение вывода заземляющего проводника диаметром 10 мм и токоотвода молниезащиты диаметром 8 мм
Рис.1 Соединение вывода заземляющего проводника диаметром 10 мм и токоотвода молниезащиты диаметром 8 мм
Рис.2 Зажим крестообразный К1
Рис.2 Зажим крестообразный К1
Рис.3 Узлы соединения проводников зажимом крестообразный К1-ГЦ
Рис.3 Узлы соединения проводников зажимом крестообразный К1-ГЦ

2. Стены. Одновременное крепление токоотвода молниезащиты и водосточной трубы на сборном кронштейне. Обход архитектурных элементов здания токоотводом.

Сборный кронштейн водосточной трубы.

1. Позволяет надежно крепить токоотвод и водосточную трубу на одном кронштейне, что уменьшает объем затрат на монтаж молниезащиты и защищает от случайного касания во время грозы. При этом присоединяемая деталь водосточной системы (кронштейн, хомут) должна иметь место крепления с соответствующей внутренней резьбой для установки.

2. Регулируемое расстояние крепления токоотвода от водосточной трубы до стены

3. Подходит для крепления на все типы несущих стен из бетона, полнотелого и пустотелого кирпича, газобетона, пенобетона, поризованных керамических блоков, искусственного и натурального камня сквозь утеплитель

4. Сборно-разборная конструкция изделия, что позволяет демонтировать водосточную систему и токоотвод молниезащиты при проведении ремонтных работ фасадов зданий и вновь установить после их окончания, а также заменить детали кронштейна при повреждении.

Рис.4 Сборный кронштейн водосточной трубы
Рис.4 Сборный кронштейн водосточной трубы
Рис.5 Обход архитектурных элементов здания
Рис.5 Обход архитектурных элементов здания

3. Водосточный желоб. Крепление токоотвода молниезащиты специальным зажимом ЗВ-1ГЦ

Зажим водосточного желоба ЗВ-1ГЦ (Рис.7, Рис.8)) изготовлен из стали толщиной 2,5 мм с покрытием горячим цинком по ГОСТ 9.307-21 с крепежными элементами из нержавеющей стали А2 ГОСТ ISO 3506-1-2014. Состоит из 2-х формованных пластин и клеммы.

Токоотвод молниезащиты изготовлен из круглой стали диаметром 8-10 мм с покрытием горячим цинком по ГОСТ. Крепежные элементы скобы перед установкой на желоб и проводника перед установкой в клемму ослабляют, после установки затягивают.

Рис.7 Зажим водосточного желоба
Рис.7 Зажим водосточного желоба
Рис.8 Узел крепления зажима водосточного желоба
Рис.8 Узел крепления зажима водосточного желоба

4. Кровля фальцевая. Крепление токоотвода на фальцевой кровле из металлопроката с полимерным покрытием держателем фальцевым ДФ-(Х)ГЦ где (Х) – высота проводника над уровнем кровли и выбирается из Таблицы 1. (Патент на изобретение № 28000066)

Держатель фальцевый ДФ (Рис.9) изготовлен из стали толщиной 2,5 мм с покрытием горячим цинком по ГОСТ 9.307-21 с крепежными элементами из нержавеющей стали А2 ГОСТ ISO 3506-1-2014. Состоит из 2-х формованных пластин и 2-х клемм и крепежных изделий. Между формованными пластинами зажимается стоящий кровельный фальц, между клеммами крепится 1 и/или 2 токоотвода. Токоотвод молниезащиты изготовлен из круглой стали диаметром 8-10 мм с покрытием горячим цинком по ГОСТ и устанавливается согласно Рис.9 с шагом 0,8-1,0 метр. Крепежные элементы скобы перед установкой на желоб и проводника перед установкой в клемму ослабляют, после установки затягивают.

Рис.9 Держатель проводника фальцевый ДФ-(Х)ГЦ
Рис.9 Держатель проводника фальцевый ДФ-(Х)ГЦ

Рис.10 Держатель проводника фальцевый ДФ-100ГЦ в составе системы молниезащиты здания
Рис.10 Держатель проводника фальцевый ДФ-100ГЦ в составе системы молниезащиты здания
Рис.11 Держатель проводника фальцевый ДФ-100ГЦ - крепление токоотвода молниезащиты диаметром 8 мм на фальцевой кровле
Рис.11 Держатель проводника фальцевый ДФ-100ГЦ - крепление токоотвода молниезащиты диаметром 8 мм на фальцевой кровле

5. Конек фальцевой кровли. Крепление токоотвода над коньковой планкой.

Коньковый держатель (Рис.12) применяется на металлических скатных фальцевых кровлях. Рекомендуется при заказе коньковых держателей провести точные измерения шага (ширины) кровельных карт (расстояния между соседними фальцами на одном скате и на другом скате), а также коньковой планки в целях исключения ошибок применения изделия

12. Коньковый держатель. Спец.заказ
12. Коньковый держатель. Спец.заказ

6. Вентиляционные трубы. Крепление токоотвода и стержневого молниеприемника и на вентиляционных трубах с коробом на основе фальцевой кровли из металлопроката с полимерным покрытием.

Для вертикального крепления круглого токоотвода из горячеоцинкованной стали на вентиляционных трубах с коробом на основе фальцевой кровли из металлопроката с полимерным покрытием использован держатель фальцевый ДФ-100ГЦ.

Для крепления стержневого молниеприемника из нержавеющей стали разработан оригинальный кронштейн на базе зажимов -струбцин и держателей фальцевых, где держатели фальцевые устанавливаются на вертикальный фальц, а к ним с помощью дополнительных крепежных изделий крепится Г-образная часть кронштейна с одной стороны, а с другой стороны он крепиться к центральной зажим-струбцине. При этом молниеприемник стержневой установлен на горизонтальной полосе, расположенной над защищаемой от поражения молнией вентиляционной трубой закрепленной на горизонтально закрепленных на фальце зажим- струбцинах.

13. Молниеприемник стержневой для вентиляционных труб. Спецзаказ
13. Молниеприемник стержневой для вентиляционных труб. Спецзаказ
14. Молниеприемник стержневой для вентиляционных труб. Спецзаказ
14. Молниеприемник стержневой для вентиляционных труб. Спецзаказ

7. Кровельные надстройки. Уравнивание потенциалов внешней системы молниезащиты. Присоединение металлоконструкции к токоотводу специальным зажимом

Для внешней системы уравнивания потенциалов молниезащиты кровельной надстройки (подключения ограждающей металлоконструкции к токоотводу молниезащиты) применяется зажим ЗШ-К1-ГЦ (Рис.15)

Рис.15 Зажим ЗШ-К1-ГЦ
Рис.15 Зажим ЗШ-К1-ГЦ

8. Сложные кровли. Переход с уровня на уровень путем крепления токоотвода на коньковой планке и фальцевом свесе кровли.

Для перехода круглого токоотвода с одного уровня на другой уровень на сложных кровлях одним из вариантов является вариант его крепления на коньковой планке. Для крепления токоотвода применяется специальный зажим-струбцина К1-ГЦ-БСТ11 (Рис.16)

Рис.16 Специальный зажим-струбцина К1-ГЦ-БСТ11
Рис.16 Специальный зажим-струбцина К1-ГЦ-БСТ11

9. Снегозадержатель. Уравнивание потенциалов внешней системы молниезащиты. Присоединение к токоотводу специальным зажимом.

В целях уравнивания потенциалов системы молниезащиты к токоотводу подключают снегозадержатель зажимом КВТ-8.1-М8.35 Токоотвод устанавливается в клемму, а пластина крепиться на снегозадержатель (крепежные изделия М8). Предварительно место установки зажима зачищается от полимерного покрытия до металла, затем обрабатывается цинковым спреем с содержание цинка не менее 86%, что обеспечивает хороший электрический контакт.

Рис.17 Зажим КВТ-8.1-М8.35
Рис.17 Зажим КВТ-8.1-М8.35

10. Пожарная лестница. Ограждение кровли. Уравнивание потенциалов внешней системы молниезащиты. Присоединение к токоотводу специальным зажимом.

Для подключения в целях уравнивания потенциалов пожарной лестницы и ограждения кровли выполненных из металлопроката плоского сечения используется зажим К1-ГЦ-СТ11, где 11 – максимальная толщина металлопроката. Токоотвод подключается к клемме (рис.18)

Рис.18 Держатель проводника К1-ГЦ-СТ11
Рис.18 Держатель проводника К1-ГЦ-СТ11
Рис.19 Подключение круглого токоотвода молниезащиты зажимом К1-ГЦ-СТ11
Рис.19 Подключение круглого токоотвода молниезащиты зажимом К1-ГЦ-СТ11

ООО "Элмашпром" - разработчик и завод-изготовитель

Запросы на техническую поддержку проектного решения и поставку изделий направляйте на электронный адрес: info@elmast.com

Справки по телефонам: +7 831 2786072, 2786073, 2786423, 2786450, 4238623

С ассортиментом продукции Вы можете ознакомиться на сайте: www.elmast.com