Добавить в корзинуПозвонить
Найти в Дзене
Радиолюбитель - это просто!

Часы на LM8560 (SC8560)

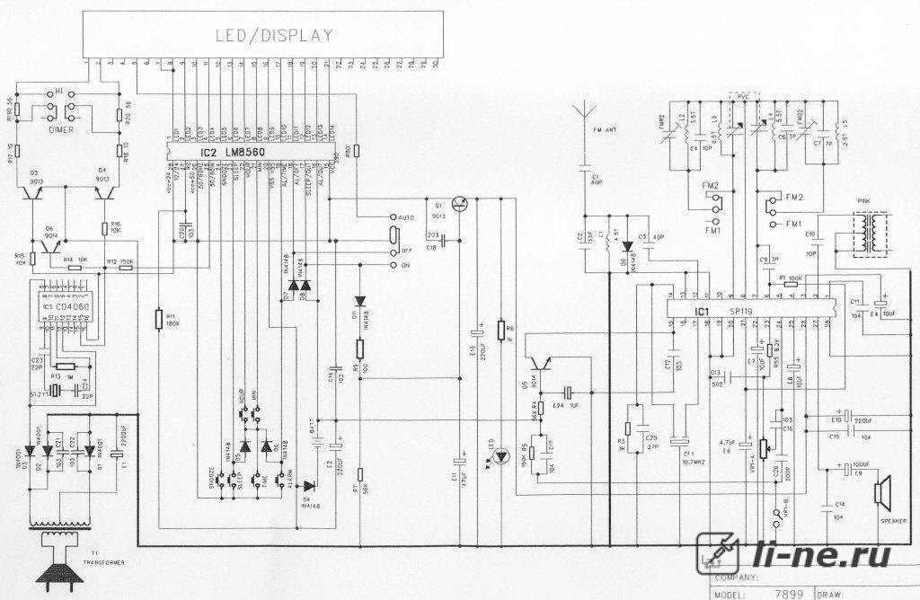
Поводом для написания этой статьи, которая по сути просто сборник схем и документация, послужила попытка ремонта Часов с радиоприемником (или Приемника с часами) от фирмы Vitek на микросхеме LM8560 она же SC8560. Часы от Vitek до меня уже были у какого-то мастера, который благополучно выход трансформатора припаял мимо выпрямителя и вообще видимо просто куда придумалось и в результате сгорело все, кроме светодиодного 7-ми сегментного индикатора и пары транзисторов. Поэтому ремонт не состоялся, но схемы остались. И можно было бы забыть про эту историю, но микросхема часов действительно хороша (LM8560), она умеет показывать часы, у нее есть будильник и по сигналу будильника можно не только пищать зуммером, а и управлять внешними устройствами (в данном случае это был приемник) и это два отдельных выхода. Даташит SC8560 Может конечно возникнуть вопрос о схеме радиоприемника, но скажу сразу она не заслуживает особого внимания, хотя схема приемной части есть на первой картинке.

Поводом для написания этой статьи, которая по сути просто сборник схем и документация, послужила попытка ремонта Часов с радиоприемником (или Приемника с часами) от фирмы Vitek на микросхеме LM8560 она же SC8560. Часы от Vitek до меня уже были у какого-то мастера, который благополучно выход трансформатора припаял мимо выпрямителя и вообще видимо просто куда придумалось и в результате сгорело все, кроме светодиодного 7-ми сегментного индикатора и пары транзисторов. Поэтому ремонт не состоялся, но схемы остались.

SC8560
SC8560

И можно было бы забыть про эту историю, но микросхема часов действительно хороша (LM8560), она умеет показывать часы, у нее есть будильник и по сигналу будильника можно не только пищать зуммером, а и управлять внешними устройствами (в данном случае это был приемник) и это два отдельных выхода.

SC8560
SC8560
SC8560
SC8560
SC8560
SC8560

Даташит SC8560

Может конечно возникнуть вопрос о схеме радиоприемника, но скажу сразу она не заслуживает особого внимания, хотя схема приемной части есть на первой картинке.