Добавить в корзинуПозвонить
Найти в Дзене
ГАРАЖ

Toyota Corolla: Возможные неисправности

Если двигатель не запускается и стартер не вращается Если автомобиль оборудован автоматической трансмиссией, то убедитесь что рычаг селектора находится в положении Park или Neutral. Откройте капот и убедитесь в чистоте полюсов аккумуляторной батареи и надежности крепления клемм. Включите фары и попробуйте запустить двигатель. Если при запуске двигателя фары горят очень тускло, то главной причиной отказа пуска является разряженная батарея. Запустите двигатель от батареи другого автомобиля, соблюдая порядок пуска в экстренной ситуации. Если двигатель не запускается при нормально работающем стартере Есть ли топливо в баке ? Есть ли влага на деталях и приборах электрооборудования двигателя? Выключите зажигание и протрите места скопления влаги сухой тряпкой. Нанесите водоотталкивающее аэрозольное средство (WD -40 или эквивалентное) на разъемы . Проверка ПОРЯДОК ВЫПОЛНЕНИЯ 1. Проверьте надежность соединения разъемов A, В, С, D (cм. рис. Расположение разъемов топливной системы и системы заж

Если двигатель не запускается и стартер не вращается

Если автомобиль оборудован автоматической трансмиссией, то убедитесь что рычаг селектора находится в положении Park или Neutral.

Откройте капот и убедитесь в чистоте полюсов аккумуляторной батареи и надежности крепления клемм.

Включите фары и попробуйте запустить двигатель. Если при запуске двигателя фары горят очень тускло, то главной причиной отказа пуска является разряженная батарея.

Запустите двигатель от батареи другого автомобиля, соблюдая порядок пуска в экстренной ситуации.

Если двигатель не запускается при нормально работающем стартере

Есть ли топливо в баке ?

Есть ли влага на деталях и приборах электрооборудования двигателя?

Выключите зажигание и протрите места скопления влаги сухой тряпкой. Нанесите водоотталкивающее аэрозольное средство (WD -40 или эквивалентное) на разъемы .

Проверка

Расположение разъемов топливной системы и системы зажигания.
Расположение разъемов топливной системы и системы зажигания.

ПОРЯДОК ВЫПОЛНЕНИЯ

1. Проверьте надежность соединения разъемов A, В, С, D (cм. рис. Расположение разъемов топливной системы и системы зажигания) при выключенном зажигании. Если есть подозрение на попадание влаги, то обработайте водоотталкивающим аэрозольным средством WD-40

-2

2. Проверьте надежность соединения высоковольтных проводов (A) со свечами зажигания.

-3

3. Проверьте надежность соединения высоковольтных проводов (B) с крышкой распределителя зажигания

-4

4. Проверьте, чтобы все разъемы системы зажигания (например, разъем на распределителе (C)) были сухими и при необходимости нанесите водоотталкивающее средство.

-5

5. Проверьте чистоту полюсов аккумуляторной батареи и надежность крепления клемм (D).

6. Особо внимательно проверьте низковольтный разъем катушки зажигания и высоковольтные провода.

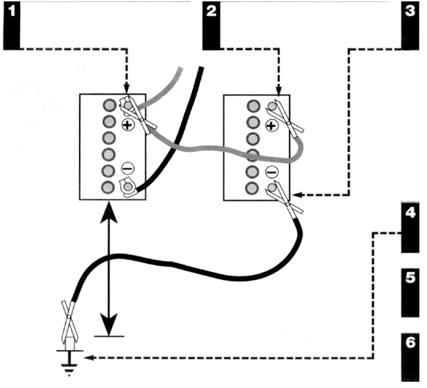
Запуск двигателя в экстремальных условиях

-6

1. Соедините клемму красного пускового кабеля с положительным полюсом разряженной батареи.

2. Другую клемму красного пускового кабеля соедините с положительным полюсом добавочной (пусковой) батареи.

3. Соедините клемму черного пускового кабеля с отрицательным полюсом добавочной батареи.

4. Другую клемму черного кабеля соедините с болтом или кронштейном на блоке цилиндров запускаемого двигателя, на достаточном расстоянии от добавочной батареи.

5. Убедитесь, что пусковые кабели расположены на достаточном расстоянии от вентилятора, ремней и других движущихся деталей двигателя и не могут с ними соприкоснуться.

6. Запустите двигатель от добавочной батареи, переведите в режим работы на холостом ходу и отсоедините кабели в обратном порядке.

При запуске двигателя с помощью добавочной батареи соблюдайте следующие правила.

1. Перед подключением добавочной батареи убедитесь, что зажигание выключено.

2. Убедитесь, что все потребители (фары, отопитель, стеклоочистители и др.) отключены.

3. Ознакомьтесь с мерами предосторожности, указанными на корпусе батареи.

4. Убедитесь, что норальное напряжение добавочной батареи такое же, что и у батареи на вашем автомобиле.

5. Если двигатель будет пускаться от батареи другого автомобиля, то кузова автомобилей соприкасаться не должны.

6. Убедитесь, что рычаг управления КПП находится в нейтральном положении (или в положении Park на автоматической трансмиссии).

Замена колеса

ОБЩИЕ СВЕДЕНИЯ

Некоторые особенности установки колеса могут отличаться в зависимости от модели автомобиля. Например, места размещения запасного колеса и домкрата на автомобилях различных моделей отличаются. Однако общий порядок работ одинаков для всех автомобилей.

Подготовка

ПОРЯДОК ВЫПОЛНЕНИЯ

1. При проколе колеса немедленно остановите автомобиль, учитывая условия движения.

2. Установите автомобиль на ровную твердую поверхность на достаточном удалении от полосы движения.

3. При необходимости включите сигнал аварийной остановки.

4. Если у вас есть знак аварийной остановки, то установите его для предупреждения остальных водителей.

5. Поставьте автомобиль на ручной тормоз и включите первую или заднюю передачу (положение Park в автомобилях с автоматической транмиссией).

6. Заблокируйте колесо диагонально противоположное заменяемому, – для этого подойдут два больших камня.

7. Если почва мягкая, то во избежание погружения домкрата подставьте под него доску.

Замена

ПОРЯДОК ВЫПОЛНЕНИЯ

1. Снимите декоративную панель с внутренней стороны багажного отделения и снимите домкрат.

2. Поднимите крышку пола багажника и отверните держатель запасного колеса. Достаньте запасное колесо, сумку с инструментами и ключ для гаек колес. Подставьте колодки, входящие в комплект инструментов, под колесо диагонально противоположное заменяемому.

3. Снимите декоративный колпак колеса при помощи лопатки, входящей в комплект инструментов. Затем колесным ключом ослабьте на пол-оборота гайки крепления заменяемого колеса.

4. Установите домкрат на твердой почве под усиленной секцией порога кузова (поднимите автомобиль, установите домкрат только под этим местом)

5. Вращайте рукоятку домкрата по часовой стрелке до тех пор, пока колесо не окажется приподнятым над землей, отверните гайки крепления колеса и снимите колесо.

6. Установите запасное колесо, заверните и затяните гайки крепления. Опустите автомобиль и подтяните гайки крепления в указанной последовательности.

7. Установите декоративный колпак.

8. Уберите из-под колеса колодки.

9. Положите в багажник домкрат и инструменты, соблюдая правильность размещения. Проверьте давление в шине установленного колеса. Если давление низкое, или у вас нет манометра, то двигаясь на малой скорости, доберитесь до ближайшего гаража и накачайте шину до нормального давления.

10. Незамедлительно сдайте поврежденное колесо (или шину) в ремонт.