Добавить в корзину
Позвонить
Найти в Дзене
Войти
Автоэлектрик это просто
13 подписчиков
Подписаться
Разгрузка Реле Зажигания Дэу Нексия N150
8 декабря 2024
8 дек 2024
70
...
Читать далее
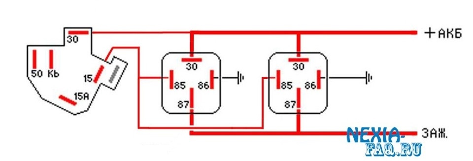
схема разгрузки зажигание и стартер
схема разгрузки зажигание и стартер
схема разгрузки только зажигание
схема разгрузки только зажигание
готовый вариант
готовый вариант
1
393619533.1069.1779180081446.61835