Найти в Дзене
Паяльник

Тестер разъема RJ45

Большинство сбоев в сетях LAN, как строящихся, так и эксплуатируемых, связано с отсутствием контакта в абонентских розетках RJ45 или патч-панелях. Использование неисправных инструментов и неподходящих разъемов RJ45, оказывает очень большое влияние на ошибки при установке локальной сети. Этот тестер проверяет разъемы RJ45, подключенные к стандарту TIA/EIA-568A или TIA/EIA-568B, указывая, какая из четырех пар проводов является проблемой. В устройстве первой паре проводов назначены контакты 1-2, а последующим парам - контакты 3-6, 4-5, 7-8. Тестер проверяет, электрически ли витые пары соединены с указанными выше контактами гнезда RJ45. Этот режим тестирования напрямую указывает на место плохого контакта. Обычные тестеры, проверяющие топологию Ethernet-кабелей, для профессионального монтажника бесполезны, поскольку в случае ошибки они вынуждают снова демонтировать абонентскую розетку или, что еще хуже, демонтировать только что готовую патч-панель. . А по закону Мерфи установщик наверняка с

Большинство сбоев в сетях LAN, как строящихся, так и эксплуатируемых, связано с отсутствием контакта в абонентских розетках RJ45 или патч-панелях. Использование неисправных инструментов и неподходящих разъемов RJ45, оказывает очень большое влияние на ошибки при установке локальной сети.

Этот тестер проверяет разъемы RJ45, подключенные к стандарту TIA/EIA-568A или TIA/EIA-568B, указывая, какая из четырех пар проводов является проблемой. В устройстве первой паре проводов назначены контакты 1-2, а последующим парам - контакты 3-6, 4-5, 7-8. Тестер проверяет, электрически ли витые пары соединены с указанными выше контактами гнезда RJ45. Этот режим тестирования напрямую указывает на место плохого контакта.

Обычные тестеры, проверяющие топологию Ethernet-кабелей, для профессионального монтажника бесполезны, поскольку в случае ошибки они вынуждают снова демонтировать абонентскую розетку или, что еще хуже, демонтировать только что готовую патч-панель. . А по закону Мерфи установщик наверняка сначала проверит правильность подключения розеток ...

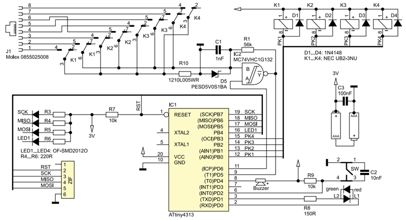
Принцип работы

Принцип работы схемы основан на проверке дополнительной ёмкости на соответствующих контактах разъема RJ45 после подключения тестируемого LAN-кабеля.

Расположение пары проводов на контактах 1–2, 3–6, 4–5, 7–8 проверяется в соответствии со стандартом TIA/EIA-568A или TIA/EIA-568B. При тестировании настенных абонентских розеток можно использовать дополнительный патч-корд. Тестер откалиброван для измерения кабелей витой пары длиной не менее 4 метров. Конечно можно настроить чувствительность тестера самостоятельно согласно информации, представленной далее в статье.

В устройстве используется микроконтроллер ATtiny4313, тактируемый от внутреннего генератора частотой 1 МГц. Для измерения подключенной емкости испытуемой витой пары использовался генератор, построенный на вентиле Шмитта. Конденсатор С1 и резистор R1 определяют частоту сигнала, формируемого на выходе логического элемента И-НЕ.

Подключив емкость измеряемой кабельной пары к емкости конденсатора С1 через контакты реле К1-4, мы вызываем изменение частоты, формируемой на выходе логического элемента И-НЕ.
Отсутствие изменения частоты на заранее определенную величину микроконтроллер интерпретирует как ошибку подключения измеряемого кабеля четности в разъеме RJ45. Ошибки подключения индицируются миганием светодиодов, согласно следующей схеме:

• LED1 -> пара 1-2.
• LED2 -> пара 3-6
• LED3 -> пара 4-5
• LED4 -> пара 7-8

Дополнительно активируется акустическая сигнализация – короткие и длинные сигналы, генерируемые пьезозуммером.
 Соответстующее измерение (изменение частоты генератора из вентилей И-НЕ на определенное значение) на каждой из измеряемых пар сигнализируется тремя короткими звуковыми сигналами.

После завершения теста микроконтроллер переходит в режим Power Down, тем самым минимизируя потребление тока от батареи. Замеры потребляемого тока в прототипе составили 12 мА, что позволило отказаться от использования механического выключателя питания. Хотя при желании его можно применить.

Тестер питается от двух батареек типа ААА и помещен в удобный корпус из АВС-пластика.

После нажатия кнопки SW тестер проверяет, подключены ли последующие пары витых пар электрически к соответствующим контактам разъема RJ45. Поскольку велика вероятность подключения тестера к проводке с напряжением в здании, вход схемы защищается полимерным предохранителем на 50 мА (R10) и супрессором (защитным диодом) с номинальным напряжением 5 В (D5).

Перед выполнением практического тестирования разъема RJ45 программа микроконтроллера измеряет напряжение питания. После того, как напряжение батареи упадет до 2,5В, вместо выполнения теста схема генерирует сигнал SOS азбукой Морзе с помощью зуммера и мигает красный светодиод, встроенный в кнопку S1.

Замечание: используется кнопка SW со светодиодами PB6149L-13-102, цвет подсветки - красный/зеленый.

Измерение напряжения осуществляется косвенным способом. Он использует сильную зависимость частоты, генерируемой на выходе вентиля И-НЕ, от напряжения, питающего схему генератора. Напряжение питания проверяется сразу после нажатия кнопки S1. Затем загорятся все светодиоды. Измеренная в это время частота сигнала генератора становится опорной частотой, с которой сравниваются частоты при дальнейших измерениях.

Представленный фрагмент программы в листинге 1 показывает, среди прочего, числовую константу 6500, с которой сравнивается значение счетчика Timer1 микроконтроллерной программы. Были проведены измерения, которые показали, что при напряжении 2,5В генератор, состоящий из вентиля И-НЕ, генерирует сигнал частотой 13 кГц, что дает 6500 импульсов, подсчитываемых за время измерения длительностью 500 мс. Меньшее количество импульсов в фазе измерения напряжения свидетельствует о том, что напряжение питания упало ниже допустимого значения 2,5В. Далее в листинге показана строка C=Timer1-1000, с помощью которой можно регулировать (меняя константу, здесь 1000) чувствительность тестера.

-2

Из-за производственных допусков при монтаже устройства можно встретить резистор R1 и конденсатор С1 с несколько разными значениями сопротивления и емкости.
Далее можно либо подобрать элементы так, чтобы их параметры как можно меньше отличались от приведенных на схеме, либо изменить константу, определяющую чувствительность. Чем выше значение константы, тем ниже будет чувствительность тестера. Необходимо соблюдать определенный запас по чувствительности, чтобы можно было использовать вспомогательный патч-корд для проверки разъемов RJ45. Если бы чувствительность тестера была максимальной, простое подключение короткого патч-корда давало бы положительный результат теста.

Монтаж


Рис. 2. Печатная плата кабельного тестера RJ45
Рис. 2. Печатная плата кабельного тестера RJ45
Плата в Sprint Layout представлена верхней и нижней стороной:
Плата в Sprint Layout представлена верхней и нижней стороной:

После завершения монтажа компонентов и разъема ZIFF можно приступать к программированию микроконтроллера. Был использован пакет Bascom AVR, в котором создавалась программа и с помощью которого можно легко запрограммировать микроконтроллер.

В ATtiny4313 менять FUSE BIT не нужно - для тестера подходят заводские настройки, т.к. RC-генератор работает с частотой по умолчанию 1 МГц.

Результирующий код программы после компиляции составляет примерно 1,45 КБ, поэтому можно с успехом использовать микроконтроллер ATtiny2313.

Общий вид:

-5

ELEKTRONIKA PRAKTYCZNA 12/2012 (перевод: alik19)

Скачать список элементов (PDF)

Прикрепленные файлы: