Добавить в корзинуПозвонить
Найти в Дзене
Электроник ОПГЭ

Подключаю компьютерную гарнитуру к ft897 , плюс фильтр помех.

Вообще то гарнитуру использую давно. Но подключена она была , как бы временно. То есть, спаяно "объемным" монтажем , закручено изолентой. "Нет ни чего более постоянного, чем временное". В таком виде более десяти лет использовал. Правда провод, все таки, был сразу заменен на нормальный экранированный и гибкий. Микрофон электретный. Схема типовая из сети. Особого смысла , почему именно такая, не искал. Работало - устраивало. Наушники , конечно, просто напрямую . Понадобилось внести изменения . Но в комке изоленты да с кучей ферритовых колец и защелок, не удобно. Решил "окультурить" как то . Сначала набросал схему и печатку. Корпус специально искать не стал. Буду делать по принципу "конструкции выходного дня" - спаяю из фольгированного текстолита. Нарисовал печатку - она же часть корпуса . Одна сторона будет сплошной экран. Монтаж со стороны дорожек. Рисовал перманентным маркером в два слоя. Далее траванул в "хлорном железе". Плату кладем в "хлорку" аккуратно печаткой вниз. Плата должна

Вообще то гарнитуру использую давно. Но подключена она была , как бы временно. То есть, спаяно "объемным" монтажем , закручено изолентой. "Нет ни чего более постоянного, чем временное". В таком виде более десяти лет использовал. Правда провод, все таки, был сразу заменен на нормальный экранированный и гибкий. Микрофон электретный. Схема типовая из сети. Особого смысла , почему именно такая, не искал. Работало - устраивало.

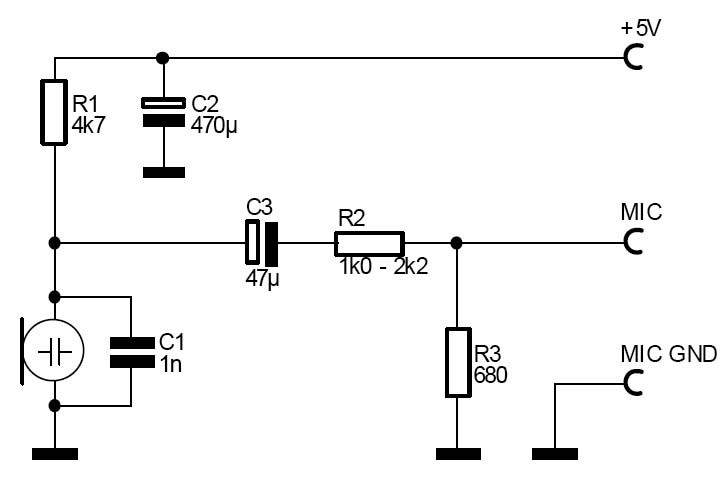
Схема из сети. Номиналы отличаются не принципиально.
Схема из сети. Номиналы отличаются не принципиально.

Наушники , конечно, просто напрямую .

Понадобилось внести изменения . Но в комке изоленты да с кучей ферритовых колец и защелок, не удобно. Решил "окультурить" как то . Сначала набросал схему и печатку.

Б.Ж.К - цвета проводочков кабеля . 4.3.5.7 - контакты RJ45
Б.Ж.К - цвета проводочков кабеля . 4.3.5.7 - контакты RJ45

Корпус специально искать не стал. Буду делать по принципу "конструкции выходного дня" - спаяю из фольгированного текстолита. Нарисовал печатку - она же часть корпуса . Одна сторона будет сплошной экран. Монтаж со стороны дорожек. Рисовал перманентным маркером в два слоя.

-3

Далее траванул в "хлорном железе". Плату кладем в "хлорку" аккуратно печаткой вниз. Плата должна плавать на поверхности. Это лучший способ травления. Через часок примерно протравилось (реально быстрее). Рисунок смывается даже изопропилом , но ацетоном было бы лучше.

-4

Начинаю собирать "корпус". Вырезаю из фольгированного текстолита боковые стороны. Сверлю отверстия под провода. Припаиваю к нижней стороне платы. Паяльник надо бы ват на 60. Но у меня в наличии только 25 и 100 :) . 25 вообще не выйдет. Сотка слишком мощный, надо быстро и не переделывать. Иначе фольга отклеится. Получается не аккуратно . Но сойдет.

-5

Теперь дроссель для защиты от наводок. Буду наматывать провод идущий от гарнитуры на феррит. Нашел у себя вот такие кольца. Не помню от чего. Внутренний диаметр 10 мм.

-6

Взял три штуки столбиком. Намотал кабель от гарнитуры - три витка вышло. Точнее - два с половиной. Установил все детали. Параллельно конденсатору 47Н добавил электролит 22 мкф.

-7

Общий провод микрофона идущий от устройства ни где с "землей " не соединял. Все кабели экранированные. Экраны кабелей соединяются с "землей" только в нашем корпусе. Общий провод (не микрофонный) от 897 идет отдельным проводом в том же экране. Кабелек от USB использовал. Закрыл все крышкой из того же текстолита, припаяв немного с краю , замкнул экран. Присоединил RJ45 (8P8C - для дотошных ) и аудиоразъем.

-8

Испытал в работе. Все норм. Наводок нет.

-9