Найти в Дзене

Блок питания стартует, но тут же выключается

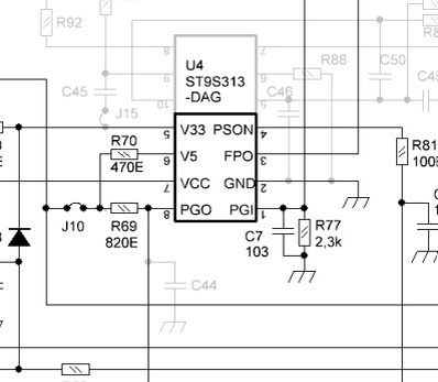
Сегодня статья про чистый ремонт, без тестов. А 4-лучевой осциллограф наглядно покажет работу супервизора. Я не буду подробно описывать работу супервизора, этой информации и без того много в интернете, зачем плодить сущности. Вкратце только скажу, что все компьютерные блоки питания от самых дешевых до самых дорогих имеют в своем составе специализированную микросхему которая называется "супервизор". Принцип работы у всех них примерно одинаков, они мониторят напряжение выходных линий и в случае отклонения от допустимых параметров останавливают генерацию блока. Мне на ремонт попался блок Chieftec GPA-700S с супервизором ST9S313-DAG. Простенький, на 8 выводов. Бывают супервизоры посложнее - до 16 выводов. Такие дополнительно могут мониторить силу тока по выходным линиям, причем, если требуется, по нескольким каналам одной линии (если линия +12 разделена на 2 и более канала).
Итак, есть блок питания, который стартует и тут же уходит в защиту. Подключаем осциллограф к выходным линиям:
+1

Сегодня статья про чистый ремонт, без тестов. А 4-лучевой осциллограф наглядно покажет работу супервизора.

супервизор ST9S313-DAG в схеме
супервизор ST9S313-DAG в схеме

Я не буду подробно описывать работу супервизора, этой информации и без того много в интернете, зачем плодить сущности. Вкратце только скажу, что все компьютерные блоки питания от самых дешевых до самых дорогих имеют в своем составе специализированную микросхему которая называется "супервизор". Принцип работы у всех них примерно одинаков, они мониторят напряжение выходных линий и в случае отклонения от допустимых параметров останавливают генерацию блока. Мне на ремонт попался блок Chieftec GPA-700S с супервизором ST9S313-DAG. Простенький, на 8 выводов. Бывают супервизоры посложнее - до 16 выводов. Такие дополнительно могут мониторить силу тока по выходным линиям, причем, если требуется, по нескольким каналам одной линии (если линия +12 разделена на 2 и более канала).
Итак, есть блок питания, который стартует и тут же уходит в защиту. Подключаем осциллограф к выходным линиям:
+12 - желтый луч (здесь и во всех последующих диаграммах)
+5 - зеленый луч (здесь и во всех последующих диаграммах)
+3.3 - красный луч
FPO - синий луч (здесь и во всех последующих диаграммах)
(Прим:
FPO - выходной сигнал защиты от аварийных режимов работы. Этот сигнал управляет ШИМ-контроллером, разрешая или запрещая его работу. Если ШИМ-контроллер находится в первичной части блока питании, то он управляется сигналом FPO через оптопару. Низкий уровень сигнала FPO разрешает работу ШИМ-контроллера, а высокий уровень сигнала - запрещает).

-2

Что видим: ага, так и есть, именно супервизор запрещает блоку работать: видно как синий луч FPO поднимается в высокий уровень примерно через 110-120 мс. после старта. Странно, все линии поднялись же, что тебе ещё надо?

Ладно, встаём красным лучом на линию PSON (Прим: сигнал удаленного управления, формируемый системной платой персонального компьютера. Установка этого логический сигнала в низкий уровень приводит к запуску блока питания, а установка в высокий уровень - к выключению вход блока питания).

-3

PSON запуску не мешает, находясь в низком логическом уровне. Кстати, заметили временную задержку примерно в 60 мс между опусканием сигнала PSON и опусканием сигнала FPO, интересно, для чего она, у меня нет ответа. Ну, ладно, идем дальше.
Супервизор помимо выходных линий отслеживает также наличие генерации на основном трансформаторе. Отслеживать этот сигнал важно, поскольку позволяет остановить работу микросхемы супервизора до того, как пропадет питание самой микросхемы, поскольку в ином случае супервизор может выйти из строя. Для этого, от вторичной обмотки трансформатора сигнал идет на ножку PGI супервизора. Встаем красным лучом на PGI

-4

Видим, генерация прекращается после поднятия FPO, а следовательно причиной блокировки работы супервизора сигнал PGI не является.
Тут можно уже развести руками и побежать в магаз за новым супервизором. А что, это логично, линии по которым в супервизор поступают сигналы проверены все, очевидно же, что если на входе всё ок, то дело в самом супервизоре.
Но нет, интересной особенностью некоторых супервизоров является то, как они отслеживают линию +12 вольт. Посмотрите на первой картинке распиновку супервизора: V33 и V5 есть, а V12 то нет! Как же он отслеживает? Тут мы видим гениальное решение от инженеров: линия +12 отслеживается на входе VCC (т.е. питания супервизора). Но там же питание подается с дежурки +5VSB - скажете вы. И будете правы, питание супервизора идет с дежурки, но только до момента старта основной генерации, а затем, в течении примерно 60-80 мс супервизор мониторит на ножке VCC напряжение +12 вольт и уже в течении всей работы блока питается именно от +12 вольт. А чтобы по линиям +5VSB и +12 не было взаимных утечек, на каждой из них стоит по диоду. Так что встаем на VCC красным лучом и смотрим:

-5

VCC поднялась с 4 до 5 вольт и всё, т.е. ожидаемые нами +12 мы не увидели.
Вот и причина неисправности, остальное дело техники: находим на плате дорожку которая ведет от линии +12 к ножке VCC супервизора. На ней нет ничего кроме диода. Выпаиваем диод, проверяем, он с бесконечным сопротивлением в обе стороны. Меняем его, запускаем, блок работает. Ремонт окончен.