Найти в Дзене

О измерении внутреннего сопротивления АКБ – Часть 3 (Влияние контекста)

Как на показания омметра АКБ влияют параллельные цепи, подключенные к батарее, например, зарядное устройство, нагрузка или другие батареи. Введение В первой части мы рассмотрели измерение сопротивления и некоторые связанные с этим проблемы. Во второй части мы объяснили, как работает четырёхпроводное соединение и как тип соединения может влиять на показания. В этой статье мы рассмотрим более широкий спектр и то, к чему может быть подключена батарея. Мы объясняем, что на показания омметра батареи в режиме реального времени могут влиять параллельные цепи, подключенные к батарее, например, зарядное устройство, нагрузка или другие батареи. Это влияние, как правило, заметно только в батареях с небольшим количеством элементов, например, с двумя или четырьмя элементами в батарее. Описание эксперимента и гипотеза Для измерения сопротивления батареи к ней прикладывается известный тестовый сигнал и измеряется реакция напряжения. Обычно это влияние заметно только в небольших линейках (банках) акк
Как на показания омметра АКБ влияют параллельные цепи, подключенные к батарее, например, зарядное устройство, нагрузка или другие батареи.

Введение

В первой части мы рассмотрели измерение сопротивления и некоторые связанные с этим проблемы. Во второй части мы объяснили, как работает четырёхпроводное соединение и как тип соединения может влиять на показания.

В этой статье мы рассмотрим более широкий спектр и то, к чему может быть подключена батарея. Мы объясняем, что на показания омметра батареи в режиме реального времени могут влиять параллельные цепи, подключенные к батарее, например, зарядное устройство, нагрузка или другие батареи. Это влияние, как правило, заметно только в батареях с небольшим количеством элементов, например, с двумя или четырьмя элементами в батарее.

Описание эксперимента и гипотеза

Для измерения сопротивления батареи к ней прикладывается известный тестовый сигнал и измеряется реакция напряжения.

Обычно это влияние заметно только в небольших линейках (банках) аккумуляторов, например, в последовательности из двух аккумуляторов. Степень влияния также зависит от сопротивления соединительных кабелей/перемычек, зарядного устройства, других последовательностей аккумуляторов, нагрузки и всего остального в цепи.

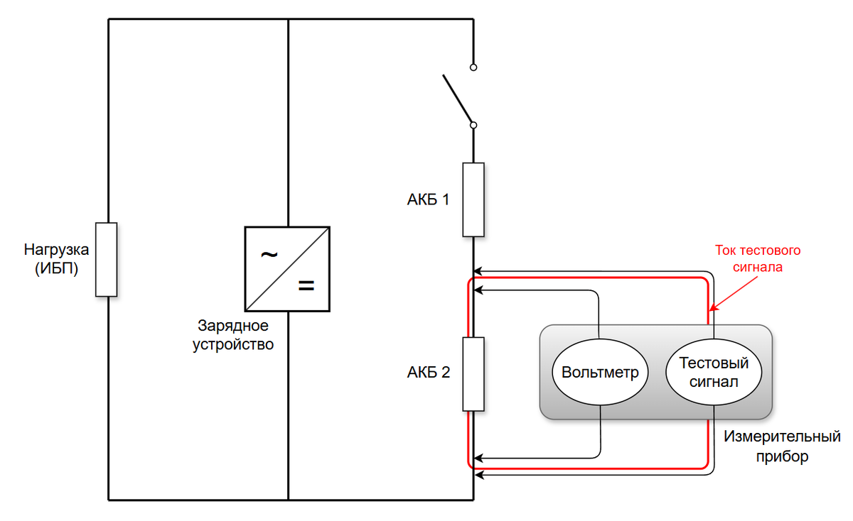
Чтобы понять, почему на показания сопротивления батареи может влиять что-то ещё, можно рассмотреть путь прохождения тестового сигнала. На рисунке 1 измеряется сопротивление батареи № 2, а ток тестового сигнала показан красным. Рубильник разомкнут и весь ток тестового сигнала проходит через батарею № 2.

Когда рубильник замыкается, путь прохождения тестового сигнала меняется, как показано на рисунке 2.

-2

На рисунке 2 видно, что ток тестового сигнала, проходящий через аккумулятор № 2, уменьшается, поскольку часть тестового сигнала проходит через другие части цепи.

Для получения показаний прибора для измерения импеданса используется формула: R=U/I

R — это сопротивление,

U — напряжение,

I — сила тока.

Вольтметр измеряет U, а источник тестового сигнала выдает эталонный ток - I.

Предположим, что сопротивление батареи № 2 составляет 5 мОм, а сопротивление параллельного контура приводит к разделению тока тестового сигнала в соотношении 9/1. Через батарею № 2 проходит ток тестового сигнала силой 0,9 А.

На рисунке 1 при подаче тестового сигнала 1 А изменение напряжения батареи составляет 5 мВ.

Сопротивление батареи № 2 5 мВ / 1 А = 5 мОм

На рисунке 2 при подаче тестового сигнала в 1 А через аккумулятор проходит ток в 0,9 А, поэтому изменение напряжения составляет 4,5 мВ.

Сопротивление батареи № 2 4,5 мВ / 1 А = 4,5 мОм

Сопротивление батареи № 2 не изменилось, но при замыкании выключателя показания изменились, потому что изменилась цепь, и ток тестового сигнала через батарею № 2 стал меньше.

В ходе своих измерений хотим убедиться в том, сколь сильно на результатах измерений внутреннего сопротивления АКБ оказывает влияние контекст (окружение). Все измерения будем проводить в конфигурациях, включающих в себя только АКБ и соединительные провода. Влияние зарядных устройств, пульсирующих токов и т.п. в этом эксперименте не учитываем.

Эксперимент

Чтобы продемонстрировать эффект контекста (окружения) с помощью реальных измерений, мы провели три измерения на одной и той же батарее в следующих конфигурациях:

  • батарея находится вне цепи;
  • батарея в цепи – банк состоит из двух параллельных линеек по 2 АКБ. В этой конфигурации влияние контекста наиболее заметен;
  • батарея в цепи – банк состоит из двух параллельных линеек по 32 АКБ в линейке.

Оборудование:

  • 64 x VRLA AGM батареи HRL 12-80 X (12В / 80Aч). Паспортное значение внутреннего сопротивления – 4,8мОм. На момент измерений АКБ в эксплуатации около трех лет.
  • Соединительные кабели

Тестер аккумуляторных батарей Midtronics CellUltra 6000.

-3

Точки измерений во всех конфигурациях – на лепестках.

В качестве результата используем среднее значение пяти повторений измерений.

  1. Сопротивление АКБ не в цепи составляет 6,43 мОм.
  2. Сопротивление этого же аккумулятора в цепи 2х2 АКБ составляет 4,57мОм. Т.о. изменение показаний составляет (6,43 - 4,57)/ 6,43 x 100 = 28,9%
  3. Сопротивление этого же аккумулятора в конфигурации с двумя группами аккумуляторов по 32 аккумулятора каждой группе составляет 6,31мОм. Т.е. разница сопротивления АКБ в цепи и вне цепи (6,43 - 6,31)/ 6,43 x 100 = 1,86%

Как видите, величина изменения измеренного сопротивления сильно зависит от количества аккумуляторов в цепи.

Заключение

На результаты измерений импеданса батареи влияет то, что измерение проводится, когда батарея находится в цепи/вне цепи. Однако степень влияния в основном зависит от количества батарей в цепи. В ходе нашего эксперимента для цепи из 64 батарей изменение составило 1,86%, а для цепи из 4 батарей — 28,9%.

Как мы уже упоминали в этой серии статей об измерениях сопротивления, для корректного отслеживания изменения импеданса необходим постоянный контекст измерений. Переход от автономных/отключенных измерений к онлайн-измерениям или изменение схемы подключения могут повлиять на результаты измерений и привести к получению данных, не учитывающих контекст. В система мониторинга АКБ крайне важно учитывать базовый уровень и процент изменения для установки порога срабатывания сигнализации.

При отслеживании изменений в показателях импеданса батарей в установках с небольшим количеством батарей в каждой цепи необходимо фиксировать любые изменения в установке (например, добавление новой параллельной цепи) и предоставлять эту информацию лицу, интерпретирующему результаты. Изменение импеданса батареи может быть связано с изменением установки, а не с самой батареей.

Чтобы подробнее ознакомиться с темой измерения импеданса, вы можете прочитать другие статьи из этой серии:

О измерении внутреннего сопротивления АКБ – Часть 1 (Импеданс)

О измерении внутреннего сопротивления АКБ – Часть 2 (Измерение по Кельвину)

(С) «Фарадей и Пассатижи»