Добавить в корзинуПозвонить
Найти в Дзене
Уголок инженера

Сокращение трудозатрат при разработке чертежей. Использование таблицы применимости

Приветствую читателя на своём канале. Сразу скажу, что свои разработки я веду по разделам автоматизации, соответственно статья будет лучше всего подходить для проектировщиков по автоматизации, а также электротехнических и слаботочных отделов.
Данную статью хочу посвятить одному хитрому решению, которое непосредственно связано с грамотным отображением технологических систем в разделах автоматизации. Речь пойдёт об оформлении чертежей при использовании однотипного технологического оборудования. Описываемое принятое решение носит рекомендательный характер, к которому я за свою личную практику не всегда прибегаю. Подозреваю, что другие инженеры-проектировщики в силу сложившейся привычки, своих особенностей оформления либо каких-либо других требований могут напрочь избегать такого решения. Но если вы ищете методы для сокращения своих собственных трудозатрат и повышения своих показателей для какой-либо отчётности, то обсудим один из них. Здесь я не буду закидывать вас нормативными ссылками
Оглавление

Приветствую читателя на своём канале. Сразу скажу, что свои разработки я веду по разделам автоматизации, соответственно статья будет лучше всего подходить для проектировщиков по автоматизации, а также электротехнических и слаботочных отделов.
Данную статью хочу посвятить одному хитрому решению, которое непосредственно связано с грамотным отображением технологических систем в разделах автоматизации. Речь пойдёт об оформлении чертежей при использовании однотипного технологического оборудования.

Описываемое принятое решение носит рекомендательный характер, к которому я за свою личную практику не всегда прибегаю. Подозреваю, что другие инженеры-проектировщики в силу сложившейся привычки, своих особенностей оформления либо каких-либо других требований могут напрочь избегать такого решения. Но если вы ищете методы для сокращения своих собственных трудозатрат и повышения своих показателей для какой-либо отчётности, то обсудим один из них. Здесь я не буду закидывать вас нормативными ссылками и необходимыми ГОСТами. Если вас как читателя заинтересовала тема статьи, то можно предположить, что вы пользуетесь нормативной документацией на соответствующем уровне. Поэтому упрощу изложение материала до самого минимума.

Источник картинки нейросеть AI Image Generator
Источник картинки нейросеть AI Image Generator

Метод применим к любому инструменту разработки чертежей, известному на сегодняшний день. Независимо от того разрабатываете вы свою документацию в AutoCAD/Компас либо применяете технологии информационного моделирования (BIM-технологии).

Итак, будет лучше всего разобрать этот момент на условных примерах без разглашения коммерческой тайны.

Пример 1.

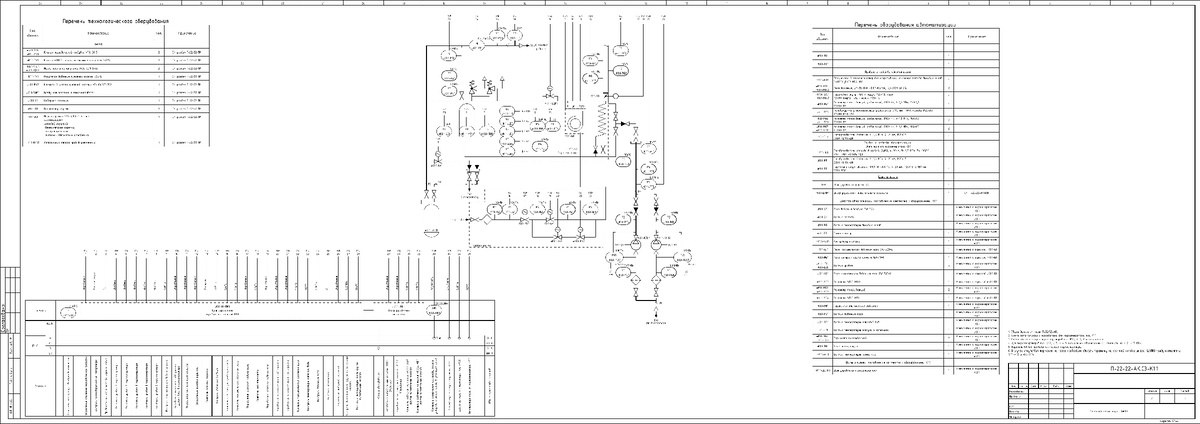
Согласно заданию от технолога необходимо было автоматизировать четыре однотипных парогенератора. Большая часть оборудования поставлялась комплектно с установками, но суть не в этом.

Заранее хочу предупредить, что не нужно глубоко вникать в отображение схемы и разбираться с работой самой технологии, воспринимайте всё поверхностно. Говорю это для того, чтобы вы как читатель не останавливались на начале пути прочтения, если показалось, что отображение схемы видится тяжёлым и перегруженным.

-2

Соответственно мы создаём схему автоматизации, где разработана технологическая схема в целом и включает в себя следующее: технологическое и инженерное оборудование, коммуникации (трубопроводы), технические средства автоматизации, средства регулирования и управления, линии связи между отдельными техническими средствами автоматизации и др. Схема выполнена развёрнутым способом. Более глубоко в стандарты нормативных документов погружаться не будем, т.к. это уже не тема этой статьи. Но если для вас это важно, то основными документами для создания чертежа послужили ГОСТ 21.408-2013, ГОСТ 21.208-2013, а также в соответствии с предписаниями ГОСТ 21.702-75.

При выполнении задачи было замечено что обвязка парогенераторов абсолютно идентична, т.е. одинаковое количество средств автоматизации, показывающих приборов, а также технология отвода тепла. Сталкиваясь с подобными случаями нам нет необходимости показывать каждый парогенератор с оборудованием на листах отдельно, а показываем только один с добавлением соответствующего примечания.

Фрагмент для быстрого копирования:

  1. Общие данные см. черт. П-ХХ/ХХ-АК(АТМ, АГСВ и т.п.).
  2. Схема автоматизации разработана для парогенератора поз. К1.1.
  3. Схема автоматизации парогенераторов поз. К1.2, К1.3, К1.4 аналогична.
  4. Для парогенераторов поз. К1.2, К1.3, К1.4 в позиционном обозначении К1.1 заменить на К1.2. К1.3, К1.4.
  5. Перечень КИПиА приведён для одного парогенератора.

Тут надо оговорить для ясности, что в своём разделе каждому парогенератору были присвоена своя отдельная позиция, которая выполняла роль установки, что для программы EPLAN имеет очень важное значение. Отдельное упоминание об использовании BIM-программы EPLAN я выполнил в другой статье, поэтому здесь мы не будем погружаться в её основы, но очень рекомендую почитать, если у вас этот инструмент был только на слуху.

EPLAN v2.9. Обзор BIM-программы
Инженерия19 октября 2024

Если кратко, то это программа была создана специально для отелов автоматизации и электротехники.
Соответственно на схеме автоматизации был отображён только один парогенератор с позицией К1 в составе установки =К1.1 (полное позиционное обозначение =К1.1-К1) с его полной обвязкой, включая все средства автоматизации, шкафы управления, дополнительное технологическое оборудования и КИПиА. Далее в нашем примечании мы оговариваем, что в проекте присутствуют точно такие же парогенераторы, которые не отображены на отдельных листах, но учитываются в спецификации.

Если вы относитесь к тем проектировщикам, которые присваивают индивидуальную позицию каждому прибору, то таким нехитрым способом вы сэкономите много времени и сил только на одном листе автоматизации, а ведь это ещё не конец! Т.к. к подобному оборудованию на строительной стадии (стадия С/ стадия Р) необходимо выполнить схемы соединения внешних проводок. Именно тут наступает вторая часть нашей работы, когда схемы внешних соединений мы делаем тоже только для одного парогенератора. Вместо отображения обвязки остальных установок мы применяем «таблицу применимости», в которой мы отображаем информацию, показывающую связь между задействованным оборудованием.

Хочу обратить ваше внимание на следующий момент. Таблица применимости, которую мы используем на наших чертежах это не таблица соединений и подключения внешних проводок. Первую мы используем для нашего удобства и сокращения трудозатрат, вторую мы используем согласно предписаниям ГОСТа 21.408-2013.

-3

Если внешнее соединение имеется, то в таблице отобразится метраж кабеля, если такого соединения нет, то в ячейке будет прочерк. Вам не придётся гадать каким именно кабелем по маркировке необходимо соединять приборы либо сколько металлорукава необходимо будет задействовать на каждом соединении, т.к. это всё будет отображено на схеме для первого парогенератора. Конечному пользователю (Заказчик, монтажники) остаётся лишь совместить полученную информацию на чертежах и выполнить аналогичные подключения.

Отдельный вопрос – это учитывание средств автоматизации в вашей спецификации (если оно в силу разных причин не учтено в разделах технологов). Для решения данного вопроса применяются различные методы их учёта, но всё зависит от программной среды, в которой вы работаете. Как я понимаю, они немного отличаются в зависимости от того, будете вы использовать хорошо нашумевший Revit, проверенный временем AutoCAD либо же профессиональный EPLAN. Но для раскрытия такого вопроса лучше посвятить отдельную статью при вашем желании.

Также нужно заранее оговорить, что таблица применимости может иметь другой вид. На моих чертежах мы рассматриваем отдельный случай. Для более ясной картины ниже будет предоставлен фрагмент таблицы применимости с немного другой логикой оформления.

Предоставленный лист не имеет отношения к схеме автоматизации выше. Прикреплён как отдельный пример.

-4

Пример 2.

-5

Согласно заданию от технолога мы имеем технологическую линию, состоящую из четырёх однотипных ответвлений газопроводов с одинаковым оборудованием и только одна отходящая ветка отличалась параметрами рабочей среды (газ) и маркировкой горелочного устройства. Отображение всего оборудования с лёгкостью вмещалось на одном листе небольших форматов, чем мы не стали пренебрегать, и относилось к одной установке. Особенность про установку имеет значение при разработке документации в программе EPLAN. При разработке документации в других программах установка имеет значение только если проектировщик сам захочет её присвоить оборудованию. Основываясь на своём опыте общения, подозреваю, что это редкое явление, поэтому не стоит акцентировать на этом внимание.

В виду того, что мы отобразили всё оборудование на одном листе, нам нет необходимости прописывать примечание на схеме автоматизации, как это было в предыдущем примере, но мы можем сократить свои трудозатраты на схемах соединений внешних проводок. В нашем случае мы уже там прописываем примечание про использованное оборудование, а также добавляем таблицу применимости. Но в этом случае есть особенность: т.к. всё оборудование относится к одной установке (=ГС), то в примечании мы не только перечисляем позиции средств автоматизации, но и позиции кабельной продукции, что необходимо делать для полной ясности оформленного чертежа.

-6

Внимательный читатель мог заметить, что я применил таблицу применимости для комплектного кабеля, что является ненужной работой, а для экспертизы даже ошибкой. Обосную это только тем, что лист извлекался из реального проекта и мне хотелось показать отдельный случай использования таблицы для однотипного оборудования, которое полностью относилось только к одной установке.

Заключение

Итак, подведём итоги. Применяя данный метод вы как минимум экономите своё время на оформление чертежей и по максимуму спасаете деревья от лишней вырубки.

Использование таблицы применимости для проектировщика даёт хорошие преимущества для повышения продуктивности путём минимизации своих трудозатрат. Возможно будет иметь место отдельный нюанс в том случае, если вам придётся вносить изменения. Благодаря такому методу этот рутинный труд сокращается в несколько раз, что определённо поспособствует сохранению вашей нервной системы.

В случае если вы давно используете этот метод и вам покажется, что я допустил ошибки в изложении материала либо неполностью раскрыл тему, то я с удовольствием «прочитаю» ваше мнение в комментариях к этой статье.

Спасибо всем, кто дочитал данный материал. Если Вам понравилось, подписывайтесь на мой канал, чтобы не пропускать обновления (они тут достаточно редкие).