Добавить в корзинуПозвонить
Найти в Дзене

Примеры наших проектов по адаптации санузлов для людей с инвалидностью

Компания «Доступная страна» уже более 10 лет производит и поставляет в государственные и коммерческие организации оборудование для людей с инвалидностью. В этой статье мы поделимся нашим опытом и практикой в одном из самых значимых направлений – адаптации санузлов для маломобильных групп населения. В компанию «Доступная страна» обратилась государственная компания с просьбой спроектировать нормативный санузел на базе уже имеющегося санузла для людей с инвалидностью. Этапы проекта: Мы запросили информацию о помещении, которое нужно адаптировать. Специалисты компании «Доступная страна» отправили заказчику опросник для подготовки проекта санузла. На основе полученных данных мы подготовили грамотные и корректные чертежи, готовые к практическому применению. Помещение отвечало нормативам габаритов санузла для маломобильных групп населения, однако, все имеющееся оборудование не соответствовало стандартам ГОСТ и СП. Мы заменили все оборудование и приняли решение использовать комплект санузла с
Оглавление

Компания «Доступная страна» уже более 10 лет производит и поставляет в государственные и коммерческие организации оборудование для людей с инвалидностью. В этой статье мы поделимся нашим опытом и практикой в одном из самых значимых направлений – адаптации санузлов для маломобильных групп населения.

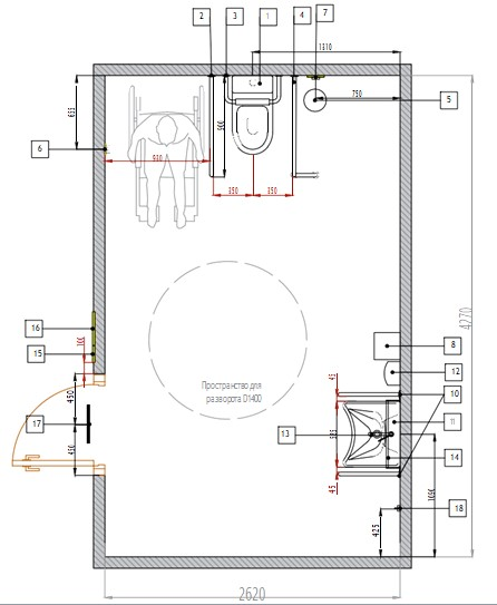
Проект санузла для государственной организации, г. Петрозаводск

В компанию «Доступная страна» обратилась государственная компания с просьбой спроектировать нормативный санузел на базе уже имеющегося санузла для людей с инвалидностью.

Этапы проекта:

Мы запросили информацию о помещении, которое нужно адаптировать. Специалисты компании «Доступная страна» отправили заказчику опросник для подготовки проекта санузла. На основе полученных данных мы подготовили грамотные и корректные чертежи, готовые к практическому применению.

Помещение отвечало нормативам габаритов санузла для маломобильных групп населения, однако, все имеющееся оборудование не соответствовало стандартам ГОСТ и СП.

Мы заменили все оборудование и приняли решение использовать комплект санузла с центральным расположением унитаза. Изначально раковина не имела поручней и не соответствовала нормам, поэтому была заменена на нормативную раковину с двумя двухопорными поручнями. Мы убрали поручни у унитаза, заменив на комбинацию откидного и устойчивого h-образного поручней. Были добавлены все необходимые аксессуары, а также по желанию заказчика, дополнили комплект электронным световым таблом «свободно-занято». Выводы для коммуникаций не требовали переноса.

В итоге был подготовлен проект полностью нормативного санузла со всеми необходимыми элементами.

Наши специалисты дали рекомендации по установке оборудования с указанием обязательных размеров согласно ГОСТ и СП и рекомендации по увеличению дверного проема, размер которого изначально не отвечал нормативу.

-2

1. Унитаз для инвалидов соответствующий нормам DSTRANA
2.
Поручень откидной
3.
Поручень-опора с подушкой для спины в санитарно-гигиенические комнаты
4.
Поручень для инвалидов h-образный с бумагодержателем
5.
Урна для санузла
6.
Универсальный держатель (крючок)
7.
Система вызова помощи в санузел с кнопкой со шнурком А310ш
8.
Сушилка для рук для МГН
10.
Поручень для раковины двухопорный 550 мм
11.
Раковина для инвалидов Y11
12.
Сенсорный дозатор
13.
Смеситель локтевой для санузла для инвалидов
14.
Зеркало настенное поворотное
15. 
Тактильно-визуальный знак "Туалет для инвалидов"
16.
Тактильная мнемосхема санузла
17.
Световое табло свободно/занято 340х140х20 мм
18.
Крючок-держатель для тростей и других вещей.

Проект для Государственного музея-заповедника в Санкт-Петербурге

Представители государственного музея-заповедника обратились в компанию «Доступная страна» с просьбой спроектировать санузел на базе уже имеющегося помещения. Необходимо было оснастить кабину с раковиной и расставить согласно нормам все оборудование и аксессуары.

-3

Этапы проекта:

После заполнения заказчиком опросного листа и получение всей необходимой информации о проектируемом помещении, мы приступили к реализации проекта.

Изначально санузел не отвечал нормативам по габаритам, поэтому было предложено увеличить кабину за счет сокращения обычных кабин на одну единицу.

Выбранное нами решение предполагало установку полного комплекта нормативного оборудования с h-образным поручнем, зоной пересадки, унитазом и раковиной. Мы расставили оборудование и аксессуары согласно стандартам по ГОСТ и СП .

Наши специалисты дали рекомендации по увеличению проема, размер которого изначально не соответствовал нормативам.

-4

1. Унитаз для инвалидов соответствующий нормам DSTRANA
2.
Поручень откидной
3.
Поручень для инвалидов h-образный с бумагодержателем
4.
Урна для санузла
5.
Автоматический диспенсер для туалетной бумаги
6.
Система вызова помощи в санузел с кнопкой со шнурком А310ш
7.
Бесконтактный дозатор для гелевого антисептика/мыла
8.
Поручень для раковины двухопорный 550 мм
9.
Смеситель сенсорный для санузла для инвалидов
10.
Раковина для инвалидов Y11
11.
Зеркало настенное поворотное
12.
Сушилка для рук для МГН
13.
Крючок-держатель для тростей и других вещей
14.
Тактильно-визуальный знак "Туалет для инвалидов"
15.
Универсальный держатель (крючок)
16.
Поручень-опора с подушкой для спины в санитарно- гигиенические комнаты
17.
Тактильная мнемосхема санузла

Проект для строительной компании г. Тюмень

Заказчик обратился к нам с просьбой подготовки проекта на основе готового плана санузла от проектировщиков.

-5

Этапы проекта:

После того, как клиент заполнил опросный лист и предоставил нам все требуемые сведения о своем помещении, мы приступили к работе.

Помещение санузла соответствовало нормам по габаритам, однако проект содержал ненормативные и нерациональные решения в выборе оборудования. Изначально на чертеже от проектировщиков была размещена ненормативная маленькая раковина и унитаз.

Чтобы не менять привязки коммуникации, было принято решение немного отодвинуть унитаз, чтобы поставить h-образный поручень, также мы поставили большую раковину с поручнями с двух сторон.

В результате был подготовлен проект доступного санузла, с комфортным нормативным оборудованием, отвечающим требованиям ГОСТ и СП.

-6

1. Унитаз для инвалидов соответствующий нормам DSTRANA
2.
Поручень откидной
3.
Поручень для инвалидов h-образный
4.
Урна для санузла
5.
Поручень-опора с подушкой для спины в санитарно-гигиенические комнаты
6.
Система вызова помощи в санузел с кнопкой со шнурком А310ш
7.
Сенсорный дозатор
8.
Поручень для раковины двухопорный 550 мм
9.
Смеситель локтевой для санузла для инвалидов
10.
Раковина для инвалидов Y11
11.
Зеркало настенное поворотное
12.
Сушилка для рук для МГН
13.
Крючок-держатель для тростей и других вещей
14.
Тактильно-визуальный знак "Туалет для инвалидов"
15.
Универсальный держатель (крючок)
16.
Тактильная мнемосхема санузла
17.
Автоматический диспенсер для туалетной бумаги.

Проект для общеобразовательной школы в Новосибирской области

Представители организации обратилась к нам с целью оснащение школы по программе «Доступная среда». Перед нами стояла задача подготовки проекта нормативного санузла для маломобильных групп населения.

-7

Этапы проекта:

Мы запросили информацию о помещении, которое необходимо адаптировать, после чего приступили к работе над проектом.

Помещение соответствовало стандартам по габаритам. По просьбе заказчика, мы сохранили расположение зоны с раковиной в отдельном помещении. В помещение, в котором было несколько кабинок с унитазами, мы оставили один унитаз и сделали его полностью под МГН. В умывальной зоне мы добавили настенный L-образный поручень. Были учтены пожелания заказчика о сохранении точек вывода коммуникаций на прежнем месте.

В итоге, мы подготовили проект, который отвечает стандартам по ГОСТ и СП.
Большое помещение санузла и умывальной зоны было переоборудовано в комфортный нормативный санузел.

-8

1. Унитаз для инвалидов соответствующий нормам DSTRANA
2.
Поручень откидной
3.
Поручень для инвалидов L-образный комбинированный по ГОСТ 600х600 мм, универсальный
4.
Урна для санузла
5.
Автоматический диспенсер для туалетной бумаги
6.
Система вызова помощи в санузел с кнопкой со шнурком А310ш
7.
Сенсорный дозатор
8.
Поручень для раковины двухопорный 550 мм
9.
Сенсорный смеситель с термостатом для МГН
10.
Раковина для инвалидов Y11
11.
Зеркало настенное поворотное
12.
Крючок-держатель для тростей и других вещей
13.
Поручень-опора для спины
14.
Универсальный травмобезопасный держатель (крючок) из нержавеющей стали
15.
Крючок-держатель для тростей и других вещей
16.
Тактильно-визуальный знак "Туалет для инвалидов"
17.
Тактильная мнемосхема санузла

Проект для строительной компании, Республика Башкортостан

Представители организации обратилась в нашу компанию с целью подготовки проекта и приобретения оборудования для доступного санузла в центральной городской библиотеки города Октябрьский.

-9

Этапы проекта:

После сбора всех необходимых данных о помещении, мы приступили к реализации проекта для нашего клиента.

Помещение имело габариты, которые не отвечают нормам стандартных санузлов с раковиной.

Несмотря на небольшое, ненормативное помещение, нам удалось спроектировать комфортный санузел. Теперь санузел оборудован всеми необходимыми аксессуарами, зоной для пересадки, унитазом и поручнями которые полностью соответствуют нормативам, а также небольшой раковиной.

-10

1. Унитаз для инвалидов соответствующий нормам DSTRANA
2.
Поручень откидной
3.
Поручень для туалета напольный для инвалидов h-образный с бумагодержателем по ГОСТ 900х750 мм
4.
Автоматический диспенсер для туалетной бумаги
5.
Урна для санузла
6.
Поручень-опора с подушкой для спины в санитарно-гигиенические комнаты
7.
Сидение для душа откидное
8.
Поручень для инвалидов в ванную настенный Г-образный, левый
9.
Смеситель локтевой с душевой лейкой
10.
Сенсорный дозатор
11.
Поручень для раковины прямой настенный 900 мм
12.
Раковина для инвалидов Y7
13.
Поручень для раковины двухопорный 400 мм
14.
Сушилка для рук для МГН

Мы продемонстрировали пять проектов, реализованных нашей командой. Каждый из этих проектов уникален: специалисты компании подготовили индивидуальные планы для каждого клиента, уделяя внимание мелочам, тем самым обеспечивая максимальный комфорт и безопасность для маломобильных пользователей санузлов.

Компания «Доступная страна» тесно сотрудничает с заказчиками на всех этапах проекта, от первоначального консультирования и планирования до финального монтажа оборудования.

Если Вам необходимо оснастить свое учреждение оборудованием для лиц с инвалидностью, пишите на zakaz@dstrana.ru, мы проконсультируем Вас и поможем подобрать оборудование именно под Ваше помещение.