Найти в Дзене
РадиоЛоцман

Активное мультиплексирование экономит входы

В приложениях управления микроконтроллерам часто приходится считывать состояние переключателей. В типичной конфигурации к обоим переключателям подключены подтягивающие резисторы, чтобы задать высокие или низкие уровни сигналов для считывания микроконтроллером. В схеме на Рисунке 1 к управляющему выходу подключены два переключателя. Когда оба переключателя разомкнуты, резисторы R1 и R2 задают на входе неопределенный уровень напряжения между низким и высоким, который при напряжении питания 5 В составляет 1.5 В. Таким образом, здесь аналоговый вход предпочтительнее цифрового. При показанных на рисунке номиналах компонентов через резисторы протекает ток 0.5 мА, даже когда оба переключателя разомкнуты. Чтобы получить общий ток, нужно умножить это значение на количество используемых входов. На Рисунке 2 показана альтернативная схема. В ней добавлен инвертирующий логический элемент, который изменяет полярность сигнала управляющего выхода на противоположную на входах микроконтроллера. Инвертор

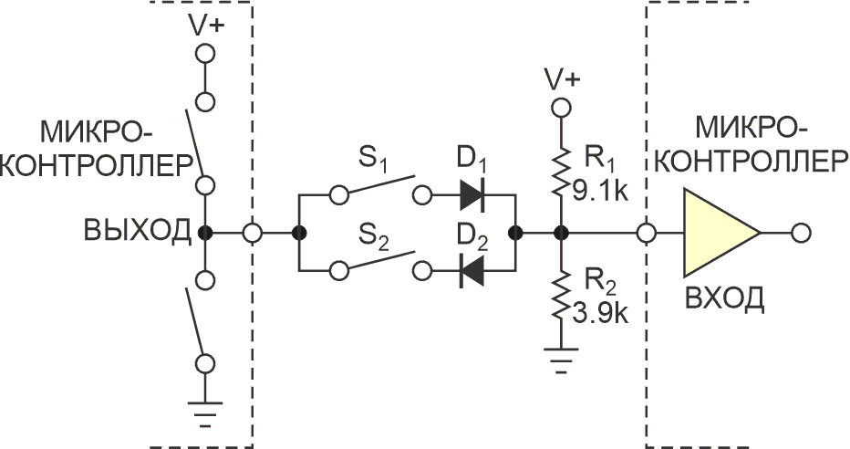
В приложениях управления микроконтроллерам часто приходится считывать состояние переключателей. В типичной конфигурации к обоим переключателям подключены подтягивающие резисторы, чтобы задать высокие или низкие уровни сигналов для считывания микроконтроллером. В схеме на Рисунке 1 к управляющему выходу подключены два переключателя. Когда оба переключателя разомкнуты, резисторы R1 и R2 задают на входе неопределенный уровень напряжения между низким и высоким, который при напряжении питания 5 В составляет 1.5 В. Таким образом, здесь аналоговый вход предпочтительнее цифрового. При показанных на рисунке номиналах компонентов через резисторы протекает ток 0.5 мА, даже когда оба переключателя разомкнуты. Чтобы получить общий ток, нужно умножить это значение на количество используемых входов.

На Рисунке 2 показана альтернативная схема. В ней добавлен инвертирующий логический элемент, который изменяет полярность сигнала управляющего выхода на противоположную на входах микроконтроллера. Инвертор имеет четко определенные уровни входных порогов. Это дает возможность использовать обычные логические входы вместо аналоговых. Сопротивления резисторов можно выбрать настолько высокими, насколько позволяют входные характеристики, но при этом они должны оставаться достаточно низкими, чтобы не ухудшить помехоустойчивость. Когда оба переключателя разомкнуты, или управляющий выход находится в высокоимпедансном состоянии, ток, протекающий через резистор, представляет собой только тот ток, который поступает на вход микроконтроллера.

Читать далее здесь (оригинал статьи) https://www.rlocman.ru/review/article.html?di=676373