Найти в Дзене

Импульсный стабилизатор напряжения постоянного тока

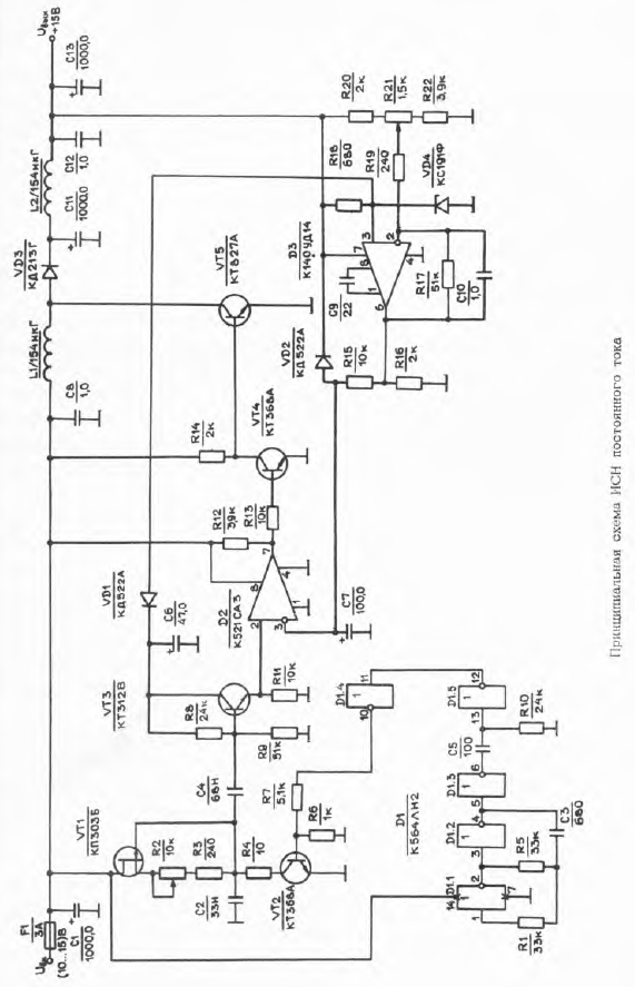
Когда-то такие стабилизаторы делали на дискретных элементах. А сейчас эти схемы "запихнули" в микросхемы, но принципы построения остаются, в основном, прежними. При воспроизведении приведенной информации не забудьте указать ссылку на канал или на первоисточник: Медведев И.И. Импульсный стабилизатор напряжения постоянного тока. // Техника средств связи. Cер. Радиоизмерительная техника. - 1989 г. - Вып. 1, с. 106 - 110.

Когда-то такие стабилизаторы делали на дискретных элементах. А сейчас эти схемы "запихнули" в микросхемы, но принципы построения остаются, в основном, прежними.

-2
-3
-4
-5

При воспроизведении приведенной информации не забудьте указать ссылку на канал или на первоисточник:

Медведев И.И. Импульсный стабилизатор напряжения постоянного тока. // Техника средств связи. Cер. Радиоизмерительная техника. - 1989 г. - Вып. 1, с. 106 - 110.