Добавить в корзинуПозвонить
Найти в Дзене
RADIO INFO

Добавление FM диапазона в советские ламповые радиоприемники с минимальным вмешательством в их конструкцию.

Добрый день дорогие друзья Недавно я стал счастливым обладателем советской радиолы Урал-111 Об этом приобретении я подробно расскажу в ближайшее время в отдельной публикации, а сегодня мы поговорим о том, как я планирую добавить FM диапазон в эту радиолу с минимальным вмешательством в ее конструкцию и с сохранением всех функций включая все диапазоны, в том числе и советский УКВ. Перестройка по диапазону будет естественно от штатной ручки настройки по диапазону. Еще дополнительные условия, раз радиола советская, то при ее доработке будут максимально применяться советские детали, и самое главное, что бы все было просто и доступно даже малоопытным радиолюбителям. Схема радиолы Урал-111 А теперь немного о том, как я добавлю FM диапазон в эту радиолу. В основе FM радио для радиолы Урал-111 по моей задумке, можно использовать любые микросхемы, как цифровые DSP Si4825-A10, KT0936MB9, BK1198, так и аналоговые TDA7021 TEA5710, главное чтобы настройка по диапазону в них осуществлялась управляе

Добрый день дорогие друзья

Недавно я стал счастливым обладателем советской радиолы Урал-111

Об этом приобретении я подробно расскажу в ближайшее время в отдельной публикации, а сегодня мы поговорим о том, как я планирую добавить FM диапазон в эту радиолу с минимальным вмешательством в ее конструкцию и с сохранением всех функций включая все диапазоны, в том числе и советский УКВ. Перестройка по диапазону будет естественно от штатной ручки настройки по диапазону. Еще дополнительные условия, раз радиола советская, то при ее доработке будут максимально применяться советские детали, и самое главное, что бы все было просто и доступно даже малоопытным радиолюбителям.

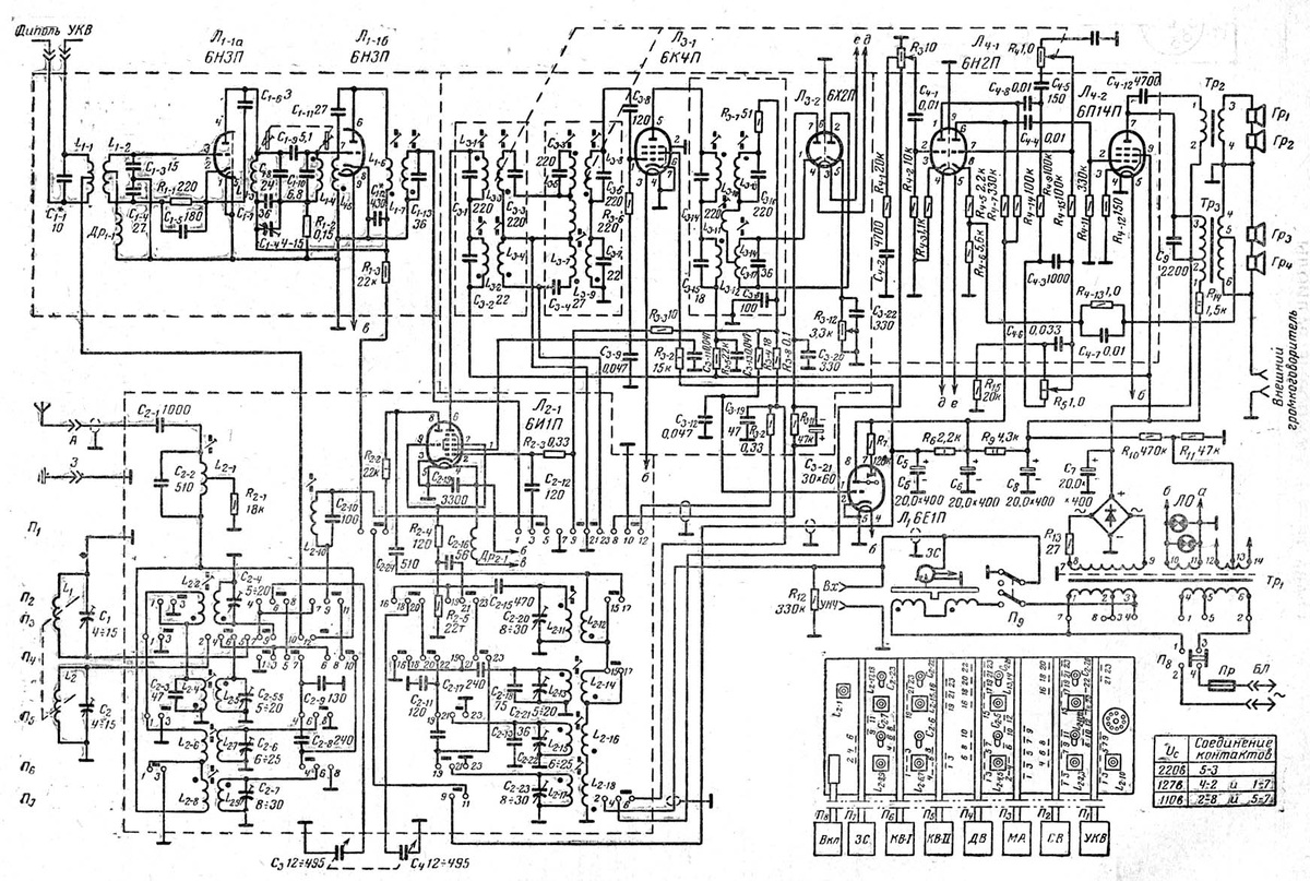
Схема радиолы Урал-111

-2

А теперь немного о том, как я добавлю FM диапазон в эту радиолу. В основе FM радио для радиолы Урал-111 по моей задумке, можно использовать любые микросхемы, как цифровые DSP Si4825-A10, KT0936MB9, BK1198, так и аналоговые TDA7021 TEA5710, главное чтобы настройка по диапазону в них осуществлялась управляемым напряжением. Управляемое напряжение мы будем брать от преобразователя частота – напряжения, а вот частоту мы возьмем от генератора гетеродинана диапазоне ДВ, который перестраивается в пределах 550-950кГц.

Структурная схема нашего устройства.

-3

Далее мы рассмотрим возможные варианты блоков и точки их подключения и коммутации на схеме радиолы Урал-111. Начнем преобразователя синусоидального сигнала в прямоугольный. Схема преобразователя синусоидального сигнала в прямоугольный.

-4

Для минимального вмешательства в конструкцию радиолы Урал-111 синусоидальный сигнал при включенным диапазоне ДВ в пределах 550-950кГц будем снимать с намотанного вокруг лампы гетеродина 6И1П кусочка провода, при этом еще потребуется отключить выход ПЧ и детектора от переменного резистора R3 регулятора громкости радиолы Урал-111 , и подключить к выходу НЧ модуля FM. Чтобы не нагружать слабый сигнал гетеродина, для первого каскада применен полевой транзистор Т1 КП303Г (можно применять КП303Е, КП307, MPF102 и J310). При нормальном смещении переход затвор-исток Т1 смещен в обратном направлении, поэтому нагрузка на землю — это просто R1 — резистор сопротивлением 1,5 МОм. Т1 обеспечивает усиление напряжения в 10 раз и, благодаря выбранному смещению затвора, отсекает половину входной синусоиды (форма сигнала B).

Для второго каскада в качестве Т2 я выбран самый простой NPN-транзистор КТ315Б (можно применять КТ312, КТ3102, 2N3904, С945). Т2 обеспечивает дополнительное усиление 20 и смещен для обрезки верхней части входной полусинусоиды (форма сигнала C). К выходу, для получения прямоугольного сигнала, подключены два инвертора па микросхеме К155ЛА6 (можно использовать, что угодно имеющее аналогичную функцию). Запитывается эта микросхема через понижающий стабилизатор LM7805 (на схеме не обозначен)

Следующий у нас блок преобразователь частота напряжения, есть очень множество вариантов, но мы остановимся на самом простом на микросхеме К155АГ1, и за основу возьмем хорошо известную схему простого частотомера на микросхеме К155АГ1.

-5

Следующим этапом мы немного доработаем схему этого частомера под наши нужды, и применительно к FM радио на микросхеме Si4825-A10. Доработка коснется увеличения рабочей частоты до 1 МГц и получения выходного напряжения от 0 до 1,1В.

Вот так будет выглядеть схема нашего преобразователя

-6

Переменными резисторами устанавливаются пределы выходного напряжения от 0 до 1,1В

Далее управляющее напряжение подается на FM радио на микросхеме Si4825-A10

-7

По всем возникшем у Вас вопросах Вы сможете найти самую подробную информацию на моем канале в подборках Переделка на FM старых радиоприемников и FM радиоприемники.

В ближайшей перспективе я разработаю окончательный вариант добавления FM диапазона в радиолу Урал-111, и конечно обо всем Вам расскажу и покажу в видеоролике, а пока я готов к конструктивной критике и советам по этому вопросу от моих уважаемых читателей.

На этом у меня сегодня все.

Рекомендую посмотреть Каталог публикаций моего канала, где Вы найдете статьи по рассмотренной выше теме и множество других материалов, которые могут быть Вам интересны и полезны.

Ставьте лайки, комментируйте, подписывайтесь и заходите на мой канал, есть много интересной и нужной информации для радиолюбителей.