Добавить в корзинуПозвонить
Найти в Дзене
4living

Кухня-гостиная для любителей кино

Мы обратились к дизайнеру Руслане Цыганок за советом и комментариями, на что обратить внимание при объединении гостиной и кухни. Поскольку главным пожеланием заказчиков был телевизор в гостиной, Руслана выбрала внешне простую мебель, которая бы «не спорила» с техникой.  Дизайнер предложила мебель и аксессуары в лаконичном скандинавском стиле. Такие предметы не бросаются в глаза. Они формируют максимально нейтральный «базовый» интерьер: индивидуальность в него привносят личные вещи заказчиков.   Помещение функционально разделено на три зоны — кухонную, обеденную и диванную. Кухня выделена напольным покрытием — плитка в зоне приготовления пищи более функциональна, чем паркет. Обратите внимание, что на стене с экраном почти ничего нет — это сделано для того, чтобы не отвлекать внимание людей от просмотра любимых фильмов. Телевизор в гостиной удобно смотреть с двух точек: сидя на диване и за обеденным столом. При этом обеденный стол для такой миниатюрной комнаты выбран особый — со стекля
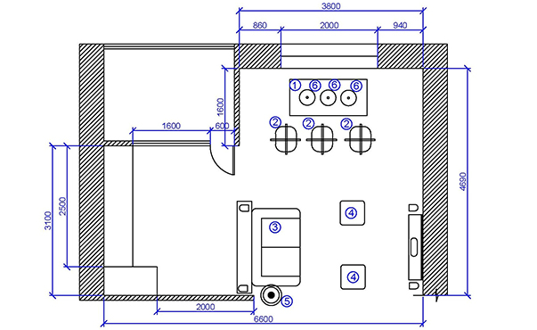
Планировка, предложенная дизайнером: студия, образовавшаяся в результате присоединения комнаты к кухне, разделена на три функциональные зоны.
Планировка, предложенная дизайнером: студия, образовавшаяся в результате присоединения комнаты к кухне, разделена на три функциональные зоны.

Мы обратились к дизайнеру Руслане Цыганок за советом и комментариями, на что обратить внимание при объединении гостиной и кухни. Поскольку главным пожеланием заказчиков был телевизор в гостиной, Руслана выбрала внешне простую мебель, которая бы «не спорила» с техникой. 

Дизайнер предложила мебель и аксессуары в лаконичном скандинавском стиле. Такие предметы не бросаются в глаза. Они формируют максимально нейтральный «базовый» интерьер: индивидуальность в него привносят личные вещи заказчиков.  

-2

Помещение функционально разделено на три зоны — кухонную, обеденную и диванную. Кухня выделена напольным покрытием — плитка в зоне приготовления пищи более функциональна, чем паркет.

Обратите внимание, что на стене с экраном почти ничего нет — это сделано для того, чтобы не отвлекать внимание людей от просмотра любимых фильмов.

Телевизор в гостиной удобно смотреть с двух точек: сидя на диване и за обеденным столом. При этом обеденный стол для такой миниатюрной комнаты выбран особый — со стеклянной столешницей. Такая мебель почти незаметна: не перегружает помещение. Кстати, экран хорошо просматривается и из кухонной зоны (не забываем о хозяйке, занятой приготовлением обеда). 

Экран домашнего кинотеатра разместился на стене, куда нет доступа прямым солнечным лучам (в солнечный день они бы мешали просмотру). Свет из окна притеняется рулонными шторами с Blackout покрытием. Поскольку выглядят они не слишком уютно, функциональную штору дополняют декоративные портьеры из традиционного текстиля.  

Напротив экрана — диван на два посадочных места. Поставить диван большего размера, к сожалению, не позволяют размеры помещения.

Недостаток посадочных мест можно восполнить пуфами. Желательно расставлять их так же, как ряды кресел в настоящем кинотеатре. Это позволит максимально полно воспринимать объемный звук от четырех колонок и сабвуфера.  

-3

Акцентами в интерьере служат яркие пуфы, стулья, картины и цветы. Белый диван красив, но не практичен: сшейте на него дополнительные сменные чехлы и живите красиво!