Найти в Дзене
РадиоЛоцман

Активный эмулятор датчиков RTD поддерживает все схемы подключения

Перед проведением формального теста системы сбора данных с несколькими резистивными датчиками температуры (RTD) часто бывает необходимо откалибровать и отладить ее, чтобы проверить базовую функциональность. Метод решения «в лоб» состоял бы в том, чтобы подключить все датчики к интерфейсной плате и использовать климатическую камеру для установки температуры RTD. Более простым способом является использование программно-управляемого эмулятора RTD для получения напряжений, охватывающих диапазон выходных сигналов датчиков. Резистивные датчики температуры выпускаются в двух-, трех- и четырехпроводных конфигурациях, которые различаются использованием чувствительных проводов (Рисунки 1а, 1б и 1в, соответственно). Самый простой тип RTD имеет два провода и не имеет измерительных проводов, в то время как трехпроводный RTD имеет один измерительный провод, подключенный непосредственно к выводу RTD, а четырехпроводный RTD имеет два измерительных провода. Читать далее здесь (оригинал статьи) https://

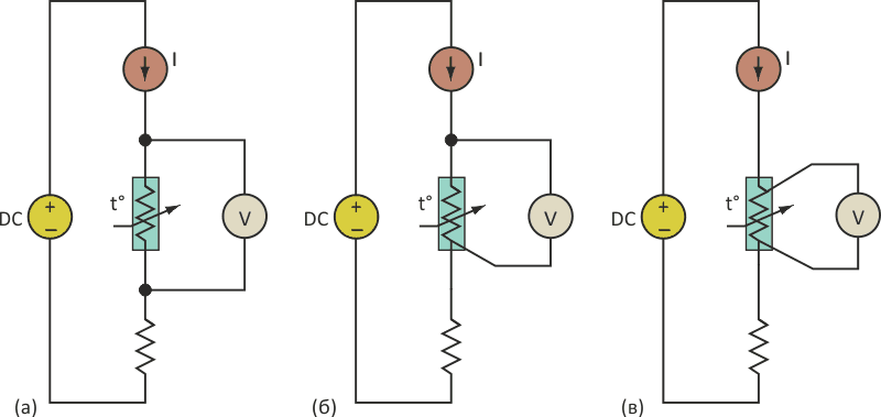
Перед проведением формального теста системы сбора данных с несколькими резистивными датчиками температуры (RTD) часто бывает необходимо откалибровать и отладить ее, чтобы проверить базовую функциональность. Метод решения «в лоб» состоял бы в том, чтобы подключить все датчики к интерфейсной плате и использовать климатическую камеру для установки температуры RTD. Более простым способом является использование программно-управляемого эмулятора RTD для получения напряжений, охватывающих диапазон выходных сигналов датчиков.

Резистивные датчики температуры выпускаются в двух-, трех- и четырехпроводных конфигурациях, которые различаются использованием чувствительных проводов (Рисунки 1а, 1б и 1в, соответственно). Самый простой тип RTD имеет два провода и не имеет измерительных проводов, в то время как трехпроводный RTD имеет один измерительный провод, подключенный непосредственно к выводу RTD, а четырехпроводный RTD имеет два измерительных провода.

Читать далее здесь (оригинал статьи) https://www.rlocman.ru/shem/schematics.html?di=654509