Найти в Дзене
Electric-Blogger

Термисторная защита электродвигателей

Наряду с автоматами защиты двигателей, тепловыми реле, в современных двигателях для защиты от перегрева применяются температурные датчики на основе термисторов и позисторов. В отличии от традиционных способов, например тех же тепловых реле, где защита асинхронных двигателей от перегрузки осуществляется на основе теплового воздействия тока, нагревающего биметаллическую пластину реле, термисторная защита реагирует непосредственно на температуру обмоток двигателя. Защита при помощи тепловых реле, автоматов защиты двигателей, является косвенной тепловой защитой, так как не взаимодействует непосредственно с обмотками двигателя. То есть она реагирует не на фактическую температуру нагрева обмоток статора, а на количество выделенного тепла без учета времени работы в зоне перегрузок и реальных условий охлаждения двигателя. В определенных случаях такая защита может быть не достаточно эффективна, так как не позволяет определить с достаточной точностью действительную температуру нагрева электродви
Оглавление

Наряду с автоматами защиты двигателей, тепловыми реле, в современных двигателях для защиты от перегрева применяются температурные датчики на основе термисторов и позисторов.

В отличии от традиционных способов, например тех же тепловых реле, где защита асинхронных двигателей от перегрузки осуществляется на основе теплового воздействия тока, нагревающего биметаллическую пластину реле, термисторная защита реагирует непосредственно на температуру обмоток двигателя.

Защита при помощи тепловых реле, автоматов защиты двигателей, является косвенной тепловой защитой, так как не взаимодействует непосредственно с обмотками двигателя. То есть она реагирует не на фактическую температуру нагрева обмоток статора, а на количество выделенного тепла без учета времени работы в зоне перегрузок и реальных условий охлаждения двигателя.

В определенных случаях такая защита может быть не достаточно эффективна, так как не позволяет определить с достаточной точностью действительную температуру нагрева электродвигателя. Это относится, в частности, к электродвигателям с продолжительным периодом запуска, частыми включениями-выключениями и т.д.

В случае защиты на основе PTC-датчиков, контроль за степенью нагрева обмоток статора осуществляется напрямую, так как датчики встроены в обмотки, то есть имеют с ней непосредственный контакт.

Благодаря этому обеспечивается защита двигателя от перегрузки, асимметрии и обрыва фаз, недостаточного охлаждения, так как все эти причины так или иначе приводят к нагреву обмоток, а следовательно к срабатыванию датчиков.

Также важной особенностью такого типа защиты является то, что срабатывание зависит только от температуры двигателя и не зависит от нагрузки на сам двигатель.

Термисторные датчики не защищают электродвигатель в случае короткого замыкания, а также пробоя изоляции.

Принцип действия терморезисторов

Термисторы и позисторы относятся к полупроводниковым термосопротивлениям, принцип работы которых основан на изменении сопротивления в зависимости от температуры. В зависимости от типа, они могут иметь как прямую, так и обратную нелинейную характеристику зависимости сопротивления от температуры.

NTC (Negative Temperature Coefficient) датчики, они же термисторы представляют собой полупроводниковые резисторы с отрицательным температурным коэффициентом сопротивления (ТКС). То есть при при достижении заданной температуры их сопротивление резко уменьшается.

PTC (Positive Temperature Coefficient ) позисторы наоборот, имеют положительный температурный коэффициент сопротивления (ТКС). Для данного типа характерно резкое увеличение своего сопротивления при достижении заданной температуры. Для электродвигателей чаще применяется именно этот тип защиты.

На каждую обмотку асинхронного двигателя монтируется по одному температурному датчику, то есть всего получается три датчика. Подключение датчиков, в зависимости от типа, может быть выполнено как параллельно, в случае применения термисторов, так и последовательно, в случае позисторов.

Помимо достоинств, есть у данной защиты и один недостаток, если это можно назвать недостатком. Дело в том, что датчики нельзя напрямую подключить к коммутационному устройству, например контактору. Требуется некое промежуточное звено, которое в начале проанализирует значение температуры с датчика, а потом уже выдаст сигнал на включение или отключение. Таким устройством является реле термисторной защиты.

Реле термисторной защиты

Реле термисторной защиты обеспечивает прямое измерение температуры обмотки двигателя, некоторые модели имеют функцию контроля исправности датчиков (обрыв и короткое замыкания).

Рассмотрим работу термисторного реле на примере устройства Siemens 3RN1012-1CK00.

Реле термисторной защиты Siemens 3RN1012-1CK00
Реле термисторной защиты Siemens 3RN1012-1CK00

Для индикации работы встроены два светодиода (READY/TRIPPED), сигнализирующие соответственно о рабочем состоянии реле и его срабатывании. Данный тип реле имеет возможность ручного, автоматического и дистанционного сброса в исходное состояние. По умолчанию осуществляется автоматический сброс. Ручной сброс производится кнопкой TEST/RESET на передней панели реле. При нажатии кнопки TEST/RESET более 2 секунд вызывается функция тестирования и происходит симуляция расцепления. Для дистанционного сброса необходимо подключить внешний выключатель на клеммы Y1 и Y2.

В нормальном режиме работы, пока сопротивление подключенных датчиков не достигает порога срабатывания, исполнительное реле включено и через NO контакты сигнал приходит на контактор. При превышении температурного порога, хотя бы одного из датчиков, реле выключается. Возврат в исходное рабочее состояние происходит автоматически после охлаждения термисторов.

Число включаемых последовательно температурных датчиков зависит от суммарного сопротивления в холодном состоянии и не должно превышать 1,5 кОм — Rобщ = R1+R2…+Rn <=1.5 kОм.

Температура срабатывания составляет от 60 до 180°C, в зависимости от установленного датчика. Точность срабатывания реле примерно 6°C.

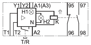
Схема подключения термисторного реле

Схема подключения термисторного реле
Схема подключения термисторного реле

Питание приходит на контакты A1, A2, A3. Обратите внимание, что напряжение питания данного реле может быть как 230В, в этом случае задействованы клеммы A1 и A2, так и 110В — в этом случае подключаются клеммы A3 и A2.

На контакты T1 и T2 подключается температурный датчик. К данной модели реле может быть подключен только один контур, на другие модели количество подключаемых контуров датчиков может отличаться.

Клеммы Y1 и Y2 — Подключение внешнего контакта для дистанционного сброса.

Состояние релейных контактов 95-96 и 97-98 показано при подаче управляющего напряжения, то есть в рабочим состоянии. Один из этих контактов (95-96) задействован в схеме управления двигателем, через него приходит сигнал на катушку контактора. Другой контакт (97-98) может быть задействован в цепях сигнализации, например через него может быть подключен индикатор срабатывания защиты двигателя.

В завершении статьи хотел бы отметить ряд моментов, связанных с термисторной защитой.

Во первых, температурная защита встроена далеко не во все, даже современные, электродвигатели и значит чисто технически может быть неприменима.

Во вторых температурная защита более эффективна в том случае, если двигатели работают в тяжелых условиях эксплуатации, с частыми коммутациями, в условиях загрязненной окружающей среды, при работе двигателей с частотными преобразователями.

И в третьих, наилучшим решением будет применение комплексной защиты с использованием как автоматов защиты двигателей, так и термисторной защиты.