Найти в Дзене
Именной очерк !

Конструктивные детали пистолета ПМ

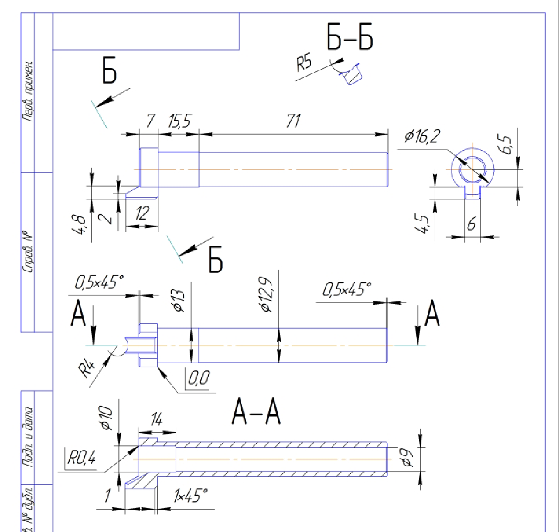
Как то я заинтересовался конструкция и техническими решениями огнестрельного оружия. Почему в одном оружие используется такая деталь, а в другом вообще другая. Копал дальше, и ни где не мог найти размеры отдельных деталей, которые должны идти с завода изготовителя. А ведь надёжность заключается в точности. Со временем я нашёл нужные размеры деталей, которые подвержены большему износу. Своевременный контроль продлит жизнь оружию и хозяину. Чертёж ствола Есть такая поговорка: отличие человека от раба, это право на оружие.

Как то я заинтересовался конструкция и техническими решениями огнестрельного оружия. Почему в одном оружие используется такая деталь, а в другом вообще другая. Копал дальше, и ни где не мог найти размеры отдельных деталей, которые должны идти с завода изготовителя. А ведь надёжность заключается в точности. Со временем я нашёл нужные размеры деталей, которые подвержены большему износу. Своевременный контроль продлит жизнь оружию и хозяину.

-2

Чертёж ствола

-3
-4

-5
-6

-7

-8

-9

-10

-11

-12

-13

-14

-15

-16

-17

-18

-19

-20

-21

-22

-23
-24

-25

-26

-27
-28

-29

Есть такая поговорка: отличие человека от раба, это право на оружие.