Найти в Дзене
SamON

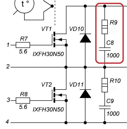
Снаббер. Практика и минимум теории

Всем привет! Сижу я, ковыряюсь со своей новой безделушкой, которую спаял недавно. Начал напрягать треск. Источник треска - повышающий DC/DC 12 to 180V. Расследование показало, что я где-то накосячил: либо с выбором транзистора, либо с трассировкой PCB, так как на стоке транзистора, относительно земли, периодически проскакивала вот эта красота Видите "пилу" между нормальными импульсами? Вот это и есть виновница противного звука. Возникает периодический , с частотой несколько сотен Гц. В общем, враг найден. Осталось подавить эту змею. И всё же, пара слов о причинах. Причиной всего этого является паразитная индуктивность и ёмкость, которая создаёт колебательный контур. При закрытии транзистора, запасённая энергия начинает "раскачивать" контур что приводит к такому звону. Решил проблему простейшим RC снаббером. Снаббер - последовательный RC контур, который шунтирует переход транзистора. В общем случае выглядит так Для расчета снаббера я вбил основные формулы в SMath Studio (бесплатный анал

Всем привет! Сижу я, ковыряюсь со своей новой безделушкой, которую спаял недавно. Начал напрягать треск. Источник треска - повышающий DC/DC 12 to 180V. Расследование показало, что я где-то накосячил: либо с выбором транзистора, либо с трассировкой PCB, так как на стоке транзистора, относительно земли, периодически проскакивала вот эта красота

Видите "пилу" между нормальными импульсами? Вот это и есть виновница противного звука. Возникает периодический , с частотой несколько сотен Гц. В общем, враг найден. Осталось подавить эту змею.

И всё же, пара слов о причинах. Причиной всего этого является паразитная индуктивность и ёмкость, которая создаёт колебательный контур. При закрытии транзистора, запасённая энергия начинает "раскачивать" контур что приводит к такому звону.

Решил проблему простейшим RC снаббером. Снаббер - последовательный RC контур, который шунтирует переход транзистора. В общем случае выглядит так

-2

Для расчета снаббера я вбил основные формулы в SMath Studio (бесплатный аналог маткад).

Вот что получилось

-3

Coos - емкость сток-исток, Uin - входное напряжение, f - частота звона, fr - частота открытия транзистора

Coos берется из документации на конкретный транзистор. В моём случае это IRF740.

Далее по списку. Вычисляем паразитную индуктивность L, затем рассчитываем сопротивление резистора снаббера Rsn, после этого можем рассчитать ёмкость конденсатора снаббера Csn. В заключении прикидываем мощность резистора Prsn. Всё. На входе получаем приятную, чёткую работу контура.

В общем, вот то, что получилось после добавления снаббера

-4

Видим красивые импульсы. То, что и требовалось.

Подписывайтесь на канал, что бы я нанёс вам еще больше полезности!