Найти в Дзене

Суматоха

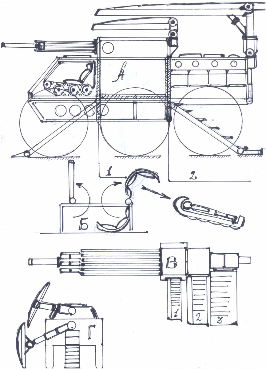
В недалёкой "древности", самым результативным славянским ударно штурмовым батальоном СКа - Мара, считался батальон "Суматоха", и именно этот батальон скамаритов, со временем и стал настоящей легендой. В научно техническом отделе данного батальона, постоянно происходили научные изыскания по военной тематике, и конструкторский отдел, создавал различные виды вооружений и бронетехники, под внешним руководством Томского ЛиНаШта (лиги научного штурма). Именно там и была создана удачная боевая машина спецназа "Суматоха". Суматоха, состояла из трёх частей, и вторая и третья части, имели до десяти различных модификаций, которые соединялись в полевых условиях, под выполнение отдельных операций. Первая головная часть машины, не имела отличий и была всегда одинакова, и в ней, находился бронированный "кабинет", для водителя машины, который в свою очередь, имел гусенично колёсный ход, приличное бронирование, хорошую скорость с проходимостью, при дальности в примерно в сто наших километров. Вторая ч

В недалёкой "древности", самым результативным славянским ударно штурмовым батальоном СКа - Мара, считался батальон "Суматоха", и именно этот батальон скамаритов, со временем и стал настоящей легендой. В научно техническом отделе данного батальона, постоянно происходили научные изыскания по военной тематике, и конструкторский отдел, создавал различные виды вооружений и бронетехники, под внешним руководством Томского ЛиНаШта (лиги научного штурма). Именно там и была создана удачная боевая машина спецназа "Суматоха". Суматоха, состояла из трёх частей, и вторая и третья части, имели до десяти различных модификаций, которые соединялись в полевых условиях, под выполнение отдельных операций. Первая головная часть машины, не имела отличий и была всегда одинакова, и в ней, находился бронированный "кабинет", для водителя машины, который в свою очередь, имел гусенично колёсный ход, приличное бронирование, хорошую скорость с проходимостью, при дальности в примерно в сто наших километров. Вторая часть машины, выпускалась как в обитаемом, так и в необитаемом исполнении, и имела до десяти различных компоновок, начиная от орудийной танковой башни или зенитной установки, до кранового манипулятора в качестве реммашины. Третья часть, зачастую была чисто транспортной, и в ней перевозился десант, боеприпасы, дизель генераторные силовые установки для Суматох, которые называли "Грудничками", или соразмеримые с ними аккумуляторные блоки, и многое другое. На рисунке А, схематическое изображение бронемашины типа Суматоха, с двумя лабильными титановыми парусами на телескопических предплечьях, имеющих несколько степеней свободы, с двумя трапными челюстями, один пехотный а другой кабинетная сходня, и обитаемой артиллеристской башней. Для марша, Суматоха голой грудью наезжала на лежащую на земле оппозитную дизель генераторную установку, и манипулятором пристёгивала её к днищу (к груди), а для боёв в городских условиях, она сбрасывала дизель, и так же путём наезда пристёгивала огромнейший аккумуляторный элемент. На рисунке Б, показан принцип эвакуации из башни командира машины, при этом, парус отводился в сторону от крыши, броневой потолок занимал вертикальное положение, и кресло путём переворота, выкидывало командира назад. У командира на груди надувался нагрудный матрас из сверх прочной и не пробиваемой ткани, и он совершал посадку вверх спиной, лёжа горизонтально на матрасе. На рисунке В, показано устройство много калиберной скорострельной установки. В центре находился не вращающийся ствол калибра примерно около 60 миллиметров, который получал питание от третьего без ленточного магазина. Вокруг основного ствола, вращалось шесть стволов второй артиллерийской установки калибра около 30 миллиметров, которая получала питание от второго без ленточного магазина. и уже вокруг первого барабана, в противоположную строну, вращался барабан третьей артиллерийской установки калибра примерно 15 миллиметров и было в ней стволов около двенадцати, с подачей из первого магазина. На рисунке Г, показана машина с кормы, и на ней паруса, расположены по левому бору. Колёса, со спицами, опирались на обрезиненные копыта, и могли без ущерба, выдерживать противопехотные и даже противотанковые мины нашего времени. В одном и ваших параллельных миров, в Санкт Петербурге, на Кировском заводе, вместе с тракторами, уже выпустили первую партию БМП "Суматоха", в количестве 500 единиц, с 1500 задних прицепных частей в различных боевых и транспортных исполнениях. И ещё около 500 единиц данной машины и столько же прицепных модулей, будут проданы за рубеж по уже предварительной оплате. В "древности", ваши предки славяне, воевали на бронетехнике, которая ходила под парусами. Детально описывать данную бронемашину нет смысла, так как мало кому это интересно, НО! В компьютерных играх допотопия, особенно в командных стрелялках, почти все игроманы того времени, предпочитали передвигаться именно на Суматохах. Извините за неказистый рисунок.