Найти в Дзене
Polimer group

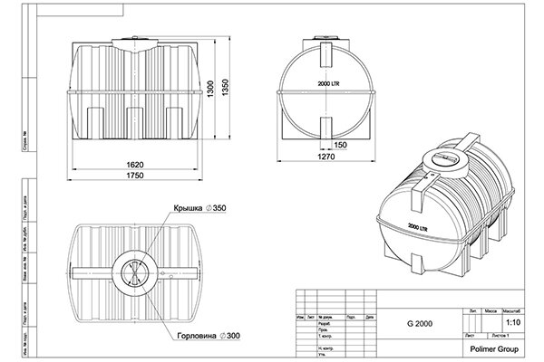
Как устроены горизонтальные пластиковые емкости

При появлении необходимости приобретения емкости под воду у потенциального покупателя стоит выбор: приобрести вертикальный вариант или горизонтальный. Производятся емкости из одинакового материала, однако в некоторых случаях использовать емкости горизонтальные пластиковые оказывается намного удобнее и практичнее, чем использовать вертикальный вариант. Стоит рассмотреть, в каких случаях удобнее применять именно горизонтальный вариант, и почему вообще емкости именно из пластика пользуются таким высоким спросом. В каком случае удобнее использовать горизонтальный вариант? Емкость для воды горизонтальная в целом может использовать в любой цели, если не имеется определенных ограничений в пространстве, то есть если нет определенных требований к размещению бочки именно в вертикальном положении. Горизонтальный вариант же используются зачастую в том случае, если необходимо получить более устойчивую конструкцию, так как площадь соприкосновения с поверхностью у нее больше, вследствие ч
Оглавление

При появлении необходимости приобретения емкости под воду у потенциального покупателя стоит выбор: приобрести вертикальный вариант или горизонтальный. Производятся емкости из одинакового материала, однако в некоторых случаях использовать емкости горизонтальные пластиковые оказывается намного удобнее и практичнее, чем использовать вертикальный вариант. Стоит рассмотреть, в каких случаях удобнее применять именно горизонтальный вариант, и почему вообще емкости именно из пластика пользуются таким высоким спросом.

В каком случае удобнее использовать горизонтальный вариант?

Емкость для воды горизонтальная в целом может использовать в любой цели, если не имеется определенных ограничений в пространстве, то есть если нет определенных требований к размещению бочки именно в вертикальном положении. Горизонтальный вариант же используются зачастую в том случае, если необходимо получить более устойчивую конструкцию, так как площадь соприкосновения с поверхностью у нее больше, вследствие чего вероятность опрокидывания несколько уменьшается. Стоит отметить, что горизонтальные бочки нередко устанавливаются на душевых кабинках, даже есть специальные варианты с краном для подачи воды.

Получается, что использовать горизонтальный вариант можно практически в любом деле, а особенность конструкции позволяет получить более устойчивый и комфортабельный в использовании вариант.

Почему емкости из пластика являются более востребованными?

Дело в том, что использование полимерных пластмасс в процессе производства контейнеров позволяет получить ряд положительных особенностей, в частности:

  • Уменьшение веса. Это позволило сделать процесс транспортировки и процесс монтажа значительно проще, вследствие чего стоимость перевозки и работы рабочих стала значительно ниже
  • Получение требуемых характеристик. Можно будет подобрать вариант с наиболее привлекательными характеристиками, который будет отлично подходить для использования в тех или иных целях
  • Доступная стоимость. Затраты при производстве баков из полимерных пластмасс оказались значительно ниже, чем при использовании других материалов, вследствие чего стоимость готового изделия также оказывается значительно ниже
-2

Отметить все преимущества бака можно будет уже при его непосредственном использовании.

Компания Полимер-Групп

Звоните: +7 495 120-18-23; +7 965 138-38-40, +7 905 504-10-22; 8 800 500-78-35

Пишите: info@polimer-group.com

Заходите на сайт: https://polimer-group.com

Офис: Мытищи, Олимпийский пр-кт, влд. 29 с.2, БЦ «Формат», 10 этаж, пом. 291

Адрес склада и производства: г. Орехово-Зуево, ул. Совхозная, 57

Адрес склада и производства: г. Мытищи, ул. Силикатная, 19 с.1

Спасибо, что дочитали до конца! Ставьте лайки, а так же обязательно подписывайтесь, чтобы не пропустить новые статьи.

Может быть интересно: