Найти в Дзене
Радиолюбитель - это просто!

Светодиодный вольтметр на одной микросхеме.

Для организации различного вида показометров, сегодня принято использовать микроконтроллеры. И это на самом деле очень удобно и порой дешево, конечно если не считать затрат на написание кода для микроконтроллера. Но на самом деле есть решение по лучше и поизящнее. Существуют специальные микросхемы. Первые в моем списке LM3914, LM3915 и LM3916. Сразу стоит оговорится, что эти микросхемы созданы специально для отображения уровней аудио сигнала, а поэтому могут работать как линейной, так и нелинейной-растянутой и логарифмической шкалой. И в свою очередь именно эти характеристики позволяют использовать эти микросхемы и как вольтметры постоянного тока (аудио сигнал в принципе тоже измеряется как постоянное напряжение) и даже как амперметр. Умеет такой вольтметр управлять дискретными светодиодами, показывая в качестве отображения результата, перемещающуюся светящуюся точку или столбик. Структурная схема LM3914 представляет из себя ряд оперционников, работающих в качестве компараторов. В со

Для организации различного вида показометров, сегодня принято использовать микроконтроллеры. И это на самом деле очень удобно и порой дешево, конечно если не считать затрат на написание кода для микроконтроллера. Но на самом деле есть решение по лучше и поизящнее. Существуют специальные микросхемы.

Первые в моем списке LM3914, LM3915 и LM3916.

LM3914
LM3914

Сразу стоит оговорится, что эти микросхемы созданы специально для отображения уровней аудио сигнала, а поэтому могут работать как линейной, так и нелинейной-растянутой и логарифмической шкалой. И в свою очередь именно эти характеристики позволяют использовать эти микросхемы и как вольтметры постоянного тока (аудио сигнал в принципе тоже измеряется как постоянное напряжение) и даже как амперметр.

Умеет такой вольтметр управлять дискретными светодиодами, показывая в качестве отображения результата, перемещающуюся светящуюся точку или столбик.

-2

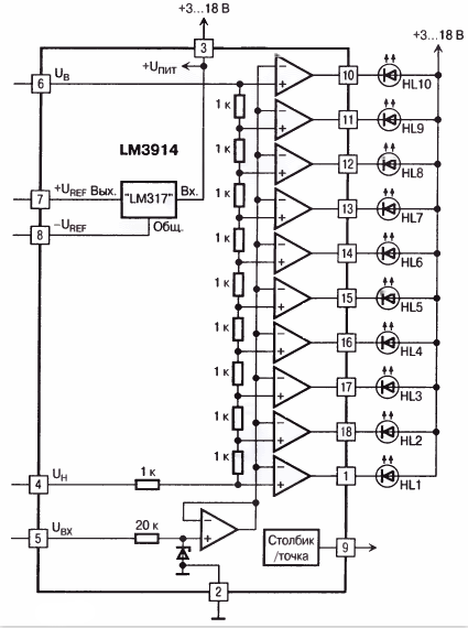
Структурная схема LM3914 представляет из себя ряд оперционников, работающих в качестве компараторов. В составе микросхемы кроме того есть LM317, на которой собран источник образцового напряжения, выводы LM317 выведены наружу, для того, что бы с помощью всего 2-х резисторов можно было это образцовое напряжение настроить, как это сделать, я писал вот тут. А дальше все просто. Внутри микросхемы все компараторы между собой соединены цепочкой резисторов по 1 кОм - это внутренний делитель напряжения. И когда напряжение на выводе 5 с учетом этого делителя на инверсном входе соответствующего компаратора сравняется с напряжением на не инверсном, компаратор переключится и на его выходе появится "-" напряжения питания, а туда в свою очередь подключен светодиод. Если мы рассмотрели первый компаратор, то все это будет точно также справедливо и для остальных и таким образом получается, что при повышении напряжения на входе будут по очереди загораться остальные светодиоды. В режиме светящейся точки светодиоды загораются по очереди, т.е. при загорании следующего , предыдущий тухнет. А переключатся между режимами «точка» и «столбик» можно с помощью вывода 9. При подключении этого вывода к плюсу источника питания получим режим «столбик», если этот вывод оставить свободным — «точка».

Эти микросхемы не одинаковы. а имеют разный шаг и разную шкалу:

Таблица порогов
Таблица порогов

Если взглянуть на таблицу, то сразу видно , что LM3914 это линейный индикатор, а остальные имеют уже нелинейную зависимость.

На сегодняшний день в официальном даташите написано, что LM3914 - это "аналоговый индикатор уровней напряжения на 10 пунктов". Однако если мне не изменяет память, раньше я видел там упоминание об уровнях аудио сигнала. Но я могу ошибаться в этом. Но точно не ошибусь, что когда-то я ставил такой индикатор на выход УНЧ для индикации отдаваемой мощности и это было удобно.

Делитель для источника опорного напряжения
Делитель для источника опорного напряжения

Расчет делителя опорного напряжения как я уже сказал, делается точно по формуле LM317:

Uоп = (R2/R1+1)x1,25В + 100

Цифра 100, это 100мА - ток вытекающий с вывода 8, и это стандартная величина тут.

Кроме того на этой схеме присутствует резистор R3, который определяет ток через светодиоды. Можно поступить и по другому, запитать светодиоды от источника питания и схема ограничения тока будет выглядеть вот так:

-5

И теперь самое интересное, схемы с вариантами использования. Я буду рассматривать только схемы LM3914, потому что только она имеет линейную шкалу и наиболее интересна для использования в качестве вольтметра.

Во первых характеристики:

-6

Установка необходимого напряжения внутреннего источника:

-7

Напряжение питания микросхемы должно, минимум на 2В выше опорного.

И если напряжение на выводе 4 микросхемы (Uн) установить отличным от нуля, можно получить растянутую линейную шкалу — от Uн до Uв. Т.е. получим включение светодиодов не через 1В как было в табличке выше, а через то напряжение какое нам удобно, а шкала все равно останется линейной.

Схема включения будет выглядеть так:

-8

Напряжение на входе Uн подстроечным резистором R3 это может быть установлено в пределах от 0В до Uв, а Uв = 1,2В. И если Uн выбрать равным 0,8В, то диапазон индицируемых уровней составит 10,5... 15 В, т.е. первый светодиод загорится при напряжении 10,5В, а последний — 15В. Отличный вольтметр для автомобильной сети получился неправда ли?.

Кроме того, можно увеличить разрядность включая микросхемы "каскадно". Для переключения режимов "точка/столбик", необходимо вывод 9 последней микросхемы подключить соответствующим образом. И тут уже внимательно нужно посчитать токи светодиодов. Вот такая схема приведена в даташите:

Каскадное соединение LM3914
Каскадное соединение LM3914

Если каждый светодиод заменить на линейку из нескольких, то легко можно получить эффект имитации светящейся стрелки - в режиме точки или светящегося сектора в режиме столбика. К примеру что-то такое:

-10

Для запитки такого количества светодиодов их можно включить через транзисторные ключи.

Кроме использования данной микросхемы как вольтметр, я видел еще массу вариантов, например термометр. Я думаю вы мне еще подскажите несколько вариантов включения этой микросхемы.

И конечно стоит отметить, что эта микросхема не единственная в своем роде.

Есть еще микросхемы UAA180 и UAA170 и если не ошибаюсь они вышли в свет именно в таком порядке, сначала 180-я, а потом 170-я. UAA180 сейчас практически не найти в продаже, схема включения такая:

UAA180
UAA180

А UAA170 еще встречается в продаже, но она не дешевая особенно относительно LM3914. У нее есть неоспоримый плюс - это 16 светодиодов в линейке (столбике), но при ее цене можно взять 2 LM3914 и получить 20.

UAA170
UAA170

И последнюю микросхему которую я сегодня хочу упомянуть, это ICL7107. Это тоже вольтметр, именно вольтметр, именно для этого она и создана и это кроме всего прочего цифровой вольтметр, т.е. на выход этой микросхемы подключается обыкновенный семисегментный индикатор и она показывает результат измерений понятными цифирками. И цена у этой микросхемы от одного доллара за штуку.

Вольтметр на  ICL7107
Вольтметр на ICL7107

Схема огромное множество в сети, но суть одна, как на схеме выше. Я такую микросхему в живую еще не щупал и мне очень интересно как она работает, поэтому будет скоро еще и "лабораторная работа" в видео формате.

Возможно есть еще подобные микросхемы, но я о них не знаю, жду ваших комментариев на этот счет.