Найти в Дзене
Паяльник

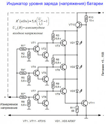
Индикатор уровня заряда аккумуляторной батареи на транзисторах

Индикатор напряжения (уровня заряда) аккумуляторной батареи подходит для использования с различными типами аккумуляторов с напряжением 6..12В. Данная схема может быть полезна авто-, мото-, велолюбителям для быстрого контроля за состоянием аккумулятора. Также данное устройство может быть применено совместно с различными датчиками, у которых есть аналоговый выход по напряжению. При исполнении на SMD компонентах схему можно засунуть в шуруповёрт или другой электроинструмент с АКБ. Индикатор отличается от многих схем последовательным включением светодиодов в общую цепь, что экономит энергопотребление. Каждый светодиод легко настроить, чтоб загорался на свой уровень напряжения с помощью резистивного делителя, формула расчёта входных резисторов R1, R4 и R7 приведена ниже: где Um – измеряемое напряжение в вольтах; 5,6 – выходное сопротивление делителя в кОм по схеме R2, R5, R8. Питание индикатора может осуществляться от “подконтрольного” аккумулятора либо от своего собственного источника 5…1

Индикатор напряжения (уровня заряда) аккумуляторной батареи подходит для использования с различными типами аккумуляторов с напряжением 6..12В. Данная схема может быть полезна авто-, мото-, велолюбителям для быстрого контроля за состоянием аккумулятора. Также данное устройство может быть применено совместно с различными датчиками, у которых есть аналоговый выход по напряжению. При исполнении на SMD компонентах схему можно засунуть в шуруповёрт или другой электроинструмент с АКБ.

Индикатор отличается от многих схем последовательным включением светодиодов в общую цепь, что экономит энергопотребление. Каждый светодиод легко настроить, чтоб загорался на свой уровень напряжения с помощью резистивного делителя, формула расчёта входных резисторов R1, R4 и R7 приведена ниже:

-2

где Um – измеряемое напряжение в вольтах; 5,6 – выходное сопротивление делителя в кОм по схеме R2, R5, R8.

Питание индикатора может осуществляться от “подконтрольного” аккумулятора либо от своего собственного источника 5…15В.

Измеряемые напряжения могут быть любые, а не только 6…12В. Минимальное напряжение на входе индикатора равно порогу открывания входного усилителя на паре Дарлингтона (VT1VT2, VT4VT5, VT7VT8) и составляет 1,1В. Максимальное измеряемое напряжение может быть любым, в разумных пределах конечно, и определяется входным делителем напряжения (R1R2, R4R5, R7R8), формула для расчёта приведена выше.

Яркость свечения светодиодов VD1…VD3 определяется токозадающим резистором R11 генератора тока, собранного на транзисторах VT10 и VT11. Ток, проходящий через светодиоды можно определить по формуле:

-3

При необходимости число светодиодов можно увеличить последовательным добавлением их в цепь совместно с цепочкой транзисторных ключей и резистивным делителем. Однако нужно учитывать, что напряжение питания схемы должно быть выше суммарного напряжения питания светодиодов на 1,5-2 вольта.

Оптимальное число индицируемых светодиодов 3-4 шт. Например можно принять: “батарея разряжена”; “низкий заряд”; “средний заряд” и “полный заряд”. Ниже приведена таблица расчётных значений резисторов цепи делителя для кислотных аккумуляторов на 6 и 12В при различных уровнях заряда:

-4

Отклонение номиналов резисторов R2, R5, R8, … (5,6 кОм) не должно превышать 1%. Резисторы R1, R4, R7, … выбираются из ближайших номиналов стандартного ряда E96 или путём перебора наиболее близких сопротивлений с помощью мультиметра. Так по ряду E96 для аккумуляторной батареи на 12В можно принять R1 - 60,4 кОм; R4 - 54,9 кОм; R7 – 49,9 кОм; Rx – 47,5 кОм. Если поиск постоянных резисторов затруднён, то можно использовать подстроечные совместно с постоянными резисторами в последовательном включении, например:
60,6 кОм = подстроечный 6,8 кОм + постоянный 56 кОм;
55,0 кОм = подстроечный 6,8 кОм + постоянный 51 кОм;
49,4 кОм = подстроечный 6,8 кОм + постоянный 47 кОм;
47,9 кОм = подстроечный 6,8 кОм + постоянный 43 кОм.

Ниже приведена схема индикатора для контроля уровня заряда кислотной АКБ на 12В с подстроечными резисторами на 4 светодиода. В данном варианте подбор резисторов в цепи делителя делать не нужно.

-5

Детали

Транзисторы КТ315 подойдут с любым буквенным индексом, также их можно заменить на аналогичные импортные типа 2SC945, 2SC1815, 2SC815, H945 и т.д. Светодиоды можно ставить любые с током потребления до 20 мА. При использовании более мощных светодиодов необходимо применить более мощный транзистор в генераторе тока VT13, например, КТ815, 2SC2231, 2SC2383 и др. Яркость светодиодов (ток) настраивается резистором R18: I=0.6/R18.

Скачать список элементов (PDF)

Автор: vlad-kompozit