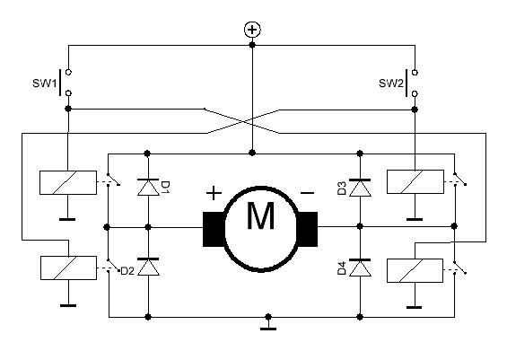
Различные двигатели используются практически во всех областях нашей жизни, в том числе и в различных радиолюбительских конструкциях. Поэтому сегодня я хочу разобраться как это делать. Самый простой вариант, это вращение мотора в одном направлении, т.е. просто включено/выключено: Я выбрал не самый простой способ, как видно из картинки выше, но я все объясню. По порядку: И все просто - кнопку нажал - моторчик закрутился. Крутится он будет всегда в одну сторону. Второй вариант Изменяемое направление вращения: Я не стал тут рисовать диоды защищающие от самоиндукции для двигателя и для реле, и конденсаторы защиты от искровых помех, что бы не загромождать схему. Диоды D1-D4, это диоды развязки. При нажатии на кнопку 1, срабатывают сразу два реле: одно подключает плюс питания, второе минус, за счет диодов замыкания не происходит. При нажатии на кнопку 2, выполняется такая же коммутация как и в первом случае, но полярность питания на моторчике будет обратной и как результат он будет крутит