Добавить в корзину
Позвонить
Найти в Дзене
Войти
3D CAD модели & Чертежи
37 подписчиков
Подписаться
Чертеж обжимки для заклепок
22 августа 2022
22 авг 2022
17
~1 мин
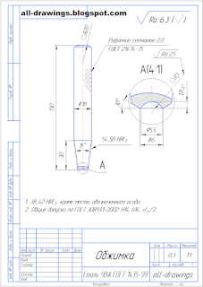
Обжимка применяется для образования замыкающих головок заклепок в процессе ударной ручной клепки. 3D модель и чертеж обжимки для заклепок
Обжимка применяется для образования замыкающих головок заклепок в процессе ударной ручной клепки. 3D модель и чертеж обжимки для заклепок
...
Читать далее
Оглавление
Обжимка применяется для образования замыкающих головок заклепок в процессе ударной ручной клепки.
3D модель и чертеж обжимки для заклепок
Обжимка применяется для образования замыкающих головок заклепок в процессе ударной ручной клепки.
3D модель и чертеж обжимки для заклепок
Чертеж обжимки для заклепок
Чертеж обжимки для заклепок
all-drawings.blogspot.com
Чертеж обжимки для заклепок
97534251.939.1776711751944.36479